找回密码
 请使用中文注册

制作6J1优质胆前级功放

2023-5-5 11:35| 发布者: 开心| 查看: 32| 评论: 0

阅读字号:

摘要: 胆功放如果再配收到其他维修同行的一台胆前级,则音色更是锦上添花,令人神住。制作胆前级出好声却下容易,在电路和元件选择、布局、焊接、调校和系统搭配等方面大有讲究。笔者也焊了不少前级,并选用了不少品牌型号的胆管, ...
    胆功放如果再配收到其他维修同行的一台胆前级,则音色更是锦上添花,令人神住。制作胆前级出好声却下容易,在电路和元件选择、布局、焊接、调校和系统搭配等方面大有讲究。笔者也焊了不少前级,并选用了不少品牌型号的胆管,自认为用6J1制作的前级音质更出色。 
    前级放大器主要功能是:将各种音源的微小信号放大到足够的电平;对音频信号进行频率均衡与补偿;匹配前后级阻抗;进行声道音量控制和甲衡控制等。收到其他维修同行的一台好的胆前级放大器,能使整个音响活泼有力,层次分明,高低频平衡,动态范围大,音色温和甜美。 

  

  一、电路原理 
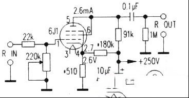
      本机电路如图1所示,音频信号直达6J1栅极,将音量电位器并联安装,以避免电位器接触电阻和摩擦噪声串入6J1栅极。6J1接成阴极电流负反馈共阴放大电路,并接成三极管工作状态,其特性曲线接近45°倾斜排列,线性好,失真小,音色靓。屏极采用电容隔直耦合输出,利于稳定工作点和校声。 
  
    要说明的是,本机不设阴极输出器,因为用阴极输出虽然能够减低输出内阻,增强电流驱动能力,改善音质,但这是一种掩饰,得不偿失,微弱信号和音频细节均被丢失.声音发蒙,层次不明,动态压缩,乐声缺乏活力,主要原因是阴栅电容较屏栅电容大,对地并联作阴极输出,音频信号中高频成分和音乐细节不同程度要入地,而屏栅电容对音频信号是串联.屏极输出时信号不被丢失,故_奉机不采用阴极输出, 
而是通过适当增大6J1工作电流和栅偏压加以解决。

      电源部分采用6Z4全波整流,电感滤波,最大输出电流约70mA。 
  

  二、元件选择     胆管6J1系五极管,高低频延伸宽,用作音频电压放大,搭配功放管6P1、6P14、6P6P、6P3P等,放音相当醇美,胆味浓郁,十分耐听。 
    电阻一律选用2W绿色碳膜电阻,输出耦合电容采用CZ—T型或CJ10型纸介金属屏蔽电容,音量控制电位器采用步进电位器,并将上面的电阻拆除,用等值0.5~1W同规格绿色碳膜电阻替换。 
    薄膜电容由于交流电阻大,对音频信号尤其是低频信号的传输阻抗大,发音干瘪,不宜使用。电源变压器功率为100VA,阻流圈规格为5H/60mA,电源变压器也可用六灯机电源变压器。 

  

  三、组装调试     对两声道元件要配对,用含银量在3%以上的焊锡丝和镀银丝按照电路焊接,检查连接正确无误后,才可通电调试工作状态。 

      图1是6J1接成三极管时的放大电路,在电源电压250V供电下,实测6J1屏极电压为90V,电流为2.6mA,阴极电压为2.6V。 
  
    图2是6J1混合偏压放大电路,其原理是在6J1阴极和电源输出端,加接了一只固定偏压供电电阻,这样阴极电流和固定偏压电流均通过阴极电阻,产生混合偏压,两者偏压值各取原值一半,6J1工作电流仍保持原值不变,阴极电阻阻值要根据管子情况调试,图中标出参考值。这种混合式栅偏压兼顾自给偏压和固定偏压的特点,优势互补,牢固锁定6J1工作状态,克服零点漂移,抗干扰性强,音质声底清静,声场不乱,十分从容,为充分发挥6J1性能奠定了基础。 
    经过数月煲机,元器件性能趋于稳定后,再进行复调工作点,以防工作点漂移。

路过

雷人

握手

鲜花

鸡蛋

最新评论

QQ|Archiver|手机版|家电维修论坛 ( 蜀ICP备19011473号-4 川公网安备51102502000164号 )

GMT+8, 2025-11-21 18:24 , Processed in 0.115181 second(s), 17 queries .

Powered by Discuz! X3.5

© 2001-2025 Discuz! Team.

返回顶部