找回密码
 请使用中文注册

琴谱数字移频器DSP-108原理与维修

2023-5-5 11:35| 发布者: 开心| 查看: 31| 评论: 0

阅读字号:

摘要: 琴谱公司的数字移频器DSP-108,由于其信号流程复杂且控制功能繁多,对于初次接触该机的检修人员来说有一定的难度。下面谈谈该机的工作原理及检修要点(注:凡高的英文商标是FLANG,为琴谱公司注册,凡高为 ...
    琴谱公司的数字移频器DSP-108,由于其信号流程复杂且控制功能繁多,对于初次接触该机的检修人员来说有一定的难度。下面谈谈该机的工作原理及检修要点(注:凡高的英文商标是FLANG,为琴谱公司注册,凡高为FLANG的中文翻译)。 
  

  一、电路原理
  
    本机的话筒输入端多达五路,除话筒3、4、5三路共用一个音量调节之外,其余两路输入及另外一路输入均为独立调节,各路输入信号经独立的放大电路放大信号之后(见图1),从IC8(_型号为NE5532)的②脚输入,经其放大后从①脚输出,①脚输出的信号分为两路,一路经电阻R13送入IC8⑥脚并经其放大后从⑦脚输出,送入数字处理电路(即解码板)的输入端;另一路则由R30和R31分压后送入IC9的③脚,由IC9的①脚输出,经D1整流后得到随信号不断变化的直流电压,此电压经IC9的⑤脚同相端输入,然后从IC9的⑦脚输出,并控制三极管Q1导通与否,或者说是其导通程度。从而控制光电耦合器的发光强度,决定光耦③、④脚间阻值,进而经电阻R42串联后并入IC8的⑤、⑥脚之间,用其来控制IC8的⑦脚输出增益大小。 
    其原理为:经IC9⑦脚的变化直流电压使三极管Q1导通,则光耦发光强度增强,光耦③、④脚间阻值变小,使IC8的⑤、⑥脚的阻值变小,因⑤、⑥两脚是运放的同、反相输入端,其极间的阻值变小将抵消一部分输入信号(相对于⑤脚来说)。也就使IC8的⑦脚输出端受到限制,从而控制了话筒的输出幅度,有效地回避了话筒啸叫及烧后级音箱的这一难题。因此我们可将这第二路信号处理电路形象地称为:音频AGC电路,能自动根据输入信号的大小而调节电路增益。 

      由IC8的⑦脚输出信号送至解码板的输入端,经其处理后送到话筒总音量电位器(因数字处理解码电路工作较复杂,将在此不作介绍),从话筒音量电位器输出的信号又送入左右声道调节电位器。因为在实际会议系统中有可能出现左右声道不平衡的现象,所以专门设置了左、右声道的独立调节音量电位器,由各声道电位器调节后的信号送入后级运放IC10,经其放大后分别从IC10的①脚和⑦脚输出,并经继电器切换后输出,至此,话筒的信号流程传送完毕。 
  
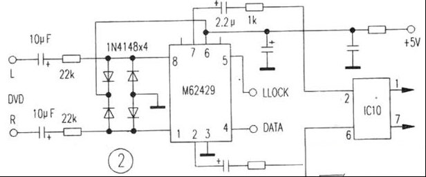
    另外本机的两路背景音乐信号从输入端进入后(见图2),经M62429处理后由②、⑦两脚输出送至Ic10的②、⑥两脚,经Ic10的①、⑦脚输出。从图中可以看出,无论是何种信号都要经由IC10的①、⑦脚输出,这点在检修时十分重要,它可以方便地帮助我们判断故障部位。 
    由于本机的工作性质是低电压小电流的工作状态,在实际使用中故障率并不是很高。但是仍有少数故障在使用中出现,例如某路话筒无输入等等。特别是本机的自动增益控制电路失效后,会引起后级运放输出不稳定,从而使效果大打折扣。这点在检修中应引起注意。若出现音量时大时小,或音量在较小的状态下引起啸叫等现象,除改变话筒与音箱的位置以外,也有必要检查是否是本机的音频AGC电路损坏而引起的。
 
二、故障检修 

  1、收到其他维修同行的一台DSP-108返修机,话筒3无输出,其他几路话筒输出正常。 
  
    用镊子从IC5的③脚注入感应信号(见图3),有微弱的输出噪声(人体感应电压引起),但从IC5的①脚注入信号时输出的噪声更大。按常理来说,从③脚注入应比从①脚注入的信号输出要大。估计是该IC5(NE5532)损坏。但将其换新后故障依旧。检查发现原来在未插入话筒时,话筒插座的内部触头将运放的输入端短路到地,因而从输入端感应时没有多大的功率输出。更换话筒插座后,整机正常。分析话筒插座损坏的原因是因为使用中插拔次数过多引起内部触片接触不良,从而导致无输出的故障表现为。 
2、收到其他维修同行的一台DSP-108机,出现频繁啸叫的现象,即使话筒音量处于较小位置也不能避免。 
    当本机的音频自动增益调节电路失控时,会引起增益失控导致输出幅度过大而引起啸叫。因此直接检查IC9的⑦脚,在输入话筒信号时.该点电位在0~3V间不断地眺变(正常),判断故障在后级,经查为光耦③脚开焊,引起电路无控制作用,将其焊好后试机, 
一切正常。

路过

雷人

握手

鲜花

鸡蛋

最新评论

QQ|Archiver|手机版|家电维修论坛 ( 蜀ICP备19011473号-4 川公网安备51102502000164号 )

GMT+8, 2025-11-21 18:24 , Processed in 0.180586 second(s), 17 queries .

Powered by Discuz! X3.5

© 2001-2025 Discuz! Team.

返回顶部