找回密码
 请使用中文注册

TDA7293安装实践

2023-5-5 11:34| 发布者: 开心| 查看: 54| 评论: 0

阅读字号:

摘要: 通过报刊,知道TDA7293比TDA7294更优良,不仅音质好,而且功率大。笔者决心要采用TDA7293组装收到其他维修同行的一台立体声高音质功放,经过一般时间忙碌,进展不大,还弄坏一只TDA7293,查找原因发现很多资料介绍有差错! ...
    通过报刊,知道TDA7293比TDA7294更优良,不仅音质好,而且功率大。笔者决心要采用TDA7293组装收到其他维修同行的一台立体声高音质功放,经过一般时间忙碌,进展不大,还弄坏一只TDA7293,查找原因发现很多资料介绍有差错!多是管脚号标错,元件不标数据或电容不标正负极等。
  

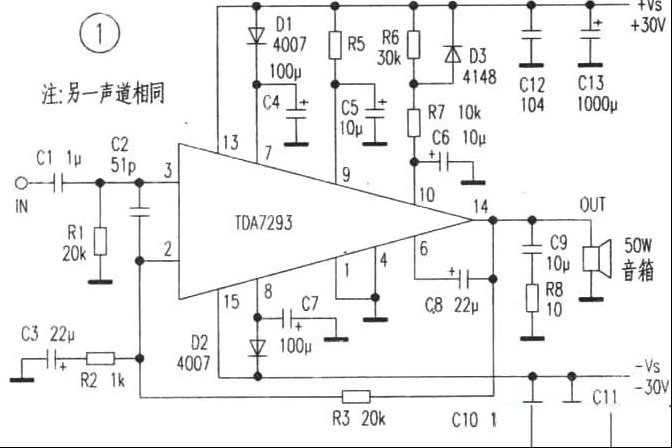
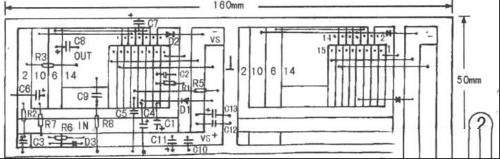
        经过几天放音,发现该机大音量时失真,用万用表检测,发现在大音量时,电源电压高低变化太大,可见大功率功放对电源容量要求很高。重新绕制一只功率200W的电源变压器,再把电路前级供电与功放级供电隔离起来(发烧友可根据情况自行改进)。经过上述改进之后,再开机试听,不仅音质优美,而且功率强大,图1是电路图,图2是印制板图。
  

  

        发烧友可按图中尺寸,用断锯条在敷铜板上逐条切割,然后用微电钻打孔。元件全部焊完后,要认真检查,不能虚焊、漏焊,更不能短路。最后把两只TDA7293插入焊好,固定TDA7293时,注意和散热器的接触良好,用云母片做绝缘垫片,云母片两面都要涂导热膏。导热膏的制作方法是用变压器油加松香混合加热,沸腾2分钟后冷却(此过程注意防火),然后将导热膏注入密封瓶中保存备用。其混合比是油1份松香5份。    用TDA7293组装的立体声功放,音质很好,输出功率很大,用8Ω音箱,供电电压+30V情况下,可以输出60W+60W的功率。

路过

雷人

握手

鲜花

鸡蛋

最新评论

QQ|Archiver|手机版|家电维修论坛 ( 蜀ICP备19011473号-4 川公网安备51102502000164号 )

GMT+8, 2025-11-21 18:24 , Processed in 0.745580 second(s), 17 queries .

Powered by Discuz! X3.5

© 2001-2025 Discuz! Team.

返回顶部