找回密码
 请使用中文注册

功放中功率管的应急代换方法

2023-5-5 11:34| 发布者: 开心| 查看: 97| 评论: 0

阅读字号:

摘要: 在日常的功放维修中,遇到功率管烧坏但无合适的对管替换时,可以考虑用不同型号、不同类别的功率管来代换,如用常见的NPN管替代PNP管,用场效应营替代功率三极管,或用三极管替代场效应管。特别是场效应管 ...
    在日常的功放维修中,遇到功率管烧坏但无合适的对管替换时,可以考虑用不同型号、不同类别的功率管来代换,如用常见的NPN管替代PNP管,用场效应营替代功率三极管,或用三极管替代场效应管。特别是场效应管中N沟道管可代蹦管型号很多,P沟道可选品种较少,可用同极性管代用。 

      在当前流行的功率放大器中,除集成功放电路外几乎都是采用OCL电路。其电路结构繁简有别,但末端推动级和输出级基本一样,如图1至图4所示。
  
    图1中将电阻R1用两个电阻串联即与图2一样,将图2中R1、R2连接点与输出中点连接即与图3一样。将图3中两个三极管换成场效应管便与图4一样。将图1、图2改成图3电路对整个电路没有任何影响。 
    将图3中NPN、PNP对管改成用两只NPN管(如图5所示),只需将图3中Q2集电极与负电源断开,把R2拆下跨接在断开处,在原R2电阻处增加一个100Ω的反馈补偿电阻R*,用NPN管换下Q4,将原Q4基极电阻移接在Q2的集电极,替换就完成。
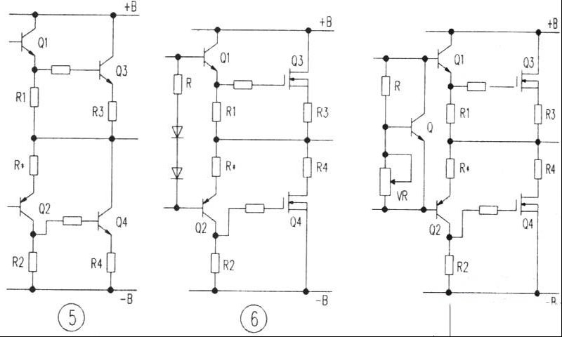
    图4是场效应对管输出电路,将场效应对管换成三极管对管或将三极管对管换成场效应对管只需对恒压偏置作一点改动就可。 

      三极管对管偏置是±0.5V,场效应对管偏置是±1.8V,调整图6、图7中R的阻值满足±0.5V或±1.8V即可。全用N沟道场效应管的方法和全用NPN管方法一样。如果原电路用的是场效应管,改用三极管后要把原来数百欧姆基极电阻换成4.7Ω,同样将原三极管换成场效应管时应将原来4.7Ω电阻换成470Ω。 
  

路过

雷人

握手

鲜花

鸡蛋

最新评论

QQ|Archiver|手机版|家电维修论坛 ( 蜀ICP备19011473号-4 川公网安备51102502000164号 )

GMT+8, 2025-11-21 18:24 , Processed in 0.169335 second(s), 17 queries .

Powered by Discuz! X3.5

© 2001-2025 Discuz! Team.

返回顶部