找回密码
 请使用中文注册

调音台电路原理分析

2023-5-5 11:34| 发布者: 开心| 查看: 33| 评论: 0

阅读字号:

摘要: 调音台自8路、10路、12路、16路和24路等多种规格。按电路组成有常规型和内置功放型两大类。常规型又分内置电源和外配电源两种,各机型主要电路和结构大同小异。图1是结构框图,每个通道单独做在一块印 ...
    调音台自8路、10路、12路、16路和24路等多种规格。按电路组成有常规型和内置功放型两大类。常规型又分内置电源和外配电源两种,各机型主要电路和结构大同小异。图1是结构框图,每个通道单独做在一块印刷板上,各通道电路通过多条母线与各输出电路和供电电路连成一体,完成信号输入、放大,调音、混音、效果、监听、输出等功能。从框图中可以全面了解音频信号是如何从各通道输入放大后分配到各个母线,各母线又是如何把信号送到各输出电路。 
  
 
  

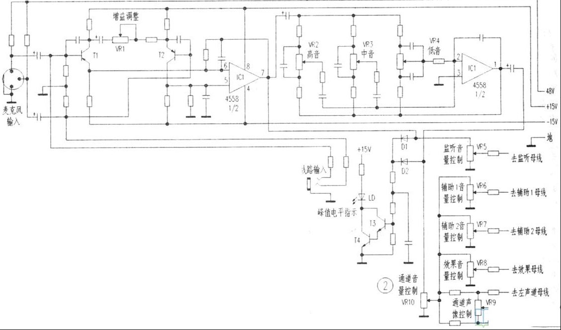
  一、通道电路原理
  
     图2是一般调音台通道电路图,以8路调音台为例,有8块一样的通道电路板被各功能电位器螺母固定在面板下,用扁平排线作母线与后级连接。 
    线路输入口一般都采用φ6.35mm大三芯插座,同样是平衡输入方式。是卡座、CD、VCD、电声乐器等音乐信号线路输入口,输入信号电平是775mV,这是音响设备标准线路输出输入电平。因干扰后号相对小得多,常用独芯屏蔽线接成非平衡方式使用。线路信号电平比麦克风信号电平强数百倍,所以用电阻衰减后才进入差动放大器。差动输入级由T1、T2组成,两管基极分别是平衡式输入的两端,两管发射极间可调电阻VR1是输入增益控制钮,通过它可改变放大器的负反储,对输入信号增益进行控制。放大后的信号经集电极输出后进入双运算放大器IC1(4558)的⑤、⑥脚,放大后由⑦脚输出给由另一半4558组成的三段均衡电路,调整VR2、VR3、VR4可分别对中心频率为10kHz、3kHz、100Hz的高音、中音、低音进行12dB的提升或衰减。经放大和均衡后的信号由通道衰减推子VR10控制后分配给各母线送往后级。 
    监听信号取自三段均衡前,是让调音师监听原信号以便均衡补偿。VR5用于送往监听母线的音量调整。VR6和VR7是辅助1、辅助2送住辅助母线的音量控制电位器,经辅助母线送至辅助输出电路,辅助输出可配接外置效果设备或舞台返听监听功放等。VR8控制送住效果母线的信号强度,经效果母线送至效果输出口和机内延迟混响电路,经效果处理后的信号再由效果输入口返回至左右声道母线。一般只在使用麦克风时才需开启此钮,用混响润色人声。

      每个通道信号都是单声道信号,经VR9声像调整后分配给左右声道母线。适当调整该旋钮位置可改变该路声源在左右音箱中间的空间位置感,形成立体声效果。峰值电平指示灯LD是检测信号放大过程中是否仃信号过强造成削顶(饱和)失真现象,被检测信号取自三段均衡前和三段均衡后两处。两处信号各经二极管D1、D2检波后分压给推动三极管T3、T4,当有一处信号过大时,三极管便导通,LD点亮,提示操作员调整通道增益旋钮VR1和三段均衡调整钮VR2、VR3、VR4做相应的衰减控制。通道音量推子VR10只对输给母线的信号有衰减作用,对通道削顶失真无调整作用。
  

  二、输出电路原理
  
     图3是主输出一个声道的电路,右声道母线的信号经4558放大后通过主音量电位器(主推子)控制主输出信号电平,再经另一半运放缓冲后进入由多个运放组成的七段频率均衡电路。经对不同频率的信号进行提升或衰减,最后由主输出插座输出给配接的功率放大器。 
    辅助输出、监听输出、效果输出电路基本一样,如图4所示,由母线送来的信号经放大并通过音量电位器衰减后缓冲输出。辅助输入、效果返回电路也基本一样,先经音量控制再进入运放放大,通过声像电位器分配给左右声道母线。 
    机内混响电路是通过双触点插座接入效果电路的,在不外接效果器时机内混响电路送回左右声道母线。当效果器插头插入时机内混响器被断开。机内混响电路与卡拉OK混响电路基本一样,常使用BBD、M50195等。也有采用育预没功能和数字显示的音效处理电路的。调音台面板中英文对照与功能说明见附表

路过

雷人

握手

鲜花

鸡蛋

最新评论

QQ|Archiver|手机版|家电维修论坛 ( 蜀ICP备19011473号-4 川公网安备51102502000164号 )

GMT+8, 2025-11-21 18:24 , Processed in 0.185788 second(s), 17 queries .

Powered by Discuz! X3.5

© 2001-2025 Discuz! Team.

返回顶部