找回密码
 请使用中文注册

用曙光管EL156制作胆机功放

2023-5-5 11:34| 发布者: 开心| 查看: 37| 评论: 0

阅读字号:

摘要: 近年来曙光电子管厂新研制开发了多款Hi-Fi放大器用的电子管,其中很受现代胆机DIY者瞩目的是新型号功率输出五极管EL156,此胆是棕色胶木座,8脚管,管脚接线见图1,阳极耗散功率为50W,比常用的功放管EL3 ...
    近年来曙光电子管厂新研制开发了多款Hi-Fi放大器用的电子管,其中很受现代胆机DIY者瞩目的是新型号功率输出五极管EL156,此胆是棕色胶木座,8脚管,管脚接线见图1,阳极耗散功率为50W,比常用的功放管EL34、6L6、2A3、300B、FU-7等的耗散功率都要大,但本身所消耗的能量较低,灯丝电压/电流:6.3V/1.9A,阳极电压适应范围较宽,最大的特点是栅负压较低,单端输出阳极电压350V时功率有15W,450V时输出功率可达25W,阳极电压最高可到800V。当阳极电压800V,AB1类推挽放大时输出功率达到130W。因此很适合推大食量的喇叭和较大的听音环境。中音丰厚低音强劲有力,音场宏伟开阔,具有大家风范,是功放管中的佼佼者。 
  

       曙光EL156玻壳外形较常见的8脚管都要大,壮观漂亮,内部构造的独特之处是除气环在胆管的中部,又称腰部除气型。在一般的电子管中很少见,上世纪中期欧洲产的名胆中曾有少量此种结构的品种,现已成为收藏珍品。 
  
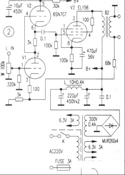
     本机线路见图2,输入级用中u双三极管6SN7组成SRPP线路,功放级EL156用三极管接法,自给偏压的方式。五极功放管采用三极管接法时虽然输出功率有所降低,但传真度高,音色更细致悦耳。此机至少有15W的输出功率,较一般常用的单端输出胆机功率要大很多,一般住户20~30m2的听音环境有足够的声压。

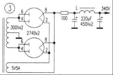
      电源部分用晶体二极管整流CLC滤波电路,B+输出电压可在300V-400V间选用,如果B+电压高于400V,滤波电容应用两只385V或400V的串联使用。用晶体二极管整流的原因是EL156的阳极电流较大,常用的胆整流电流不能满足EL156的要求,如果要用胆整流可用双胆并联电路,见图3。 
  
    EL156的屏极负载3.5-4k,屏流最大约120mA,输出变压器要用50W、初级阻抗为3.5k-4k的单端输出型号。电源变压器不小于250W,次级高压线圈电流容量不小于0.3A,整流二极管用NUR260快速二极管。滤波电容可用PHILPS蓝色电解电容或日本红宝石电解电容,EL156的阴极电阻要选用功率在50W以上的。 
    由于EL156的推动电压很低,不需要推动级,否则电压增益过高。 
    调试时调整各级放大管的阳极电阻值,使V1的③脚电压在2V左右。EL156的⑧脚电压约8V-9V即可。若配用较高档次的电源线、信号线、喇叭线等,音效会更靓。

路过

雷人

握手

鲜花

鸡蛋

最新评论

QQ|Archiver|手机版|家电维修论坛 ( 蜀ICP备19011473号-4 川公网安备51102502000164号 )

GMT+8, 2025-11-21 18:24 , Processed in 0.173042 second(s), 17 queries .

Powered by Discuz! X3.5

© 2001-2025 Discuz! Team.

返回顶部