找回密码
 请使用中文注册

用IRF250场效应管制作胆味功放

2023-5-5 11:25| 发布者: 开心| 查看: 40| 评论: 0

阅读字号:

摘要: 笔者用绝缘栅VMOS大功率场效应管IRF250制作纯甲类功率放大器。这类管子在音响界里是冷僻管,不大受人喜欢。该类管通常用于开关电源中,由于该类管高频区线性好、开关速度快、输出电流大、耐压高,让笔者 ...
    笔者用绝缘栅VMOS大功率场效应管IRF250制作纯甲类功率放大器。这类管子在音响界里是冷僻管,不大受人喜欢。该类管通常用于开关电源中,由于该类管高频区线性好、开关速度快、输出电流大、耐压高,让笔者很感兴趣,把它用于音频放大器中作功率输出管,在甲类输出状态下,声音极具“胆”味。该管的价位低廉,拆机品2元/只,便宜好找,适合工薪族发烧,何乐而不为? 

  

  一、场效应管与电子管的原理比较有相似之处 
      场效应管与电子管的原理相比较如图1所示。场效应管的源极供应电子,相当于电子管的阴极,漏极泄漏电子,相当于电子管的屏极(阳极),栅极是控制电子流的大小,和电子管的栅极作用完全一样,都是通过栅极“G”来输入控制,开大或开小电流从漏极流向源极(电子管是阳极流向阴极)。它们都属于电压控制器件。 
  

  

  二、VMOS管的缺点与制作中的克服     对于电源开关管IRF250、IRF240而言,确与音频名管中的K135、J49等有差异,使众多的发烧友不大喜欢用这类管子。笔者认为其成了冷僻管的原因有两点,一是开启电压的差异,IRF250达到3V~5V不等,给推动级增加了极大的负担。二是该管的一致性差,不好配对,N沟道和P沟道的异极型就更难配对了。 
    音频CMOS管在0.2V-1.5V的范围就能开启,并进入良好的线性工作区,对推动级的驱动能力要求低,且一致性好,容易配对。因此用IRF250给制作带来一定难度,工作中有时一部分管子已到甲类状态,而另一部分管子还在乙类状态,甚至有的工作在开启与夹断之间,劣化了音质。 
    针对IRF250这类管子的特点,笔者认为可以避开它的缺点,挖掘它潜在的优点,如高耐压、大电流和好的高频放大线性等。 
    实际制作中,应将电路的重点放在推动级上,只要推动级能输出驱动末端场效应管所需的开启电压3V~5V,也就克服了上述的一大难点。另一个是对差分电压放大管和中功率驱动管的配对误差要在2%的范围内(用数字表配对),每声道只用一对输出管,就不存在配对难的问题。IRF250管子的功率本身就大,没有必要采用多管并联。每声道使用一对输出管,纯甲类最大不失真输出功率在60W-100W,能胜任大多数家庭的使用要求。 

  

  三、线路的选择和改进 
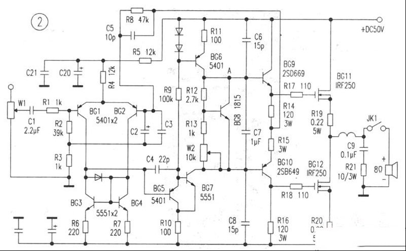
      笔者选用的是日本雅马哈(YAMAHA)功放的线路,把输出级进行了改造而成(见图2)。IRF250这类管子都是同极型N沟道,因为没有与之功率、耐压、栅偏压值相近的异极型P沟道管子,所以对同极型的管子采用准互补推挽输出。 
  

  

  四、器件的选择要求     三极管的选择要求BG1和BG2、BG3和BG4、BG6和BG7的配对误差在2%以内,BG9和BG10的配对误差在5%之内,其余照图选择就行。中功率驱动管功率要求在20W以上(大功率管更好),才能满足驱动输出3V~5V的电压,这时末端管子的栅压差异在2V-5V。驱动管也工作在10mA-40mA的甲类,发热较高,要求加装散热器。C1、C3、C7用聚丙烯电容,C2用钽电容,电阻按图上要求即可。 

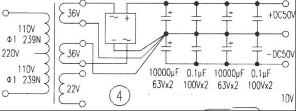
      电源变压器应在500W左右,笔者用的是630W的C型铁芯,按图4的电压参考自制。机壳用1.5mm厚的铝板,制作成400mm×340mmx115mm的底座,面板厚5mm,也可用旧机壳改制。
  

  

  五、整机的调试     1.通电前应先检查电路各焊点及所有连接线是否正确,整流电源的正负电压是否对称。 
    2.先不接末端场效应管,通电测量R14与R15的中点是否为0V,待正确后再接入输出场效应管,慢慢微调R9使输出中点为0V。一般相隔15分钟有一次变化,要多次调节,该电阻或可调电阻的功率不能小于1/2W(尽量大些),小了易在装机后产生漂移不稳定。 
    3.用数字表毫伏挡检测输出源极电阻0.22Ω两端压降,再慢慢微调W2,使0.22Ω电阻两端压降在100mV,两个驱动管的基极AB端的压降在7V~10.5V不等,使输出管的静态电流在1A~1.5A左右,进入纯甲类状态,发热很利害,要求铝材散热器重量每声道不小于2.5kg(从这个角度看,石机的耗电不比胆机小,特别是在甲类大功率情况下,有时还要超过胆机——编者)。W2要用小型多触点的精密微调电位器,以免有跳动或者悬空,损坏输出管。 

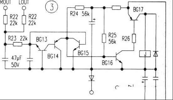
      4.喇叭保护器的调节应按图3设定。
  

  因为大于1.5V会烧喇叭小于1.2V又会频繁地保护而产生不稳定,所以把它设定在1.4V左右为宜。具体调校法:用1.5V和1.2V电池各一节,第一步将两节电池负极接地,正极分别碰触ROUT、LOUT两端。正DC电压经过R22和R23给BG15基极建立电位导通ec脚,使BG16的基极被拉下为0V截止,致使BG17截止,继电器失电眺开切断扬声器。第二步将两节电池正极接地,负极分别碰触ROUT、LOUT两端。当负DC电压经过R22和R23给BG13的be脚建立起电位并导通ec脚,使BG14基极建立电位导通,同理,又使BG16和BG17截止,也使继电器跳开切断扬声器,达到保护的目的,调节R23将动作电压调整到正负1.5V和1.2V均动作为止。     该功放声音十分甜润,弹跳力度好,低音威猛强劲,高音细腻。发烧友们自己去动手感受吧!

路过

雷人

握手

鲜花

鸡蛋

最新评论

QQ|Archiver|手机版|家电维修论坛 ( 蜀ICP备19011473号-4 川公网安备51102502000164号 )

GMT+8, 2025-11-22 06:58 , Processed in 0.182306 second(s), 17 queries .

Powered by Discuz! X3.5

© 2001-2025 Discuz! Team.

返回顶部