找回密码
 请使用中文注册

分体式纯甲类高保真功放

2023-5-5 11:25| 发布者: 开心| 查看: 29| 评论: 0

阅读字号:

摘要: 笔者近日打造了收到其他维修同行的一台分体结构纯甲类功放,将电压放大器和0dB功率输出级分置于两个机箱内,这样既避免了两者间的相互干扰,同时又便于今后更换不同的电压放大器。电压放大器由并联式稳压电源供电,采用单端 ...
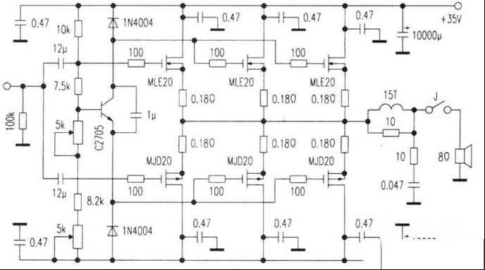
    笔者近日打造了收到其他维修同行的一台分体结构纯甲类功放,将电压放大器和0dB功率输出级分置于两个机箱内,这样既避免了两者间的相互干扰,同时又便于今后更换不同的电压放大器。电压放大器由并联式稳压电源供电,采用单端放大电路结构,这种电路相对于全对称推挽电路具有更为温暖圆润的音响效果。
  
 
      电压放大器第一级为共源共基电路,每管工作电流为3mA。第二级为缓冲级,用于隔离输入级和主放级,降低第一级的负载效应,并使主放级得到更充分的驱动,本级工作电流设为5mA。主放级和推动级静态电流取得较大,约为25mA,使之工作在纯甲类状态,为提高整机转换速率和拓宽频率响应打下了必要的基础。本机功率输出级采用三垦新款MOSFET,其特有的负温度特性,非常适合作纯甲类功率输出管。 
  
 调试时可先单独调试电压放大器,将CA两引脚短路,调VR1使第一级2k负载电阻上压降为6V,调VR2使输出中点为0V即可。最后调试功率输出级,使末级每管工作电流为550mA,每声道静态电流为1.65A,可输出约45W纯甲类功率(8Ω负载)。调试结束后取消CA短路线,煲机3个小时就能投入使用了。本机表现可概括为:温暖细腻,玲珑剔透,用它来重放人声堪称一绝,电路见图。

路过

雷人

握手

鲜花

鸡蛋

最新评论

QQ|Archiver|手机版|家电维修论坛 ( 蜀ICP备19011473号-4 川公网安备51102502000164号 )

GMT+8, 2025-11-22 06:32 , Processed in 0.223364 second(s), 17 queries .

Powered by Discuz! X3.5

© 2001-2025 Discuz! Team.

返回顶部