找回密码
 请使用中文注册

ETCQB-6360专业功率放大器电路

2023-5-5 11:25| 发布者: 开心| 查看: 43| 评论: 0

阅读字号:

摘要: 笔者最近收到同行送来的故障机壹台美国ETC公司的QB-6360专业功放,现将电路特点简介和整机实物测绘电路提供给大家。 该机属纯后级功率放大器,图1是一个声道的前置放大电路,信号输入端的卡侬插座和φ6.5mm大插座均采用 ...
    笔者最近收到同行送来的故障机壹台美国ETC公司的QB-6360专业功放,现将电路特点简介和整机实物测绘电路提供给大家。 该机属纯后级功率放大器,图1是一个声道的前置放大电路,信号输入端的卡侬插座和φ6.5mm大插座均采用平衡式输入,能与调音台进行标准的平衡配接。由三芯线输入的热冷端信号分别送到运算放大器NE5532的正反相输入端,放大后信号经音量电位器送到OCL助率放大电路。
  
 该机把OCL的差分输入和电压放大部分与推动分开,这是该功放的特点之一。 
输入级采用双差分电路,正负电源稳压成15V后为差分电路提供恒流源,同时也为运算放大器提供双电源。电压放大采用复合管方式是特点之二,高倍率的电压放大为后级提供足够的驱动电压。 

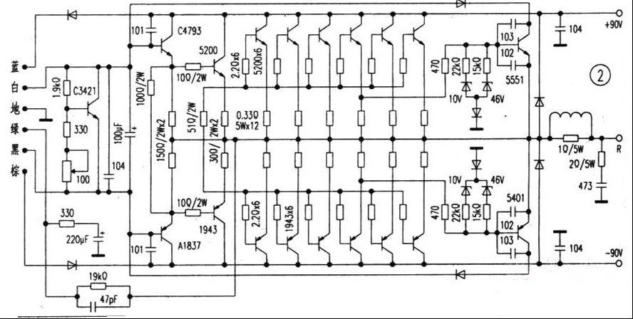
  图2是一个声道的OCL电路电流放大和功率输出部分组成的功率板电路图,电流放大采用两级放大是它的第三个特点,推动级采用大功率2SC5200、2SA1943可见其输出功率非同一般。功率输出使用六对2SC5200、2SA1943,供电电压是正负90V,最大输出功率近干瓦。
  
 
  该机设置了多种保护措施,图3是扬声器保护电路和电源启动延迟电路,图4是电源电路,电源变压器是1000W的大环牛,变压器次级双70V,整流滤波电容是四个6800uF的电解电容。开机瞬间滤波电容的电流是非常大的,将30W10Ω,金属壳限流电阻串联在初级输入电路中,数秒后滤波电容充电结束,启动延迟电路继电器JK闭合,短接了限流电阻恢复正常供电。这部分延迟电路延迟时间比扬声器保护电路的延迟时间短,不影响整机的正常工作。
  
 
  
 
  TR、TL是温度继电器,当整机温度过高时这两个温度继电器由常闭转为断开,整机停止供电,起到保护作用。图4是散热风扇控制电路,采用两个LM35温度传感器是该机的第四个特点。     刚开机时风扇经100Ω电阻压降后供电,当使用中散热片温度上升后,LM35输出电压的变化经运算放大器比较后驱动继电器JKa、JKb吸合,短接压降电阻使风扇高速转动,加速热量排放。
  

路过

雷人

握手

鲜花

鸡蛋

最新评论

QQ|Archiver|手机版|家电维修论坛 ( 蜀ICP备19011473号-4 川公网安备51102502000164号 )

GMT+8, 2025-11-22 03:06 , Processed in 0.181657 second(s), 17 queries .

Powered by Discuz! X3.5

© 2001-2025 Discuz! Team.

返回顶部