找回密码
 请使用中文注册

马兰士SR5000 AV功放电源及保护电路详解

2023-5-5 11:24| 发布者: 开心| 查看: 41| 评论: 0

阅读字号:

摘要: 笔者收到同行送来的故障机壹台马兰士SR5000型AV功放,其损坏原因为发烧友在摩机时喇叭输出板孔插错位,导致烧坏,开机没有反应。 该机有两个变压器,辅变压器为CPU与交流开/关机继电器RY91供电,安装在一块小的稳压板上。这个 ...
    笔者收到同行送来的故障机壹台马兰士SR5000型AV功放,其损坏原因为发烧友在摩机时喇叭输出板孔插错位,导致烧坏,开机没有反应。 

      该机有两个变压器,辅变压器为CPU与交流开/关机继电器RY91供电,安装在一块小的稳压板上。这个板子有RY91继电器。该板电路图实测如图1所示。 
  
    辅变压器次级电压为AC15V,经桥式整流滤波后输出直流电压为+18V。通过Q901稳压后得+12v直流电压。+12v电压有两路负载:一路是交流继电器RY91,由Q903控制(Q903由CPU控制。CPU型号为MP87MP178B);+12V另一路通过Q902稳压得到+5.6V直流电压。在交流继电器未吸合前,整机只有+5.6V电压。由CPU发出POWER—ON信号,使RY91吸合,主变压器得交流电压.对整机进行供电。 

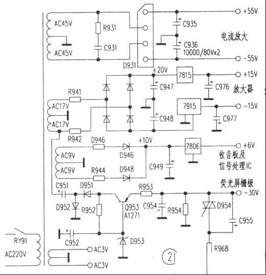
      主变压器供电系统图实测如图2。
  

  其次级交流45Vx2绕组,整流滤波后,获得+55V电压,供功放板用:17V×2绕组整流滤波后得+20V。通过7815、7915三端稳压器稳压后得±15V电压,供运算放大器用;9Vx2绕组整流滤波后,得+10V直流电压,经7806稳压得+6V电压。此电压供收音板及大板IC用电。交流3Vx2供屏光屏灯丝用电。屏光屏栅极-30V电压是由AC17V绕组倍压整流Q953稳压后获得。     屏光屏发光必要条件是CPU发出开机信号,有交流3V电压,栅极有-30V电压。由于交流继电器RY91不吸合,主变压器初级无电,故灯丝、栅极电压均无,所以屏不亮。测Q903的b极POWER—ON信号电压为零。测903的c极电压有+12V电压。但对CPU供电的+5.6V电压为0V。测稳压调整管902的c、e极开路。用2SD669代用后开机,测+5.6V正常。但仍三无。 
    用导线强制短接一下RY91触点,荧光屏亮一下,又马上黑了。强制开机测±55V正常,说明主变压器正常,功放板没有短路现象。拔去从电脑板到大板29芯排线,这时交流继电器能吸合,荧光屏可显示信号切换,调音量等面板操作信息正常,说明CPU工作正常,问题出在大板上。 

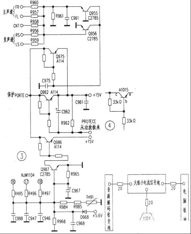
      排线共9芯,全用上了,其中值得关注的是29 SP-ON主声道喇叭控制,28  MUTE静音,27 S—ON副声道喇叭控制,26 PORTE保护。保护接口PORTE扩展电路实测如图3。
  

  保护接口吸收了4路保护信号:第1路为功放过压保护:第2路为功放过流保护;第3路为信号处理板工作不正常保护;第4路为主变压器过热保护。    过压保护工作原理:5个声道输出口都接有32k电阻到检测三极管Q955的c极及Q956的b极。这5个声道只要有1个声道输出端超过了+0.7V电压,则Q956导通、Q957导通,PORTE口为+15V电压,CPU发出关机命令。当输出端出现-0.7V电压时,Q955导通、Q975导通,CPU也发关机命令。 
    当功放板输出管电流大于0.7V时电流检测管Q681导通,-B电压经降压后加到Q962的b极,Q962导通,CPU发出关机命令。 
    当信号处理板正常时IC NJW11041 16、17、18(CSB、CS、AD0)电压为-4.7V,检测三极管截止:当信号处理板异常,CSB、CS、AD0为正电压时,Q987导通,CPU发出关机命令。 
    主变压器过热保护通过热敏电阻TH91检测。TH91紧紧安装于铁芯上,其正常阻值300Ω。当大变压器过热时,TH91阻值增大使Q987的b极电压抬高,使Q987导通,再使Q986导通,CPU发出关机指令。 
    断开功放板,以排除过压过流保护,继电器RY91仍不吸合。测PORTE口为+13V电压。说明大板有保护电压。依次小心焊下保护输出管。当拨到Q962时PORTE口+13V电压消失。测Q962的c—e极击穿。Q962型号为A114,是带偏置电阻的复合管。不能用普通PNP三极管代换,否则,一装上便烧,可按图4方法解决。把改装后的A1015装上原位,开机,荧光屏显示正常。但装上功放板,仍不能交流开机。说明功放有过压或过流故障。 

      该机5路功放电路线路完全相同,所用元件也相同。只要实测出一个声道即可了解其他声道。实测R声道电路原理图如图5。
  

  该功放电路很有特色。它没有采用平常所见差分输入电路,而是采用全对称,直流耦合,带中点电压校正交直流负反馈电路。输出对管采用名管:A1942/C3856。推动中功率管采用A1668/C4882。该放大电路有过流检测管Q681。当A1942/C3856过流时,Q681导通,其c极会出现负电压,使保护管Q962导通,CPU发出关机命令。     由于开机仍然三无,在线测主板大功率管(用数字万用表二极管挡检测),发现中置声道输出管击穿开路,再测推动管A1668/C4882也开路。大功率管用A1186/C2837(150V,10A,100W)代换,中功率管用A1859A/4883A代。不接音箱,开机,交流继电器RY91吸合,荧光屏显示正常。把音箱接好,输入CD信号,各声道推动音箱发出优美音乐。 

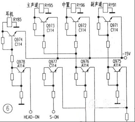
      马兰士SR500E/KIG喇叭控制继电器电路如图6所示。
  
    CPU检测输出门电压电流正常后,HEAD-ON,S-ON,SP-ON发出+4.7V电压,四个继电器吸合。 
    马兰士SR500E/KIG AV功放有四个地,如上图7所示。

路过

雷人

握手

鲜花

鸡蛋

最新评论

QQ|Archiver|手机版|家电维修论坛 ( 蜀ICP备19011473号-4 川公网安备51102502000164号 )

GMT+8, 2025-11-22 01:19 , Processed in 0.167846 second(s), 16 queries .

Powered by Discuz! X3.5

© 2001-2025 Discuz! Team.

返回顶部