找回密码
 请使用中文注册

QSA-1600专业舞台功放电路分析与维修

2023-5-5 11:24| 发布者: 开心| 查看: 28| 评论: 0

阅读字号:

摘要: 维修专业功放最难的是缺图纸和资料。为方便维修,对所收到故障机专业功放均实测出原理图,愿奉献给广大维修工作者。该QSA-1600专业功放电路结构分4大块:电源:信号输入方式选择,立体声与桥接选择;功放电路;喇叭 ...
    维修专业功放最难的是缺图纸和资料。为方便维修,对所收到故障机专业功放均实测出原理图,愿奉献给广大维修工作者。该QSA-1600专业功放电路结构分4大块:电源:信号输入方式选择,立体声与桥接选择;功放电路;喇叭保护电路。 
      QSA-1600功放电源为开关电源。其供电电压为±80V,±24V,+12V。每个声道一组开关电源,原理如图1。
  
 
  工作原理如下:开机整流+300V电压加到厚膜块(无型号)①脚,厚膜块开始振荡,从③、④脚输送开关脉冲到B2变压器③、④绕组。B2⑦、⑧绕组感应电压使Q2导通。Q1、Q2电流通过开关变压器B1②、③绕组。B3 5、6绕组负反馈绕组将反馈电压送入厚膜块⑦、⑧脚。B1④、⑤绕组为工作电压调整检测绕组,主要故障为厚膜块和大功率管损坏。厚膜块无型号,只能通过经销商购买。大功率管用1500V、10A三极管代换即可。若厚膜块损坏,还应检测整流管及±80V摅波电容。 
      QSA-1600信号输入方式有2种:即平衡式与非平衡式。平衡式输入方式信号不经NE5534放大,直接进音量电位器上端。非平衡式输入R、L声道信号均经NE5534放大,再到音量电位器上端。此机还有立体声与桥接切换开关。在立体声位置,R、L双声道经NE5534放大后进音量电位器。在桥接时,R声道信号不用。L声道信号在非平衡状态下,经NE5534放大进L声道音量电位器。R声道输入信号从L声道音量电位器滑动抽头取出音频信号经R5到NE5534②脚反桐输入。⑥脚反相输出到R声道音量电位器上端。桥接时R、L声道的输入与输出信号极性相反。喇叭接在R、L的正端子上,正极接L声道红端于,负极接R声道红端子。该部分主要故障为输入方式切换开关接触不良,以及运算放大器NE5534损坏。NE5534各脚功能见图3。
  
 
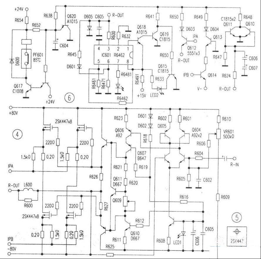
      QSA-1600功放R声道放大电路见图4。
  
 
  电路工作原理简述如下:Q605做二极管用,Q604为Q602、Q603恒流源。Q602为第一级信号放大管。Q603为中点电压校正管。D601、D602、LED1构成Q601、Q607,Q608 b极偏置稳压电路。Q606为第二级信号放大管。第二极信号加到Q607 e极。由于Q607 b极电压恒定,所以当e极电压变化时,相目当于Q607 be极电压变动,等效于信号加到b极。这种电路静态工作点非常稳定。音频信号经Q607放大后,直接推动Q609,另经c606(0.47uF)耦合到Q610 b极推动Q610。从Q609和Q610 c极取出上下组场效应管源极推动电压。该功放电流放大由16只场效应管担任,型号为2SK447。该功放直流电源是开关电源,用调压器调节无效。在维修功放板时,为防止烧管,可用变压器做维修电源,维修电压调在+20V即可。修理前把推动板拆下,直接搭接在外供直流电源。通电测中点电压,若不正常,把推动管拆去,再测Q607、Q608 c极电压绝对值,应大致相等。如不同,再拆去Q611。把Q603 b极接地,模拟中点电压为0V。再测Q607、Q608c极,绝对值是否一致。如不一致,检查D601、D602、LED1组成的偏置回路。Q607与Q608 c极电压绝对值一致再装调速管Q611及推动管Q609、Q610。测Q609、Q610 c极电压绝对值一致后再装输出管。输出管不要16只管一次装上试机,应装一对测一下中点电压,正常后再装下一对。装完后再测中点电压,正常后应试机30分钟。每个场效应管工作电流应调整在50—60mA内。注意信号输入端即C607负端不要开路,应接地后再维修,以免信号输入端开路,噪声电压升高导致损坏元件。     喇叭保护电路如图6,功能为延时开机,过流保护,中点电压失调保护。延时保护工作原理为:+24V对C604充电,当充电到1.4V后,Q616导通,Q617导通,继电器JQ601吸合,扬声器接通。过流保护由Q612和Q614担任,通过检测各场效应管源极负载电阻压降来判断是否过流。过流产生0.7V电压,三极管导通。Q612导通使Q620导通,Q616 b极电压为0V截止,Q617 b极断流而截止,JQ601释放,保护扬声器。Q614导通使Q613导通,负压引入Q620 b极使其导通,Q617截止,JQ601释放。中点正电压保护由Q610、Q611担任,当中点电压大于0.7V后,Q611、Q610导通使Q620导通,Q617截止,JQ610释放。Q610、Q611双管并用起双保险作用。中点负压失调由IC601、Q618、Q619担任。IC601型号为HA17393,是双电压比较器。其各脚功能如图6。②脚通过电阻R623接地。②脚为正极性输入,③脚为负极性输入。中点电压通过电阻R600输入到③脚。当负电压绝对值大于0.7V时,①脚输出负电压使Q618导通,Q619导通。最后使Q620导通,Q617截止,JQ601释放。喇叭保护电路若继电器JQ601不吸,先解除保护,即拆Q620,看JQ601吸否。若不吸即Q616、Q617、PF601、JQ601及外围故障。若吸合则保护检测电路故障。若正常,再装上Q620,把电阻R641、R650、649、R648全部断开看JQ601吸否。若正常.则逐一试接上,看JQ60l会否释放,接上哪个电阻,JQ601就释放,则哪路保护出问题。这样就缩小了检修范围。通过以上电路分析和维修要点简介,就很容易修理这台功放。

路过

雷人

握手

鲜花

鸡蛋

最新评论

QQ|Archiver|手机版|家电维修论坛 ( 蜀ICP备19011473号-4 川公网安备51102502000164号 )

GMT+8, 2025-11-22 10:04 , Processed in 0.179601 second(s), 17 queries .

Powered by Discuz! X3.5

© 2001-2025 Discuz! Team.

返回顶部