找回密码
 请使用中文注册

FU-29 AB1类推挽功率放大器

2023-5-5 11:24| 发布者: 开心| 查看: 37| 评论: 0

阅读字号:

摘要: FU-29为上世纪50年代北京电子管厂仿苏TY-15的小型VHF发射管,两种型号与美国RCA公司的829完全相同,FU-29被广泛用于工业控制、通讯领域。FU-29外形奇特,属非音响专用管,一般无音响应用参数。 FU-29内部 ...
    FU-29为上世纪50年代北京电子管厂仿苏TY-15的小型VHF发射管,两种型号与美国RCA公司的829完全相同,FU-29被广泛用于工业控制、通讯领域。FU-29外形奇特,属非音响专用管,一般无音响应用参数。 

      FU-29内部为两组束射四极功率管,两管阳极耗散功率的和为40W,最高阳极电压为750V,最高第一栅极电压为225V,功耗≤7W。本世纪初,日本音响杂志根据美国RCA公司发表的829的特性曲线族发表了将829用于AB1类推挽音响放大器的应用数据;采用一只829.利用其两组束射四极管组成AB1类放大,阳极电压600V,负载阻抗13.75k,栅负压-17.5V,两臂栅极间驱动信号电压35Vp—p时输出功率为44W。但是,阳极供电超过450V时,滤波电容的选择比较困难,变压器绕组也复杂。同时,高阳极电压供电使829最佳负载13.75k也嫌过高。故其后重新设计.将阳极电压降低为400V,第二栅极电压为200V,栅负压为16.5V,栅-栅极驱动信号电压峰值为33Vp—p,在最佳负载8k时可输出23W的功率,829的高跨导、高增益特性,使前级电压放大电路大为简化。 
  
     图1是实作电路。输出级用一只复合管829B(国产FU-29与之相同)接成固定栅负压的标准PP推挽电路,阳极电压为405V,第二栅极电压为200V,栅负压供电为-16.5V,两管阴极接有0.5Ω电阻,借以检测两管静态阳极电流。按829B动态特性,输入信号为零时两管静态阳极电流应为2x30mA,也即0.5Ω电阻上压降为60mAx0.5Ω=0.03V。此点为829B在AB1类的静态工作点。复合管的最大优点是,两四极部分对称性极佳,所以,上述静态阳极电流60mA时,两部分栅负压由VR调整至-16.5V即可,而不必担心两部分电流是否平衡。故此,栅负压电路只设两只电位器VR,而不另设静态平衡调整电路。在上述工作状态,829B两栅极间驱动信号电压为33Vp—p时最大输出功率近30W。为了降低非线性失真度,在输出级加入本级电压负反馈约-10dB,负反馈电阻由两只900k电阻实现。本级负反馈是将阳极输出电压反馈到本级栅极,为了避免采用隔直流电容,此处则反馈到前级电压放大器阳极,实际等效于本级栅极。该负反馈电路使输出级增益降低,栅极驱动信号电压增大为约2x37Vp—p,可作为设计前级电路的依据。该后级放大器设计输出20W时输入电压为0.5Vrms,即输入电压峰值700mV则前级放大器电压增益K=37Vp—p/0.7V≈53倍。由于驱动推挽电路还需加入倒相级,以形成反相位的2*37V输出信号电压。 
    前级电压放大兼倒相采用RCA的双五极复合管6J11,接成长尾式倒相器。采用6.5mA恒流源电路,从而使此前级无负反馈增益可达到40dB。 
    RCA生产的双五极管6J11,为小型无管蒂12脚管,原设计用于电视机场前级多谐振荡器,其最高阳极电压330V,阳极功耗小于3.1W。典型跨导值13mA/V,内阻200k。可以用两只国产6J1代用,代用后只需将第二栅极降压电阻200k改为470k。 

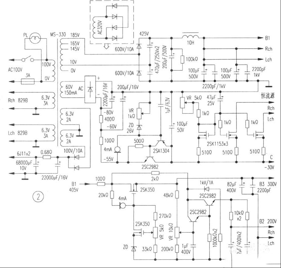
      该机的电源部分属典型应用例,电路如图2所示。
  
 
  输出级405V供电采用AC175V倍压整流输出405V电压,此种供电方式除了将就已有电源变压器以外,别无任何好处。倍压整流电压随负载电流变动极大,达到40~200mA,如购置或自绕变压器,建议改成虚线所示A图,电压调整率可更好。     阳极供电405V之后,还有300V和1200V两组电子稳压器,200V输出电压只向829B第二栅极供电,双声道用两只829B,负载电流30mA。 
    原机采用成品XE-45-8型输出变压器,初/次级阻抗比为8k/16Ω、8Ω、4Ω和负反馈专用16Ω绕组。可自行绕制推挽输出变压器,数据如下:
    铁芯截面S=32mmx38mm,铁芯为每两片交插,不留气隙。初级P1~B~P2 2200+2200匝线径0.18mm,次级0~8Ω线径0.8mm 130匝,负反馈绕组16Ω线径0.31mm 190匝。 

      可采用两槽骨架,绕组分布及相位关系如图3所示,先绕NFB绕组N1,绕至中间隔可锯长口跨过,尾为N2,然后垫入一层电缆纸。同法绕制0-8Ω绕组。初级绕组2x2200匝,对称地分布于两槽内,两绕组均将开头设为B端,但B、P2绕制为反向(将骨架取下反一方向装上绕线机)。最后两组的头相连为B,尾各为P1、P2。 
  
    电路的调整:将各输出端电压空载,此时B1有480V左右(倍压电路时),若采用桥式电路则为450V左右。此时调整VR5k、VR10k仍可使B2为200V,B3为300V。最后调整-30V输出,调整VR1k使-30V为(30±1)V。恒流电路可暂时将VR5kO调整至80%(4k/附近)。此时可将-30V与共地、主机相连。用内阻1M/V数字电压表检测829B第一栅极对地电压应为-16V~-18V之间,如偏差太大,可先将VR5k调至中点,调整VR3k使电压准确(不可低于-16V),然后接通B1、B2,再次精调偏置电位器VR3k,使两四极管栅极电压为-16.5V,如两者有差别可微调VR5k。由于两电位器有相互影响,应多次修正,使栅负压均为-16.5V,此时检测829B阴极对地有30mV压降。B1在加入60mA静态电流时,倍压整流、桥式整流电路输出电压均有所降低,如静态B1超过450V也无所谓,束射管829B阳极电压对阳极电流控制能力极差。关键是作动态调整时输出功率达到20W以上,B1的最大电流可以达到180mA或以上,此时倍压整流输出电压会大幅下降为不足400V,从而形成大信号失真,如改为桥式则明显好转。要注意B2决不允许超过225V,否则有损829B。同理,栅负压绝对值也不允许低于-16.5V,调试中随时注意。 
    该机调试中,两路负反馈中功放829B本级负反馈不必调整,只要配用900k反馈电阻即可。5pF电容为高频相位校正,为稳妥起见,可增大为10—150F。大环路反馈接入后,如有振荡,可将输出变压器的P1、P2两引线对调,如果要改变大环路反馈的反馈量,其值由(1+1.5)k/82Ω设定,若减小反馈量可增大1k、1.5k电阻值或减小82Ω电阻,反之则相反。

路过

雷人

握手

鲜花

鸡蛋

最新评论

QQ|Archiver|手机版|家电维修论坛 ( 蜀ICP备19011473号-4 川公网安备51102502000164号 )

GMT+8, 2025-11-22 01:20 , Processed in 0.177713 second(s), 17 queries .

Powered by Discuz! X3.5

© 2001-2025 Discuz! Team.

返回顶部