找回密码
 请使用中文注册

6C19 AB类推挽功率放大器

2023-5-5 11:24| 发布者: 开心| 查看: 29| 评论: 0

阅读字号:

摘要: 说6C19这只管子之前先说说阻尼系数。阻尼系数是指放大器在信号消失后控制扬声器纸盆运动的能力。因为喇叭的音圈、振膜都有一定的重量,当一个正向的电信号流入音圈引起机械运动(比如说是向前)时,下一个负向的 ...
    说6C19这只管子之前先说说阻尼系数。阻尼系数是指放大器在信号消失后控制扬声器纸盆运动的能力。因为喇叭的音圈、振膜都有一定的重量,当一个正向的电信号流入音圈引起机械运动(比如说是向前)时,下一个负向的信号应该使音圈向后运动,但音圈和振膜还在惯性的作用下继续着上一个信号产生的机械运动,这就产生了放音失真。如果功放可以在很短的时间内,制止这种惯性的运动,那么放出的声音就会干脆、快速,当这种惯性作用持续的时间恰到好处的时候,喇叭就能在功放的控制下发出与音源相同的声音。 
    放大器的内阻越小,抵消惯性振动的作用就越强,阻尼系数高,扬声器还原声音真实才小。音响系统中功率放大器对音箱(喇叭)的控制力(阻尼系数)是一项非常重要的指标,而功率管的内阻又是控制力好坏的重要因素之一。电子管300B和2A3在音响发烧圈中的名气大,一个重要指标就是它们的内阻低。 
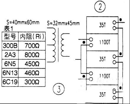
    6C19同样是一只低内阻三极管,阳极电流可达105mA,最大阳极耗散功率11W,内阻低至300Ω,在围产小9脚管中是绝无仅有的,甚至远远低于300B和2A3。几种低内阻管的比较见表1。6C19不但内阻低,而且价格非常便宜。买一对300B的钱可以买儿百只6C19。笔者是一名工薪族发烧友,崇尚理智发烧自己动手的DIY精冲。笔者认为,无论器件身价高低,能调出好声,能满足自己发烧欲望的就是好东西! 
    笔者查阅资料,借鉴名机电路,用6C19这只廉价管精心制作了收到其他维修同行的一台AB1类推挽功率放大器,输出功率12W。下面介绍给大家,希望抛砖引玉,有待提高。 

  一、电路特点 
  采用6N11做电压放大和P-K分割倒相,6N6推动,6C19功率输出,电路见图1。6C19功率管采用自给偏压,静态电流55mA左右,可通过调整R13的阻值调整阴极电压,从而调整其偏压值和工作点。R13可用多只电阻并联使用,总瓦数大一些好。 
  
    一般认为,P—K分割倒相电路无须调整,在电子管的屏极和阴极接入阻值相同的电阻,因为它们足串联关系,串联电路电流处处相等,就会得到幅度相等而相位相反的两组电压。其实不然,实际上在分割倒相电路中,由于负载是输出变压器,不是纯电阻,它的阻抗是随频率变化的,输出阻抗的不同导致不同频率时两路输出不平衡,造成阴极输出端的信号电压总是高于屏极输出端的信号电压,这时P-K分割倒相电路的特点同时也是它的弱点。因此屏极电阻R4的值应该比阴极电阻R5的值大一点,并且应该在调整中确定其阻值。具体方法是在输入端输入3kHz一5kHz正弦波信号,测量两路输出电压,通过调整R4和R5的阻值,使输出电压基本相等即可。 

  

  二、输出变压器
    6C19内阻低,输出变压器绕制相对简单。用片厚0.35mm,舌宽32mm,叠厚45mm的EI型高硅片铁芯,初级用φ0.27mm漆包线绕1100匝+1100匝(800Ω),次级用φ0.80mm漆包线绕105匝(8Ω)。初、次级采用3夹2结构,初级1100匝+1100匝,次级35匝+35匝+35匝,初级夹在次级之间,硅钢片交叉插,见下图3(图2和图3在一起)。 
  

  三、电源变压器
     电源变压器采用成本较低、片厚0.5mm的电脑ups电源拆机铁芯,舌宽40mm,叠厚60mm,初级220V用φ0.80mm漆包线绕550匝,次级高压180V用φ0.57mm漆包线绕450匝,6N11、6N6灯丝绕组用φ1.62mm漆包线绕16匝,6C19灯丝绕组用φ1.50mm漆包线绕16匝,初次级之间用厚0.2mm铜皮做静电屏蔽,见图2。
  

  

  四、整流滤波电路
    整流采用摩托罗扎快恢复二极管,型号MR751,反压600V,电流6A。阻流圈采用0.5H 500mA大电流型的。因为整流滤波电路也是信号通道,在每只大电解电容上并联小容量的薄膜电容,对整机的频率延伸有利。 
  

  五、机内连接线
    应该采用质量较好,纯度高的铜线进行元件之间的连接,特别是信号线不能马虎,一定要用质量好的耐高温镀银屏蔽线。焊接层次一是接地线和灯丝线贴近底板走线,并将所有需要接地的元件焊接完毕。二是悬空焊接各级耦合电容,最后用φ0.8mm的漆包线套上耐高温塑料套管,悬空直线连接B+高压供电线。这样的分层次布线方式能够最大限度地减少寄生耦合,提高信噪比。 
  

  六、煲机和调试
    一般说来,新机只要线路连接准确无误,通电都能出声。这种情况下,只要各级电压在±10%的范围内,先不忙细调,煲机一周,再按照前述步骤和要点进行调试。调试完成后,再接上负反馈电阻R14,R14的阻值由听音效果决定。 
  

  七、音响效果
    煲机一个月后复调后,性能基本稳定、自认为满意后用车运到朋友家,与他的300B对仗。音箱是一对8英寸三分频灵敏度90dB落地箱,索尼CD机,先后播放了人声、弦乐和交响乐,音效与300B相比各有千秋,低音结实有力,拳拳到心,高音亮而不噪,清脆悦耳,音色自然柔顺,解析力相当高。在播放大动态交响乐时,其动态感和力度甚至超过300B。6C19很强的电流输出能力,是这款机器效果令人满意的基础。设想,如果用8只6C19做并联推挽功放呢?这是笔者的下一个目标。

路过

雷人

握手

鲜花

鸡蛋

最新评论

QQ|Archiver|手机版|家电维修论坛 ( 蜀ICP备19011473号-4 川公网安备51102502000164号 )

GMT+8, 2025-11-22 04:47 , Processed in 0.177490 second(s), 17 queries .

Powered by Discuz! X3.5

© 2001-2025 Discuz! Team.

返回顶部