找回密码
 请使用中文注册

直耦式OCL电子管耳放

2023-5-5 11:24| 发布者: 开心| 查看: 44| 评论: 0

阅读字号:

摘要: 利用“差动电路双端输出时,其负载两端悬浮”(任何一端都不接地)的原理,笔者尝试性地制作了一款直耦式电子管耳放(OCL),并一举获得成功。电路原理见图2(另一声道同),采用“电子管差动+双路和田茂SRPW”无级 ...
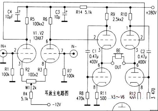
    利用“差动电路双端输出时,其负载两端悬浮”(任何一端都不接地)的原理,笔者尝试性地制作了一款直耦式电子管耳放(OCL),并一举获得成功。电路原理见图2(另一声道同),采用“电子管差动+双路和田茂SRPW”无级间负反馈结构(原理读者可自行分析,此不赘述)。 
  
    差动电压放大管V1、V2选择曙光出口型12AX7。功放管选用专为阴极输出器设计的6N6 (其灯丝与阴极间耐压高达±200V,SRPP结构时不必再增设灯丝电位抬高电路,输出内阻在和田茂SRPP电路连接时理论值可低至5Ω,完全可推动32~600Ω耳机),尽量选用同年份同序号的T级管。W1选用带锁紧螺母的精密可调电位器。C1、C2选用0.47uF/400VSPRAGUE VQ电包容。 
    调试时要待电子管进入热稳定状态后进行(约需四五分钟)。在不接负载的情况下,用万用表监测OUT输出端直流电压,调W1使OUT输出端直流电压为零,再锁紧螺母即可。

      本电路可单端输入(正、反相输入均可),也可差动平衡输入。耳机的接线一般要改造为完全独立的“双双路”接线后方可与本电路直接连接(耳机的接线一般共用地线)。需要谨记的是:在使用时,耳机的任何一端都不得与电路公共地端(金属机壳)相连,否则,高达140V的电压瞬间烧毁耳机(读者可自行加接输出直流检测保护电路;耳机输出端接口最好用非导电板材固定后再固定在金属机壳上)。
  
     电源部分笔者推荐使用“双πCLC”摅波电路。图1电源部分的15H 50mA滤波电感是取自2.5A电能表的电压线圈(性价比特别高)。实践表明,只要取值恰当,“双πCLC”有比简单的电子管稳压电路更优良的滤波性能,其声音的空气感和鲜活感是简单的电子管稳压和晶体管稳压电路所无法比拟的。由于差动电路本身具有较强的共模噪音抑制能力,故本电路的电子管灯丝依然采用传统的交流供电,本电路的本底噪音可以说低得出乎你的预料。 
    直耦式电子管耳放音质怎样,你操起烙铁试后便知。

路过

雷人

握手

鲜花

鸡蛋

最新评论

QQ|Archiver|手机版|家电维修论坛 ( 蜀ICP备19011473号-4 川公网安备51102502000164号 )

GMT+8, 2025-11-21 22:52 , Processed in 0.178780 second(s), 17 queries .

Powered by Discuz! X3.5

© 2001-2025 Discuz! Team.

返回顶部