找回密码
 请使用中文注册

反向并联推挽功放

2023-5-5 11:23| 发布者: 开心| 查看: 27| 评论: 0

阅读字号:

摘要: 50年前,匈牙利音响爱好者介绍一款特殊的功放电路,由于该电路的管型号和阻容件不清楚,当时吉林的爱好者下功夫反复安装试验,经过长达5年的时间,终于成型。放音很满意,由于当时开展了全国性的文革运动,这 ...
    50年前,匈牙利音响爱好者介绍一款特殊的功放电路,由于该电路的管型号和阻容件不清楚,当时吉林的爱好者下功夫反复安装试验,经过长达5年的时间,终于成型。放音很满意,由于当时开展了全国性的文革运动,这项试验也无法继续下去。
  
 图1是反向并联推挽功放电路,此机用在单位交谊舞晚会上,用CD机做音源,连续放十首前苏联的舞曲,震动全局,都说好听,曲曲听不够。下面介绍该机特点: 

  一、功放机特别是胆机,在整流滤波过程中,尽管作了最大的努力,仍然存在交流声,这是因为交流声的频率很低,经全波整流后波纹是100Hz,所以加大滤波电容量,也不能达到纯直流的目的。电路采用反向并联推挽输出,在结构上自动消除了交流声,它的原理如同力学原理一样,即大小相等,方向相反的力,作用在一条直线上,合力为零,所以本机的滤波电容不必太大,20uF~50u已足。
  

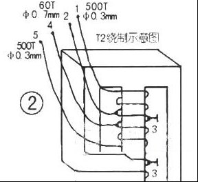
  二、胆机功放多采用屏极输出,为了匹配,必须采用输出变压器,这就要求质量很高的输出变压器,实际上再好的输出变压器在运行中都会产生相位失真、频率失真和匹配失真,这款电路采用阴极输出,由于阴极输出的阻抗仅为屏极输出的1/4,而且采用自耦变压器,有效地消除了频率失真、相位失真和匹配失真。由于采用阴极输出,输出变压器接受的音频电压降低了,但是音频电流增大了,所以输出功率不会降低,该机输出功率12W左右。输出变压器T2绕制如图2所示。
  
 
  要求铁芯截面积不得小于5cm2,②-④绕组线径要求不低于φ0.7mm。②-④绕组共60匝,在30匝处抽头为接地点,接地点代号“3”,总匝数为1060匝,中间60匝接音箱。
  

  三、该机的难点在于电源变压器,要求两组独立的高压绕组,数据见图3。 

路过

雷人

握手

鲜花

鸡蛋

最新评论

QQ|Archiver|手机版|家电维修论坛 ( 蜀ICP备19011473号-4 川公网安备51102502000164号 )

GMT+8, 2025-11-21 23:34 , Processed in 0.149382 second(s), 17 queries .

Powered by Discuz! X3.5

© 2001-2025 Discuz! Team.

返回顶部