找回密码
 请使用中文注册

一款石胆功率接续器

2023-5-5 11:23| 发布者: 开心| 查看: 29| 评论: 0

阅读字号:

摘要: 上世纪八十年代,全国掀起大办农村广播网的热潮。我县生产队由上、下两个村构成,在两村交界处,一棵9米高的电杆拴两只25W的高音喇叭,一只对准上村,另一只对准下村,用收到其他维修同行的一台5W晶体管三用机对全乍产队社员进行 ...
    上世纪八十年代,全国掀起大办农村广播网的热潮。我县生产队由上、下两个村构成,在两村交界处,一棵9米高的电杆拴两只25W的高音喇叭,一只对准上村,另一只对准下村,用收到其他维修同行的一台5W晶体管三用机对全乍产队社员进行广播。由于三用机输出功率小,住在远处的社员听不清广播内容。 

      生产队委托笔者给他们搞收到其他维修同行的一台50W的扩音机,当时的价位在2500元,生产队无力承担该笔费用。于是决定在原有5W三用机的输出级之后,加一个由两只FU-7构成的50W功率放大接续器。电路如图1所示。 
  

  一、50W功率接续器工作原理
  
     电路由一对FU-7电子管(V1、V2)组成乙类功率放大电路,额定输出功率50W。 
    T1为输入变压器,用一只5灯电子管收音机电源变压器代替,输入端为6.3V的灯丝绕组;次级为AC250VX2高压绕组,中心抽头接FU-7阴极,另外两个头分别接V1、V2的栅极(第2脚)。信号从初级灯丝绕组输入,经升压后,从高压绕组两端输出,推动V1、V2工作。 
    R2、R3为栅极限流电阻,防止大电流将电子管栅极烧坏。 
    T2为50W成品(专配FU-7)推挽输出变压器,初级P高压端分别接V1、V2屏极,中心抽头+B接+610V;次级8Ω输出端并接两只16Ω25W的高音喇叭。 
    直流高压由AC220V经D1、D2、C1、C2倍压整流滤波后得到+610V电压供给V1、V2屏极,R4为泄放电阻。 
    V1、V2的灯丝由一只15W6.3V的灯丝变压器T3供电,ZD为指示灯。 
    由于T1、T2、T3的隔离作用,故二三用机底板,外壳及高音喇叭均不带电,使用起来很安全。 

  

  二、星火5W3-1型三用机简介 
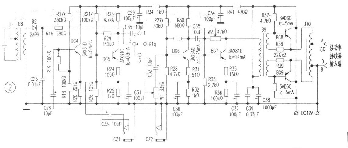
      图2为星火牌5W3-1型晶体管三用(收音、扩音、对讲)机的扩音部分电路图。
  
 
      K19为功能转换开关,当动触点转到“1”时为扩音,对讲(暂不用);当转到“2”时为收音机中波,转到“3”时为短波。
      B10为自耦变压器,其特点是损耗低,效率高。 
    CZ2为话筒输入插孔,CZ1为拾音插孔。 
    三用机电源由一套12V的稳压电源供电。 
  

  三、系统连接及调试 
    50W功率接续器组装完毕,检查无误后,在T2次级的8Ω输出端并接入两只16Ω25W的高音喇叭Y1、Y2,把输入端A1、B1分别接入三用机8Ω输出端A、B,二者接成一个放音系统。接通电源,分别向系统输入“收音”、“拾音”、“话筒”信号,播音正常,调试结束。 
    经长期使用证明,该系统具有以下优点: 
    1.输出功率大(额定50W,最大70W)音质好,保真度高,功能齐全。 
    2.隔离性能好,底板、机壳不带电,使用安全。 
    3.投入资金少:功率接续器耗资155元,三用机购置费150元,整个放音系统造价305元,仅为购又收到其他维修同行的一台50W电子管扩音机费用的12%,而该系统的功能、电器性能可与50W电子管扩音机相媲美。 
    对在当时资金极度匮乏的生产队而言,该系统不失为一种优良的组合,对于今天的农村有线广播仍然有借鉴意义。

路过

雷人

握手

鲜花

鸡蛋

最新评论

QQ|Archiver|手机版|家电维修论坛 ( 蜀ICP备19011473号-4 川公网安备51102502000164号 )

GMT+8, 2025-11-22 06:23 , Processed in 0.178229 second(s), 17 queries .

Powered by Discuz! X3.5

© 2001-2025 Discuz! Team.

返回顶部