找回密码
 请使用中文注册

LM3886功放电路升级实践

2023-5-5 11:23| 发布者: 开心| 查看: 38| 评论: 0

阅读字号:

摘要: 笔者是一名无线电爱好者,退休后有充裕的时间进行音响发烧制作。前段时间用LM4562双运算放大器做前级,配清华大学吴刚工程师的LM3886功放电路,装机完成试听半年之久,音响效果非常理想。朋友们试听对比后都认 ...
    笔者是一名无线电爱好者,退休后有充裕的时间进行音响发烧制作。前段时间用LM4562双运算放大器做前级,配清华大学吴刚工程师的LM3886功放电路,装机完成试听半年之久,音响效果非常理想。朋友们试听对比后都认为和市场售价干元左右功放机不差上下。推动6英寸左右的两分频书架音箱最为理想,电路见图1。
  
 
  图中只画出一个声道,电源共用。发烧友不妨一试。 
  

  一、元件选择
  RF3是将扬声器包含在反馈网络的悬浮接地电阻,一定要选用KOA牌无感电阻,功率在3—5W。其他电阻全部用5色环或红色金膜电阻。后级整流选用6A200V二极管,滤波电容采用日本红宝石1000uF/50V电解电容,LM4562的交连电容一定要选择名牌电解电容,隔直电容选用钽电容。线路板最好选用双面环氧板。3886选用T型(背面金属片绝缘型的)安装比较方便,如果选用普通型的3886,那么安装散热器不能与地和其他线路接触。3886满功率输出时发热最较大,需配中型散热器。电源变压器选用200W的环变。 
      扬声器保护电路采垌延时电源(图2),该延时电源的延时长短取决于电路中的220uF电容的容量,只要延时约2~3秒即能正常工作。开机测量输出端回零,功放电源平衡(注意:在测试时输出端接上假负载),当测量正常后接入音箱开大电位器音量,耳贴近音箱听不见一点噪音。 
  
     音质调试  LM4562配LM3886,它们的工作性能十分稳定,输出零电位非常理想,调整电压负反馈和电流负反馈电阻使音质弹跳力好音乐感强。调试前先将图1中的R6、R9用可调电阻调到中间位值,音量电位器PR1A开到中等音量,选择耳熟的试音碟作对比,慢慢调整R6到最好听,用同样方法调整R9到最好听,这样反复调整三到四次即可,调好后按确定阻值换上固定电阻。因两块LM3886是同一批次的,R声道完全按A声道焊装,一装就好不需调试。 

  

  二、试听和改进
  整机试听感觉音频宽度和弹跳力明显优于普通的3886功放,可总感到细小信号不那么清晰明快,经分析这种现象主要是前级输入、输出的的交连电容层次单一和对地隔直电容有关。因此在交连电容上并接了0.22uF-0.1uF的小电容,对地隔直电容100uF电解电容换成了钽电容并接一只小电容,运放电源输入端也并接了0.1uF的小电容。小小的改动效果大不一样,再开机试听细小信号清晰明快,高中低音都很理想,LM4562是为音响前级量身制作的好运放,价格虽贵些还是值得的。 
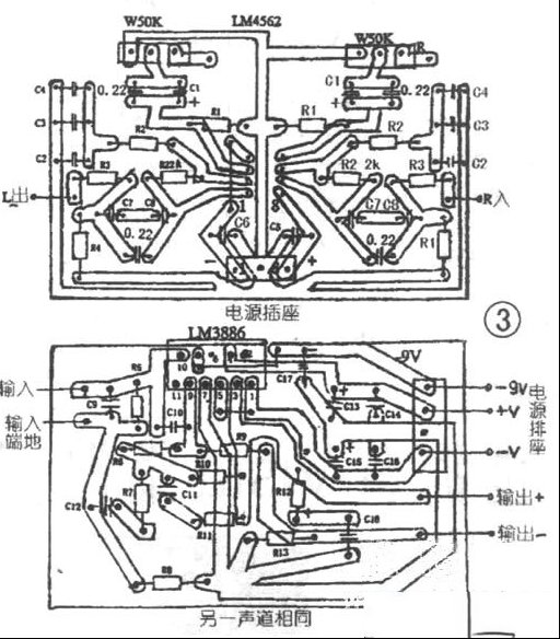
      该功放的安装底板图见图3,读者可按自己的机箱自行设计。 
  
    该功放是前后级都是悬浮接地,它的一点星型接地与其他功放不同,机壳输入插孔的地不能与功放的后级地相接而和功放输入端地相接。前级一根导线将前级地与机壳相接。本机的输出功率2*68W(RMS)。前后级及电位器的信号连线一头接地。

路过

雷人

握手

鲜花

鸡蛋

最新评论

QQ|Archiver|手机版|家电维修论坛 ( 蜀ICP备19011473号-4 川公网安备51102502000164号 )

GMT+8, 2025-11-21 23:19 , Processed in 0.165316 second(s), 17 queries .

Powered by Discuz! X3.5

© 2001-2025 Discuz! Team.

返回顶部