找回密码
 请使用中文注册

高保真放大板LM3886

2023-5-5 11:23| 发布者: 开心| 查看: 34| 评论: 0

阅读字号:

摘要: 本文所介绍的LM3886高保真放大板,采用了美国NS公司(国家半导体公司)推出的新型高保真音响功放集成电路LM3886TF作功率放大,用运放NE5532或AD827作前置线性放大和音调放大。其特点有:输出功率大(连续输出功率 ...
    本文所介绍的LM3886高保真放大板,采用了美国NS公司(国家半导体公司)推出的新型高保真音响功放集成电路LM3886TF作功率放大,用运放NE5532或AD827作前置线性放大和音调放大。其特点有:输出功率大(连续输出功率78w)、失真度小(总失真加噪声<0.03%)、保护功能(包括过压保护、过热保护、电流限制、温度限制、开/关电源时的扬声器冲击保护、静噪功能)齐全,外围元件少,制作调试容易,工作稳定可靠。 
  

  一、电路及元器件简介
  

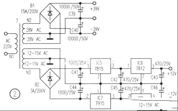
      电路如图1及图2,电路由输入电路、前置放大电路、音调放大电路、静噪电路、功率放大电路、扬声器防冲击电路、电源电路、电源稳压电路组成。以左声道为例:由RP1A控制音量的大小,RP2控制左右声道平衡;前置放大电路是由IC1A组成的20dB增益线性放大电路;音调放大电路由IC2A、RP3A、RP4A组成,RP3A控制低频,RP4A控制高频;静噪电路由R25、R26、R27、R28、R19、R45、VD1、VD2、C21、C22、C17、C35组成,其功能为在电源开/关时配合LM3886内部的扬声器防冲击电路,提供对扬声器很好的保护;功率放大电路由Ic3等组成。右声道的结构与此相同。各电路所需正、负12v直流电压由环形变压器T的次级绕组N3输出双12~15v交流电压经B2整流,c41、c42、c43、c44、c45、c46滤波,Ic5、Ic6、Ic7、Ic8二级稳压后提供;功率放大电路所需正、负39v直流电压由环形变压器T的次级绕组N2输出双28v交流电压经B1整流,c39、c40滤波后提供。
  


  二、工作原理 
    刚接通电源时,功放Ic3和Ic4的①、⑤脚的电压同时升高,④脚的电压同时下降,当①、⑤与④脚的电压差小于14v或④脚的电压未低于-9v时,功放Ic内部全部的电流源均处于关闭状态,放大器输出级处于高阻抗输出状态,放大器输出端的电压为0v;当①、⑤与④脚的电压差大于14v而且④脚的电压低于-9v时,各功放Ic内部电流源的状态和输出级的工作状态由⑧脚的状态决定;与此同时,Ic6的③脚的电压升高,Ic8的③脚的电压下降并经R25对电容c21充电,约2—3秒后c21两端的电压充到-3.6v,VD2反向击穿, 
功放Ic3、Ic4的⑧脚开始有输出电流,当C21两端的电压充到-9v时,Ic3、 
Ic4的⑧脚输出电流达到0.5mA,Ic3、Ic4内部各电流源扣开,输出管导通,Ic3、Ic4正常工作。这时,Ic1、Ic2、Ic3、Ic4的电源电压都已稳定,功放Ic3、IC4的输出端电压为0V,无冲击电压出现,从而避免接通电源时对扬声器的冲击。 
    关断电源后,Ic3和Ic4的①、⑤脚电压从+39v迅速下降,Ic3和Ic4的④脚电压从-39v迅速回升,当Ic3和Ic4的①、⑤脚与④脚的电压差小于14v或④脚的电压高于-9v时,Ic3和Ic4内部全部电流源都关闭,输出级处于高阻抗输出状态;与此同时,Ic8的③脚的-12v直流电压开始回升,电容c21的电荷通过VD1迅速泄放,当c21的电压回升到高于-9v时,Ic3和Ic4的⑧脚的输出电流小于0.5mA,Ic3和Ic4内部全部电流源都关闭,输出级处于高阻抗输出状态,输出端电压为0v,无冲击电压出现,从而避免关断电源时对扬声器的冲击。

  三、元件选择 
    T是300w(输出交流双28v、双12—15v)环形变压器,整流桥堆B1用15A/250V以上,整流桥堆B2用3A/250v以上。功放Ic3、Ic4用LM3886TF(绝缘型),运放Ic1、Ic2用菲利普的NE5532、OP275或AD827等。电阻全部用1/4w优质金属膜电阻,所有电解电容为优质铝电解电容或钽电容,其中c39、c40用优质10000uF/50v小型电解电容(直径3cm);其它电容为优质涤纶电容或聚内烯电容,所有电容的耐压均为50v以上。线路板为专业线路板厂生产的绿色阻镀金环氧线路板,散热器为铝散热器。电感L1、L2用直径φ1mm的漆包线在φ8mm的圆棒上绕10圈而成,其它元器件全部用优质品。 

  四、组装与调试 
    先检查元件质量,然后安装。安装元器件时先小后大,最后装LM3886TF。焊LM3886TF时,要拔掉电烙铁的电源,用直径φ3mm的螺钉把散热器固定在线路板上,在LM3886TF与散热器间涂散热硅脂,然后用螺钉把LM3886TF固定在散热器上;将RP1、RP2、RP3、RP4的金属外壳用导线连通接地;然后通电+39v,④脚应为-39v,Ic1和Ic2的⑧脚应为+12v,④脚应为-12v,VD1的正极应为-12V,Ic3和Ic4的③脚应为0v,如不符合应检查相应的电源电路。电源正常后,接上扬声器和信号源,调节RP3、RP4,使高、低音略为提升,凋节RP1使音量适当,调节RP2使左、右声道音量平衡。

路过

雷人

握手

鲜花

鸡蛋

最新评论

QQ|Archiver|手机版|家电维修论坛 ( 蜀ICP备19011473号-4 川公网安备51102502000164号 )

GMT+8, 2025-11-22 00:45 , Processed in 0.175612 second(s), 16 queries .

Powered by Discuz! X3.5

© 2001-2025 Discuz! Team.

返回顶部