找回密码
 请使用中文注册

杜比虚拟环绕声芯片QS7779

2023-5-5 11:23| 发布者: 开心| 查看: 52| 评论: 0

阅读字号:

摘要: 概述:QS7779采用著名的加拿大Q-Sound音频实验室技术Q-Surround并由日本公司Seponix生产的QS7779PF/QS7779CF的音频处理Ic,可以真正在二路立体声系统中使杜比环绕声实现虚拟化,即用二路扬声器可聆听三维杜比 ...
    概述:QS7779采用著名的加拿大Q-Sound音频实验室技术Q-Surround并由日本公司Seponix生产的QS7779PF/QS7779CF的音频处理Ic,可以真正在二路立体声系统中使杜比环绕声实现虚拟化,即用二路扬声器可聆听三维杜比定位环绕声。由于它根本有别于如SRS5205、YSS247等纯三维增强Ic(严格讲这些Ic还不能产生环绕声),在听感上不但能产生三维的空间感,且使得音源各种声响的定位得以在声场中准确而清晰地再现,完全没有散音的感觉。同时,由于Q—Surround技术的幅频特性在20 Hz~20kHz内相当平坦,所以听觉没有耳压感和不耐听的厌烦感,即便欣赏火爆的枪战、惊涛巨浪的场面,你也会感到震撼而又自然。 
  

      图1是QS7779的工作示意图,信号输入先经矩阵解码.(相当于三洋LV1035杜比解码Ic),将解码出来的环绕信号再经Q—Sound的虚拟化处理,最后经过3D的空间增强处理(相当于SRS)后输出,Q-Sound在20Hz~20kHz内相当平坦,既可以实现虚拟3D的空间增强立体声,又不至于产生幅频特性的失真,而事实上,在用Qs7779聆听各种节目时你会感到非常自然舒畅,同时在播放普通的立体声节目时(不带杜比解码),同样有很强的3D空间感,各种乐器的定位保持不变,人声亦保持其原来的位置。另外,值得指出的是,在播放普通CD唱片(无论歌曲或音乐),并经QS7779处理后,其音质的透明度、清晰度都有明显的改善。
  

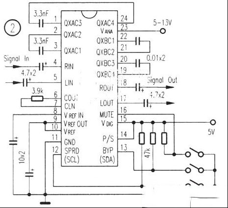
   图2为Q-Sound提供的典型应用电路,各输出模式与各控制端的逻辑关系见附表。 
  

    ①②③、19、20、21、22、24脚为3D增强电路的外接电容脚,④⑤脚为信号输入端,17、18脚为输出端,⑥脚为中间声道信号输出端,可单独接一功放推动中间音箱。但一般通过一电阻输入到⑦脚,通过Ic内部合成,再由17、18脚开掘输出,⑧脚为Ic内部产生的参考电压,⑨脚为参考电压的输出端,⑩脚为参考电压的输入端。12脚为增强效果控制端,高电平为效果增强,低电平为效果减弱,13脚为直通/3D虚拟切换控制,高电平为直通,低电平为3D虚拟,14脚为并行/串行方式控制,高电平为并行控制方式,低电平为串行控制方式,15脚为数字控制电源,电压为5v,16脚为静噪控制端,高电平为静噪有效,23脚为电源电压,电压为5—13V。 
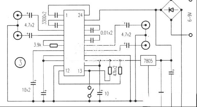
    QS7779PF的应用非常简单,按图2电路装好,加插在普通立体声功放前级前或VCD、DVD(混合立体声输出)后,接通电源,播放一张带杜比环绕声信号的碟片,即可试听,你一定会获得意想不到的效果,你试播一下《真实的谎言》开始的枪战那一段,听听两耳后面有没有声音。图3制作的电路经本人在几间音响厂家的试音室试听过,均获一致好评。 

路过

雷人

握手

鲜花

鸡蛋

最新评论

QQ|Archiver|手机版|家电维修论坛 ( 蜀ICP备19011473号-4 川公网安备51102502000164号 )

GMT+8, 2025-11-21 23:18 , Processed in 0.304886 second(s), 17 queries .

Powered by Discuz! X3.5

© 2001-2025 Discuz! Team.

返回顶部