找回密码
 请使用中文注册

Hi-Fi集成功放TDA7294

2023-5-5 11:22| 发布者: 开心| 查看: 49| 评论: 0

阅读字号:

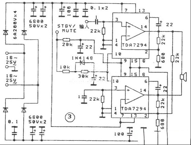
摘要: 概述:欧洲著名SGS-THOMSON意法微电子公司推出一款Hi-Fi大功率DMOS集成功放电路TDA7294,该器件15脚封装。 一、外形及端脚见图 ①待机地,②反相输入,③同相输人,④地,⑤、11、12空脚,⑥自举,⑦+vs(信 ...
    概述:欧洲著名SGS-THOMSON意法微电子公司推出一款Hi-Fi大功率DMOS集成功放电路TDA7294,该器件15脚封装。
  

  一、外形及端脚见图
  

  ①待机地,②反相输入,③同相输人,④地,⑤、11、12空脚,⑥自举,⑦+vs(信号),⑧ -Vs(信号),⑨待机,⑩静音,(13脚)+vs(功放),(14脚)输出,15脚 -vs(功放)。内部原理框图和典型应用电路见图2。
  

  二、TDA7294功能和特点
  它综合现代功放电路最佳设计,兼具双极信号处理电路和功率MOS的优点,具有低噪声、低失真度特色;待机及静音电路彻底消除了电源通断引起的冲击噪声,免去扬声器保护电路;过热及短路电流保护等功能使其性能更加优异,该器件适用于家庭影院及Hi—Fi放大器。主要参数为:VS(电源电压)±10~±40V(无信号最高电压±50V);Io(输出电流峰值)10A;Po(RMS连续输出功率)在vs=±35V 8Ω时为70W;vs=±27V 4Ω时为70W;(音乐输出功率有效值)VS=±38V 8Ω时为100W;VS=±29V 4Ω时为100W。
  

  三、TDA7294应用电路
  

  对于歌舞厅等大功率专业应用领域,可选图3的BTL功放成品板,两只TDA7294均配各自专业散热器,在vs=±25V8Ω时,最大连续输出功率达150W;在±35V 16Ω时,最大连续输出功率达170W。 
    我们用TDA7294标准应用电路与马兰士PM80及YAMAHAA-592作了听音对比,前者为中价位Hi—Fi名机,具有甲类、甲乙类状态切换开关,后者是三千元级具有Ac-3输入的AV功放,音源为音乐传真E60CD,音箱为丹拿5号。感觉TDA7294的声音取向具有鲜明的欧洲风格,柔美、圆润、细腻,富弹跳感,与甲乙类状态的马兰士PM-80有异曲同工之妙,但PM-80处于纯甲类工作时声场更深,控制力也略胜。与YAMAHA A-592相比则区别较大,A-592的低频似乎略有提升,感觉力度好,但较硬,线条模糊;TDA7294则甜美自然,解析力较高,真似泼墨山水与工笔花鸟,各有其无穷韵味。

路过

雷人

握手

鲜花

鸡蛋

最新评论

QQ|Archiver|手机版|家电维修论坛 ( 蜀ICP备19011473号-4 川公网安备51102502000164号 )

GMT+8, 2025-11-21 23:18 , Processed in 0.174580 second(s), 17 queries .

Powered by Discuz! X3.5

© 2001-2025 Discuz! Team.

返回顶部