找回密码
 请使用中文注册

高性价比数码卡垃OK电路M-65850P

2023-5-5 11:22| 发布者: 开心| 查看: 39| 评论: 0

阅读字号:

摘要: 家电维修小编给大家分享这篇文章介绍的数码卡拉OK处理电路M65850P由日本三菱公司97年推出,内含输入、输出低通滤波器、A/D、D/A变换器和SRAM静态存贮器、时钟振荡器以及自动复位、开机静音、延迟、主控逻辑电路等,内部方框图见图1。 ...
    家电维修小编给大家分享这篇文章介绍的数码卡拉OK处理电路M65850P由日本三菱公司97年推出,内含输入、输出低通滤波器、A/D、D/A变换器和SRAM静态存贮器、时钟振荡器以及自动复位、开机静音、延迟、主控逻辑电路等,内部方框图见图1。该电路采用ADM对音频信号进行A/D、D/A转换处理,并使用内置20kB的SRAM静态高速存贮器进行信号存贮,此种数字模拟处理方式最大特点是用较小的存贮器容量,也能达到高效低失真的处理效果,属目前性价比高的优秀数码处理方式。在处理环绕声信号时,其总谐波失真小于0.2%,在作卡拉OK混音处理时,其总谐波失真小于1.2%。
  
 
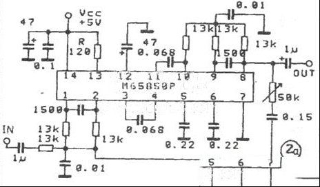
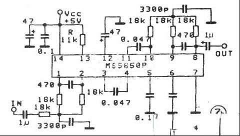
  M65850P采用双列直插式14脚塑料封装。典型应用见图2a、2b,电路中R决定延迟时间约164ms,带通频率约5kHz,主要用于卡拉OK处理电路。在图2b中,R为11k时,延迟时间约20ms,带通频率约7kHz,主要用于环绕声信号处理。 
  
 
  
 
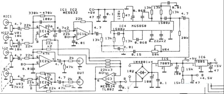
  图3为M65850P用于卡拉OK的典型电路,电路设置有VR1、VR2话筒音量控制,VR3音乐输人信号控制,VR4回响次数深度控制,电路延迟时间约164ms,带通频率约5kHz。该电路混响性能优于M50195P,并可与M65831AP比美,而它的售价则为M65831的一半,确实物超所值。 
  

路过

雷人

握手

鲜花

鸡蛋

最新评论

QQ|Archiver|手机版|家电维修论坛 ( 蜀ICP备19011473号-4 川公网安备51102502000164号 )

GMT+8, 2025-11-21 23:18 , Processed in 0.180854 second(s), 17 queries .

Powered by Discuz! X3.5

© 2001-2025 Discuz! Team.

返回顶部