找回密码
 请使用中文注册

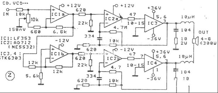
用STK6303的300W功放

2023-5-5 11:22| 发布者: 开心| 查看: 29| 评论: 0

阅读字号:

摘要: STK6303是三洋公司的一种大功率厚膜集成电路,一块电路分或A、B两面,在国内尚很鲜见。估计是专用于某些进口大功率变频调速用马达伺服。笔者通过反复试验,发现用其B面(见图1)做后级功放的电流放大,用发烧运 ...
    STK6303是三洋公司的一种大功率厚膜集成电路,一块电路分或A、B两面,在国内尚很鲜见。估计是专用于某些进口大功率变频调速用马达伺服。笔者通过反复试验,发现用其B面(见图1)做后级功放的电流放大,用发烧运放作激励,再用二个型号为AA12480、输出为DC36V4.2A的进口开关精密稳压电源,作成一款发烧功放,效果极佳。 
  

      电路如图2,这是一部极简洁的准直流BTL300W合并功放,稍加改动,也可接成OCL100W+100W的大功率立体声功放。其中IC1a为负反馈式音量控制,增益约为0-10倍可调。IC1b为增益为1的反相器,IC3、IC4分别为STK6303F,接成准直流功放模式,增益约15倍,且与上述电路配合,接成BTL形式,输出灵敏度约为150mV,可在4欧负载得到约300W的不失真功率输出,足以推动任何家用大音箱。
  

  该放大器装配简单,不用调试,其开关电源自带过压过流过热保护。装配时注意厚膜电路的散热一定要足够,有条件最好能用仪表风扇强制风冷。

路过

雷人

握手

鲜花

鸡蛋

最新评论

QQ|Archiver|手机版|家电维修论坛 ( 蜀ICP备19011473号-4 川公网安备51102502000164号 )

GMT+8, 2025-11-21 23:18 , Processed in 0.203003 second(s), 17 queries .

Powered by Discuz! X3.5

© 2001-2025 Discuz! Team.

返回顶部