找回密码
 请使用中文注册

天逸AV放大器AD-5100A、AD-3100A电路原理和维修

2023-5-5 11:22| 发布者: 开心| 查看: 38| 评论: 0

阅读字号:

摘要: 天逸牌AD-5100A型和AD-3100A型杜比定向逻辑解码AV放大器,是成都亚迪机电研究所开发生产的一种新型家庭影院设备,已获得杜比实验室认证,其中AD-5100A型是带有五声道功放的AV放大器,而AD-3100A型只带有中置声 ...
    天逸牌AD-5100A型和AD-3100A型杜比定向逻辑解码AV放大器,是成都亚迪机电研究所开发生产的一种新型家庭影院设备,已获得杜比实验室认证,其中AD-5100A型是带有五声道功放的AV放大器,而AD-3100A型只带有中置声道和环绕声道功放,其余电路均完全相同。 
  

  一、天逸AD-5100A型、AD-3100A型放大器性能及特点简介
   AD-5100A/AD-3100A机的主要性能指标如下: 
    输出功率:主声道(AD-5100A)80W×2(RMS) 
    中置声道    50W(RMS) 
    环绕声道    25W×2(RMS) 
    信噪比:(AD-5100A)    >90dB(A计权) 
    频率响应:(AD-5100A)    25Hz~50kHz(-3dB) 
    失真度:(AD-5100A)  <0.1%(主声道20Hz~20kHz。50W) 
    声道分离度:(杜比解码)典型40dB,最小25dB 
    动态裕度:>15dB 
    此外,它们还具备杜比定向逻辑解码所必须的全部功能,包括输入自动平衡电路,自适应矩阵解码电路,修改型杜比B降噪电路,数码延时,测试噪声发生器,各声道独立的音量调节和四联同步调整音量控制器等,同时还设置了两种DSP数码声场处理模式,可以在放送任何类型软件的情况下(包括杜比软件、普通立体声软件和单声道软件),均能得到较好的环绕声效果,此机还带有性能较好的卡拉OK电路,采用数码混响,两路话筒输入,话简信号激励等,卡拉OK演唱效果较好。
  设有Hi-Fi工作模式,在此模式时输入信号直达后级音量控制,使电路具有较好的保真度和信噪比,而AD-3100A型可外接收到其他维修同行的一台高保真纯功放后组成家庭影院系统,并具有“关机信号直通”功能。AD-5100A型的主功放采用分立元件的超甲类偏置方式放大器,消除了开关失真。 
  

  二、AD-5100A/AD-3100A电路原理简析 
    1.电路方框图(见图1) 
 
     图1中标注的信号额定电平和增益分配数据可以供专业技术人员和音响爱好者制作AV设备时参考。下面先以方框图谈谈整机工作原理。 
    音源信号从音频输入插座输入。经音源选择电路选择后送入杜比定向逻辑解码器进行解码处理。输出左、右前方声道(Lt、Rt)、中置声道(C)、环绕声道(S)信号以及左、右声道和信号(Lt+Rt)。其中前方声道信号送入到平衡和音调控制电路进行调控,再经主音量控制调控音量,送入主功放电路放大后输出到主声道音箱放音(仅对AD-5100A型,AD-3100A型机则直接输出左、右主声道信号到外接主功放)。当整机选择双声道工作模式(即2CH模式)时,解码器输出的C、St、Lt信号均关闭,使整机工作在普通立体声放大器状态,图上的控制电路可控制杜比解码器的工作状态,包括中置声道模式控制和DSP模式与杜比解码的转换等。 
    在杜比定向逻辑解码工作模式时,解码器输出的中置声道信号(即C信号)经中置声道音量控制后,先经20dB放大,再经四联主音量电位器中的单独一联调控中置声道音量后,送入到中置声道功放电路放大,经中置音箱放音。解码器输出的环绕声信号(即S信号)先经信号选择,再送入数码延时电路进行20ms延时处理。延时电路输出信号再送回M69032内的修改型杜比B降噪电路进行降噪处理。然后经信号选择和环绕声音量控制调控以后再放大,被送入主音量控制电位器中的一联进行同步音量控制后,输出到环绕声道功放,经环绕音箱放音。延时电路中有一回声(ECHO)反馈环路,此环路仅在卡拉OK状态和DSP状态时工作,以得到一定的混响效果,但是在杜比解码状态时此环路关断,以满足杜比定向逻辑解码的要求。 
    在卡拉OK工作状态时。两路话筒信号输入后,先经放大和信号选择电路,再送入延时混响电路对话筒信号进行处理,经延时混响处理后的话筒演唱信号,从主音量控制电位器之前混入到音乐信号通道,最后经功率放大后输出到音箱放音。 
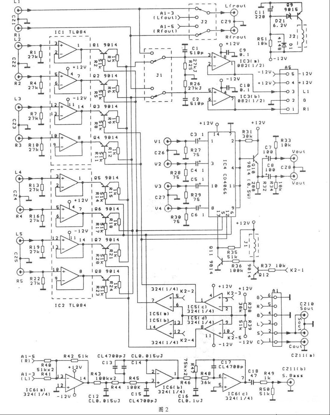
    2.信号输入选择电路(见图2) 
  
 
     AD-5100A/AD-3100A机有五组音频信号输入端子,每组输入端子(CD/VCD除外)输入的信号均经过一个运放(1/TL084)接成的跟随器,再经开关管(Q1-Q8)和继电器J1控制,送人到IC2(TL082)。经IC3跟随后的音频信号通过接插件A5送入到后级。 
    图中J2为关机信号直通控制继电器。当电源未接通时,图中Q9截止,继电器J2的常闭触点接通,使CD/VCD输入信号直通到左、右主声道信号输出端子(Lfrout、Rfrout),这样可使信号在关机时不经过任何信号处理电路而保持最高的保真度。 
    输入信号选择都是由K2—1~K2—5输出的电平控制的(下节将介绍)。开机时,K2—1输出高电平,使J1吸合,CD/VCD输入信号经J1送入IC2,经IC3跟随后,输出到后级。依此类推,当信号选择按钮LD按下后,K2—2为高电平(’K2—1转为低电平),Q1和Q2的基极得到正偏置而导通,使LD的左、右声道信号通过,经j1常闭触点送到IC3,然后输出到后级。为了满足控制Q1~Q8开关管通、断所需电平的幅度和极性,这里又加入了由IC5(LM324)四运放接成的四个电平转换电路,都接成正相输入的电压比较器,可将K2—1~K2—5控制信号转换后去控制音源转换电路。 
    ICA(CD4066)接成视频信号转换电路,由K2—1~K2—4的电平控制,因此四路输入的视频信号可与四路音频信号进行同步转换。CD4066的第13脚控制第①、②脚通断,第⑤脚控制第③、④脚通断,第⑥脚控制第⑧、⑨脚通断,第12脚控制第⑩、11脚通断。当开机时,音源选择自动置CD/VCD,K2—1为高电平,使Q12导通;Q12集电极呈低电平,使Q11截止;Q11集电极呈高电平,使ICA第⑩脚控制的第①、②脚导通,这样就使V1的视频输入信号经射随器Q10送到视频输出端Vout1和VOut2。同理,当选择LD、VFR、TV时,相应的控制输出K2—2、K2—3、K2—4分别呈高电平,这样就可以分别选择V2、V4视频输入信号。可与音源选择同步控制的视频选择电路是AV放大器必需的。 
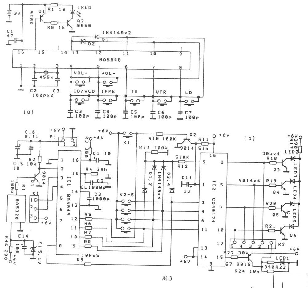
  3.遥控和信号选择控制电路(见图3) 
  
 
      图3上部(a)为遥控发射电路,BA5048是专用的遥控编码电路。与遥控接收解码电路:BA5049配合,可以完成音量控制和五路音源选择控制。BA5048第15脚输出的编码信号经Q1反相后再经Q2放大,驱动红外发光二极管TRED发射出去。 
    图3下部(b)为遥控接收和音源选择控制电路,BA5320为遥控接收头,可接收红外线遥控信号并转换为电脉冲信号,经Q1放大后输入到BA5049第②脚。经解码后,分别由第③、④脚输出音量控制信号去控制主音量控制的马达电位器;第12、11、⑩、⑨脚则输出电平去控制音源选择电路。IC2(CD40174)为六D触发器,这里接成五位锁存器。 
    开机时,由C11和R11组成的复位电路使CD40174复位。这时第15脚输出低电平。与其相连的Q7(PNP管)导通,其集电极转为高电平,LED1发光(CD/VCD音源选择指示灯),此时K2—1输出高电平,去控制音源选择电路(参看图2),当按下K2时,CD4017第③脚为高电平,且通过D4给第⑨脚一个脉冲,使第②脚转为高电平,Q3得到偏置而导通,LED2发光(选ID音源的显示),与第②脚相连的K2—2输出高电平去控制音源选择电路。选择其它音源时依此类推。 
    音源选择若用遥控操作,则在按下LD选择时,BA5049第⑦脚转为低电平,CD40174第③脚得到高电平,相似于K2按下,第②脚输出高电平,使K2—2输出高电平去控制音源选择电路,使其选择LD信号。同理,若遥控器按下VTR、TV或TAPE时,CD40174的第⑤、⑦、⑩脚相应输出高电平,使K2—3、K2—4A或K2—5输出高电平到音源选择电路,相应选择到VTR、TV或TAPE输入。 
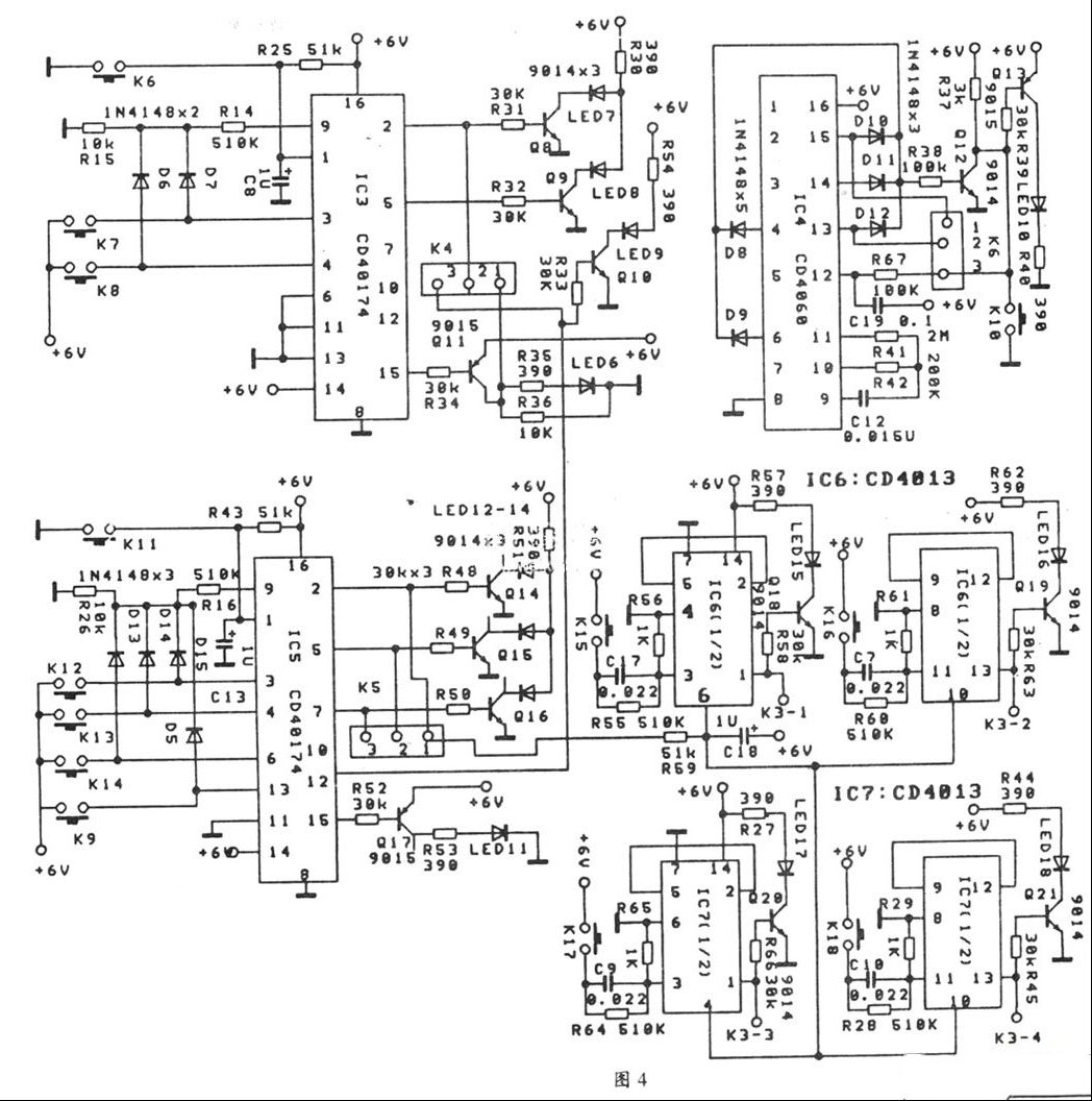
  4.工作模式选择控制电路(见图4) 
  
 
      图4中包括了四种工作模式选择控制电路,图中左上(IC3部分)为中置声道模式选择控制电路。用按钮K6、K7、K8可分别选择普通模式(MORMAL)、宽带模式(WIDE)和幻象模式(PHANTOM)。IC3(CD40174)的接法与音源选择电路相似。控制输出由K4—1或K4—2连接到杜比定向逻辑解码电路M69032P。当开机时或按下K6时,K4—1输出高电平去控制M69032P的选择电路,使其置于普通模式。当按下K7时,IC3第②脚输出高电平,K4—2也输出高电平去控制M69032P的选择电路,使其置于宽带模式。当按下K8时,第⑤脚输出高电平使LED8导通,显示幻象模式,同时K-1和K4—2都输出低电平,使M69032P选择幻象模式。 
    图4右上部(Ic4部分)为噪声测试控制电路,是专为杜比定向逻辑解码电路M69032P设置的,当其置于噪声测试状态时,可以让各声道轮流输出噪声信号,以调整各声道的音量。IC4(CD4060)是一个自带振荡器的二进计数器,这里接成两路定时输出的逻辑电平发生器”。此电路的输出端K6—1、K6—2和K6—3连接到杜比定向逻辑解码电路M69032P,去控制M69032P内部的噪声序列发生器。当按下K10时,K6—3输出低电平,可控制M69032P内的噪声发生器开始工作,之后K6—1和K6—2输出不同的逻辑电平去控制M69032P内噪声发生器,分别使左声道、中置声道、右声道和环绕声道依次发出噪声,当完成一个周期后自动停止噪声测试。 
    图中左下(IC5部分)为工作模式选择控制电路。此电路也采用CD40174,接法与其他选择电路相似。电路中,K11、K12、K13、K14和K9分别选择双声道(2CH)、杜比环绕声(DOLBY-、DSP1、DSP2和Hi—Fi模式。开机时,IC5复位,第15脚输出高电平,使Q17导通,LED11发光,显示2CD状态。按下K12后,IC2第⑤脚输出高电平,使Q14导通,LED12发光,显示选择杜比环绕声状态,同时K5-l输出高电平去控制信号混合、放大电路和环绕声解码电路,使其转换到杜比环绕声工作状态。其余类推。 
    图4的右下部(含IC6和IC7部分)为延时选择控制电路。此电路采用了两个CD4013双D触发器,分别接成四个自锁式锁存器。当按下K15~K18中的任一个按钮或几个按钮时,相应的K3-1、K3—2、K3—3、K3—4输出控制信号电平到延时混响电路M6583l,可由单按钮或几个按钮组合得到16级延时时间(12.5ms~200ms)。在杜比环绕声模式时,按杜比实验室的要求,延时被锁定在20ms。
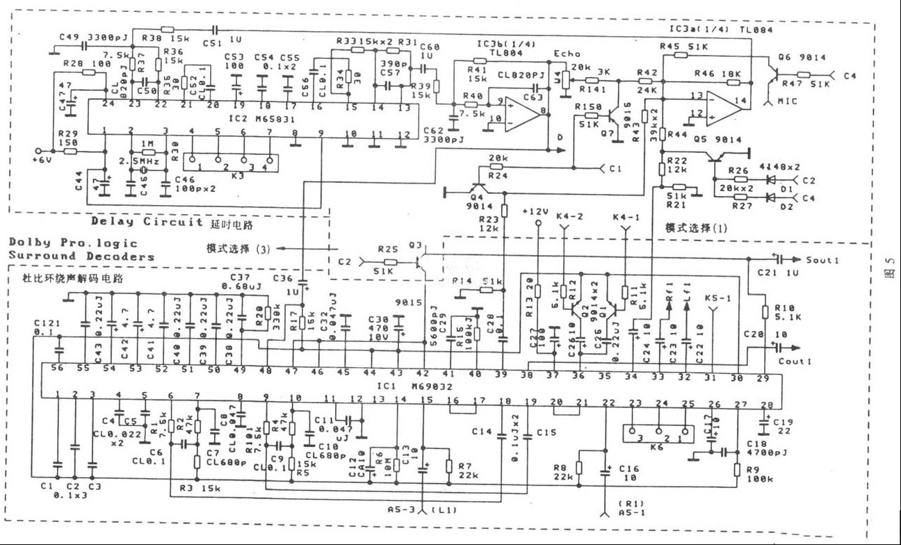
  5.杜比定向逻辑解码及延时电路(见图5) 
  
 
     M69032P是日本三菱公司受杜比实验室委托生产的杜比定向逻辑解码专用集成电路。电路内包含有输入自动平稳控制电路,自适应矩阵解码电路,工作模式控制及中置声道模式控制电路,7kHz低通滤电路,修改型杜比B降噪电路,测试噪声发生器电路等。M69032P的主要功能端子如下:第15、22脚分别为左、右声道信号输入,第32、33脚为前方左、右声道输出,第39脚为环绕声解码输出(到延时电路),第38脚为中置声道解码输出,第36脚为中置声道模式控制,第23、24、25脚为测试噪声控制端。 
    当整机选择杜比环绕声模式时,左、右声道信号分别从IC1第15、22脚输入后进行解码。解码输出的前方左、右声道信号分别从第32、33脚输出,送入到后级进行再放大。解码输出的中置声道信号从第38脚输出,经中置声道音量调整后送到中置声道功放放大后输出。解码输出的环绕声信号从第39脚输出后,经C28、R23、R43送入IC3a进行缓冲放大后,输出到延时电路M65831进行延时处理,经延时处理后的环绕声信号由它的第13脚输出,经C60、R39送入IC3b接成的低通滤波器滤波后,经C36再送回到IC1内的杜比降噪电路进行降噪处理。降噪处理后的环绕声信号由第29脚输出,经后面的环绕声道音量调整和环绕声功放放大后输出。 
    IC2(M65831)的第④、⑤、⑥、⑦脚是延时时间控制端,经K3与前面介绍过的延时时间选择控制电路相连,M69032P的第36脚接入的中置声道模式选择电路则与前面的控制电路相连(参看图4),当开机时或按下K6,K4—1输出高电平,使图5中的Q1导通,C25等效接地,这时中置声道模式为普通模式。当按下K7时,K4—2输出高电平,使图5中Q2导通,C26等效接地,这时中置声道模式转为宽带模式,按下K8时,K4—1和K4—2均输出低电平。Q1、Q2都截止,将C25、C26对地断开,这时中置声道模式转为幻象模式,M69032P的笫23、24、25脚的逻辑电平控制测试噪声进入的声道。第24、25脚均为低电平,前方左声道出噪声;第24脚低电平,第25脚高电平时,中置声道噪声;第24脚高电平,第25脚低电平时为前方右声道噪声;第24、25脚均为高电平时为环绕声道噪声。测试噪声控制是由图4的电路完成的。 
  6.信号混合、放大及功能转换电路(见图6) 
  
 
  
 
   图6a中右下部是信号平衡及音调控制电路。从解码电路输出的前方左、右声道信号先经W7双联电位器控制平衡,再分别经IC5a、IC5b跟随后送入由IC5c和IC5d接成的反馈式音调控制电路。再分别经Q16、Q19送入到  IC6a、IC6b(OP275)放大后,输出到一个马达传动的主音量控制四联电位器(见图6b),分别用于控制前方左、右声道,中置声道和环绕声道音量。图6b中K1—1和K1—2分别接到遥控音量控制端(参看图3),可控制电位器马达正、反向转动,调控总音量。 
    图6a的右中和右上为中置声道和环绕声道的音量调整电路。它们的作用是对中置声道和环绕声道音量进行预先调整。以保持它们与主声道音量一致后,再送人四联总音量控制。图6a的左下为消除冲击噪声电路。此电路输出控制电压A到Q12、Q13的基极,使开机时和关机时Q12、Q13导通,让主声道冲击信号被短接人地。 
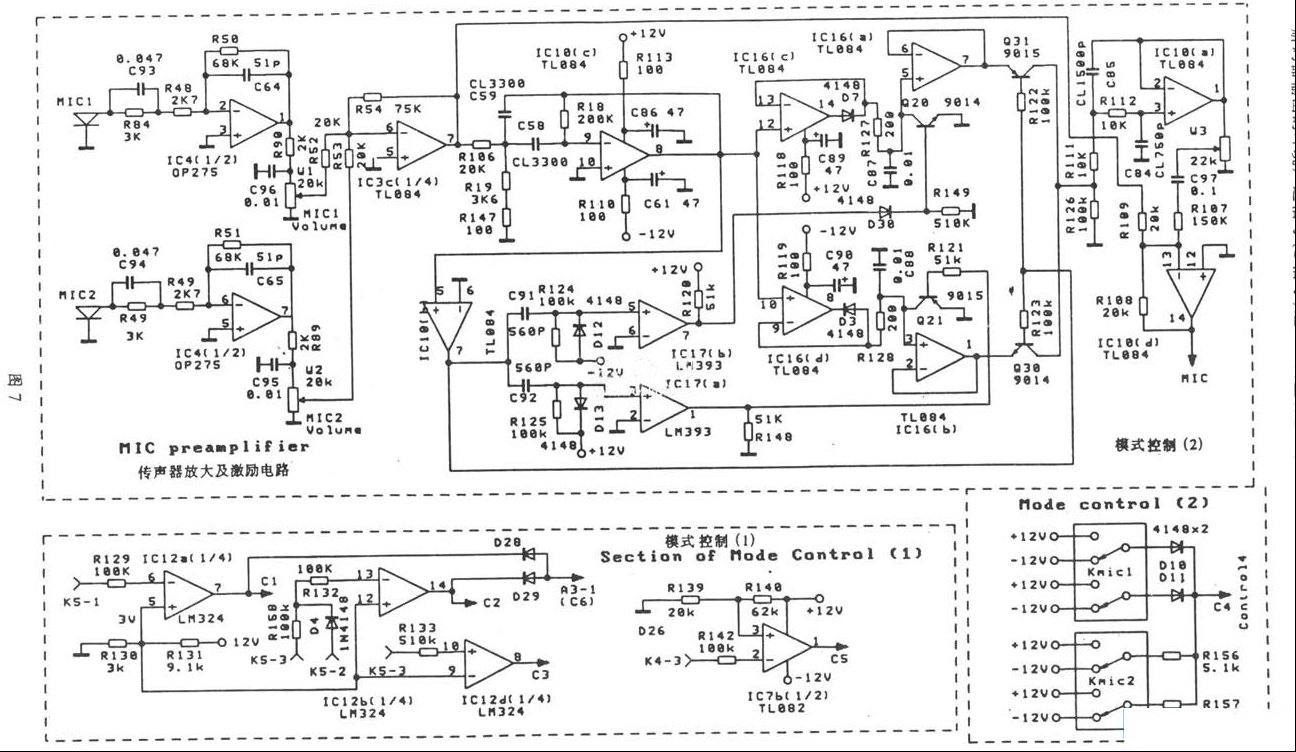
  7.话筒放大、激励及控制电路(见图7) 
  
 
     AD-5100A/AD-3100A机设有两路话筒输入和独立的音量控制。为改进卡拉OK的演唱效果,还设计了独特的话筒信号激励电路。由ICA(OP275)接成两路话筒放大器,放大后的话筒信号经各自的音量控制调控后,在IC3C输入混合。IC3C对话筒混合信号再进行放大后输出,一路直接送到IC10d输入端,另一路则送入话筒信号激励电路进行激励处理。激励电路由IC10C、IC10b、IC16(a、b、c、d)和IC17(a、b)及其外围电路组成。IC10C为带通滤波器,中心频率约2kHz,它可以将人声演唱信号的主要频率成分取出后,送入到IC10b和IC6C、IC16d。 IC10C接成开环放大器,可将话筒信号处理成与基波频率相同的方波,并用此方波去控制Q30、Q31开关管;同时用此方波经C91、R124和C92、R125组成的两个微分电路得到对应于方波上升沿和下降沿的定时脉冲,并用此脉冲去控制Q20和Q21开关管。最终在Q30和Q31的集电极上可得到与人声演唱信号的频率和幅度都相同的方波激励输出信号,相当于在原信号中加入了大量的谐波。为了使听感舒适些,激励信号输出再经IC10a接成的低通滤波器滤除较高频的谐波成分后输出,并经W3调整激励电平后,在IC10a的输入端与未经激励的原话筒信号混合,经IC10d放大后输出。 
    图7右下为卡拉OK模式转换控制电路,此电路直接由话筒插座中的转换触点控制。当话筒未插入时,C4输出低电平,可控制图6a中Q8和Q11截止,使话筒放大器信号不能送入到IC6a和IC6b的输入端。整机处于非卡拉OK状态。当两个话筒中任一个插入或两个都插入话筒插座时,插座内的转换触点使C4输出高电平,C4除了可控制Q8、Q11导通,使话筒放大器信号送入到IC6a和IC6b的输入端,并与音乐信号混合;同时,CA还可控制图5中的Q6导通,使话筒演唱信号送入延时电路进行延时处理,延时输出经IC6b及其外围电路组成的低通滤波器滤波后,再经W4调整后送入IC3a放大,反馈到延时电路输入端,得到混响效果。话筒混响信号从图5的D端输出到图6a中IC6a和IC6b的输入端。这时话筒演唱信号与混响信号混合,同时还与音乐信号混合,就可进行卡拉OK演唱。 
    图7左下部为整机工作模式控制的电平转换及组合逻辑电路。由IC12a、IC12b、IC12d、IC7b分别接成反相或正相输入的电压比较器,可使5—1、K5—2、K5—3和K4—3的控制信号电平转换为可控制信号通路中开关管的通、断的控制电平。此外,电路中的特殊连接可使上述控制信号形成组合控制功能。例如在杜比环绕声状态时K5—1为高电平,经IC12a反相,使C1为低电平;此时经D28将C6也拉下为低电平。这样,在杜比环绕声状态时,由C1、C6控制的信号通路就可相应进行转换。 
  8.AD-5100A机的主功放电路(见图8) 
  
 
  此机的主功放采用了分立元件的Hi—Fi功放电路,电路中除了在前级采用两级性能优越的电流源差分放大器外,末级还采用了超甲类动态偏置的输出放大器。采用了前级高电压(+56V),后级相对较低电压(+47V)的供电方式。 
  

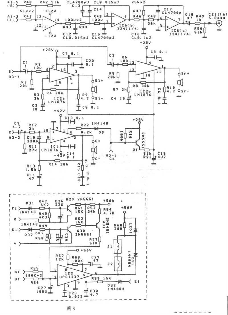
  9.超低音滤波、中置和环绕功放、主功放保护电路(仅对AD-5100A机,见图9)。 
  
 
    图9上部为超低音低通滤波电路。此电路是将左、右声道音乐信号中的超低音信号取出,供外接有源超低音箱或外接超低音放大器用。左、右声道信号混合输入后,先经IC6a缓冲放大,再送入两级有源低通滤波器(转折频率约100Hz)滤波,最后从机后的超低音输出端输出超低音信号。 
    图9中部为中置声道和环绕声道的功放电路。IC1为中置声道功放,采用了美国国家半导体公司(NS公司)的优质ICLM3876。电路为标准接法,只是加入了C6作静音控制,其目的是在Hi—Fi模式和2CH模式时使中置声道不工作。IC2也是用NS公司的双功放电路LM1876,分别用于左、右环绕声道的功率放大,LM1876同样也加入了静音控制,使其在Hi—Fi和2CD模式时不工作。 
    图9下部为AD-5100A的主声道功放的保护电路,它采用了NEC的专用保护电路uPC1237,配合外围电路可完成功放的输出端直流电压偏移保护、功放末级电流过载保护、开机延时防冲击和关机瞬时断开防冲击保护。电路中J1、J2为接在主功放输出端的继电器,F1、X、D1、Y、A1、B1端都与图8的主功放电路的对应端相连。开机时,R58(100k)对C29(47uF)充电,几秒钟后C29充电到一定电压,uPC1237的输出端第⑥脚内开关电路导通,使J1、J2吸合,接通扬声器,完成开机延时保护功能。A1、B1分别接在左、右声道扬声器端,也就是接在功放输出端。当功放因电路故障或不稳定发生输出端直流电压偏移(超过+0.7V,-0.23V)时,第⑥脚内的开关电路截止,使J1、J2释放,断开扬声器,保护电路的F1、X端是跨接在左声道功放输出管的发射极电阻R67(0.25Ω)两端,D1、Y跨接在右声道功放输出管发射极电阻R70两端。当功放输出级电路的电流过大(超过8A)使R67或R70两端压降达约2V时,将使Q29或Q30导通,Q31随之导通,uPC1237第①脚得到一定电压就可使J1、J2释放,断开扬声器,图中E1是直接接到电源变压器-40V绕组的一端,无论开、关机时都能瞬时建立正常工作状态。关机时E1停止供电,J1、J2瞬时即释放,可避免关机时的冲击。 
  10.整机电源电路(见图10) 
  
 
  从图10中可以看出,电源采用了双电源变压器供电,前、后级分开的方式,可提高整机的保真度和避免前后级之间的影响。此机电源电路为前级提供+12V、-12V和+6V电源,为主功放电路提供+56V、+47V和-40V电源(仅对AD-5100A机),为中置和环绕功放提供+42V、+28V电源。
  

  三、天逸AD-2000/AD-2000A型AV放大器的电路特点及原理简析 
    天逸AD-2000型带中置、环绕功放的杜比环绕声解码器适于配置以音乐欣赏为主,又能兼顾放送环绕声电影碟片的家庭影院系统,机内带有中置声道和环绕声道的功率放大器,只需与收到其他维修同行的一台高保真功放和相应的音箱配合,就能组成一套家庭影院系统。AD-2000A型AV放大器的基本电路和AD-2000型一样,只是AD-2000A还带有主声道功放。下面简介电路原理。 
 
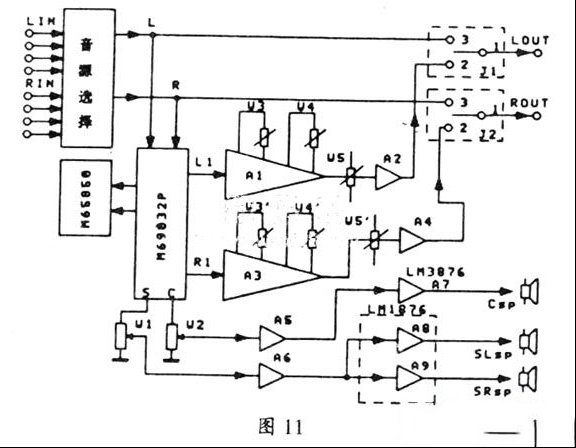
     图11为AD-2000机的整机电路原理方框图。由图可知音源信号输入后,先经音源选择电路选择输入的信号源后,将左、右声道信号送到杜比定向逻辑解码器。解码器采用M69032P,外配延时电路M65850。解码器输出的左、右主声道信号(L1和R1),分别送入到A1和A3及其外围电路组成的音调控制电路。再分别经A2和A4放大后,通过继电器J1、J2的常开触点(图中的1和2,通电时已闭合),从线路输出端(Lout、Rout)输出。这里儿和J2输出的主声道信号送到线路输出端;当电源断开时继电器释放,使触点1和3接通,音源选择电路输出的音源信号直通到线路输出端。 
    解码器输出的环绕声道信号(S信号)经W1调整音量后,再经A6进行预放大,送入到左、右声道环绕声道功率放大器A8、A9(LM1876),经环绕声信号输出到环绕声音箱放音。解码器输出的中置声道信号(C信号)经W2调整音量后,再经A5进行预放大,送人到中置声道功率放大器A7(LM3876)放大后,输出到中置音箱放音。中置声道和环绕声道所用的功放集成电路为LM1876和LM3876。
 
  
 
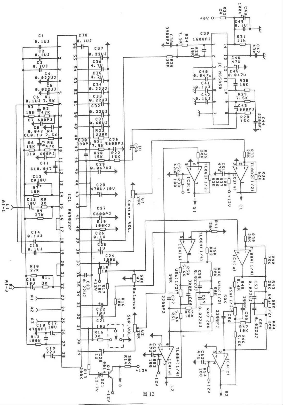
    下面介绍AD-2000机的主要电路。图12是该机的杜比定向逻辑解码电路、音调控制及各声道预放大电路原理图。延时电路M65850是三菱公司新推出的数码延时电路,其延时时间设置在20ms,与M65831P的性能相似。原理与AD-5100机相同。 
    为了简化使用,AD-2000/AD-2000A机在中置声道模式设置和杜比解码模式选择上都采取最常用的固定模式;中置声道模式设置在普通模式,杜比解码模式则只用K2选择杜比定向逻辑模式和两声道模式,未设“杜比三声道模式”,因为实际使用时大都不用这种模式。 
    从第32脚和第33脚输出的左、右主声道信号经W3调节平衡后,再经IC4b和IC4a缓冲放大,送到音调控制电路然后分别经IC4d和IC4c缓冲后,输出到整机的线路输出端。 
    AD-2000/AD-2000A机还具有四组音、视频信号同步选择控制功能,可输入多种影音设备信号,组成家庭视听中心。AD-2000A型的电路与AD-2000型基本上一样,只是加入了两路主声道功率放大器电路,可供组合成更简洁的家庭影院系统。 
  
 
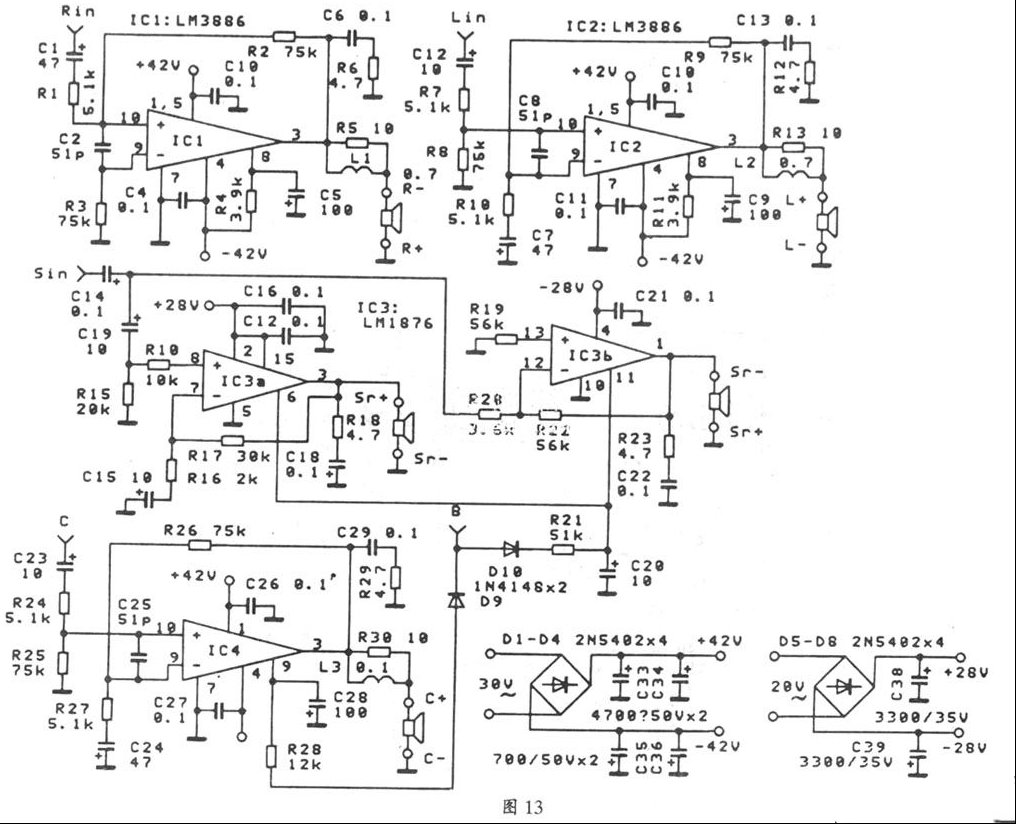
   图13是AD-2000A型功放及电源电路原理图。图13中部为环绕声道功放及中置声道功放电路。图中可见环绕声道功放用了一片LM1876,中置声道用了一片LM3876。 
  

  四、AD-5100A/AD -3100A,AD-2000的故障检修 
    1.AD-5100A/AD-3100A的维修思路 
    (1)整机故障分析 
    当收到其他维修同行的一台AV放大器出现故障时,首先应观察故障的表现。如属明显的“直观故障”,如某一电位器出现旋转噪声或接触不良,直接更换处理,就可修复,如出现某一声道无声故障,或是某一功能故障,或有噪声等,应根据整机的电路原理分析故障可能出现的部位。这时,可利用整机方框图作为分析的依据,也可根据各部分电路原理进行分析处理。 
    1)信号流程分析: 
    对于那些不太直观的故障,先弄清信号流程,然后逐级进行注入信号检测(如对无声故障)或逐级断开信号通路(如对异常噪声故障),就能有的放矢地进行检查,很快就能找到故障点。下面例举几种主要的工作模式的信号流程,可供参考。 
    两声道(2CD)模式: 
    (信号从CD/VCD输入,以左声道为例) 
    CD/VCD输入端(CZ1)→J1→IC3a→①→A5—3→(图5)A5—3(L1)→C13→M69032P 15脚→32→Lf1(图6a左下)→R91→IC5a ③→①→音调控制网络→IC5C⑦→Lf2(模式选择2图)→Q16→R59→IC6a②→①A4-5(图6a)→W10a→IC14a③→①→A4—10(图6a)→R71→CA10→R77→IC7a→A2-1(图8)→到功放电路→左主声道音箱。 
    杜比定向逻辑模式: 
    杜比定向逻辑模式工作时,主声道的信号流程与上述两声道模式相同,下面只介绍中置声道和环绕声道的信号流程。 
    中置声道: 
    杜比环绕声信号经解码后(见图5)M69032P 38脚输出中置声道信号→C20→(图6a中置音量及输出电路)COut1→A4—4(图6b)→W10d(主音量控制电位器)→IC14c 12脚→14→A4-9→R81→C82→A3—2(图9中部)→R2→LM3876 10→中置音箱。 
    环绕声道: 
    杜比环绕声信号经解码后(见图5)M69032P 29脚输出环绕声道信号→R10→Sout1(图6a右下)→W5→IC8b⑤→⑦→A4—3(图6b)→w10b→IC14b⑤→⑦→A4—8(图6a)→R86→A3—4→(图9)→左、右环绕声功放→环绕音箱。 
    卡拉OK模式: 
    卡拉OK模式时,音乐信号的流程与前面介绍的两声道模式时的流程相似。只是话筒信号从中间混入。故下面以MIC1为例,介绍一路话筒信号的流程。 
    MIC1→C93、R84→R40→ICA②→①→R90→w1→R52→IC3C⑥→话筒信号激励电路(IC10d14脚输出)→MIC(图5右下),→Q6→R45→IC3a 13→14脚→C51→R38→IC2(延时电路M65831),延时处理后,从13脚输出话筒延时信号→C60→R39→低通滤波(IC3b及其外围电路组成)→IC3b⑧-D(图6中部)→Q9→R58→IC6a,混入音乐信号通道。 
    其它工作模式的信号流程不一一列举,读者可自行分析。 
    2)分段判断法: 
    由于AD-5100A型放大器具有Hi—Fi模式(即信号直通模式),在此模式下信号可绕过前级信号处理电路(包括环绕声解码、平衡和音调控制等电路),直通到后级放大器,故我们可利用这一模式来快速判断故障所在的大体部位。例如,收到其他维修同行的一台AD-5100A出现左声道无声故障,我们可将放大器置Hi—Fi模式再试机,若左声道已有声,说明故障在前级电路。若仍无声,就可从后级放大器查起。 
    3)信号注入法判断故障: 
    信号注入法判断故障是早已有过的传统检修思路。但由于现代音响设备的输出功率较大,用信号注入法时,若稍有大意,检修中就会出现烧毁音箱或功放的问题。这里介绍的信号注入法在实际操作中必须非常小心。若在整机主音量控制之后注入信号,都必须在关断电源的情况下接好信号源后再开机试听。所用信号源也必须是能调整输出电平的(例如用可调整输出电平的CD机。也可用CD机的耳机输出插口的信号,用耳机音量控制来调整输出电平);注入信号时应先关小信号电平,慢慢开大信号试听。若在整机主音量控制之前注入信号,则应先关小音量,在接好信号源后再慢慢开大信号。 
    我们以前述左声道无声的故障为例,说明信号注入法检查的具体方法,如果已经用分段法检查证实故障在前级电路,我们就可按照信号流程,用一CD唱机作信号源,接好地线,信号输出端串联-0.5uF电容后,第一步接到IC6a第②脚,应有声。再接人Q16发射极,也应有声。若无声则可能是Q16损坏或Q16的基极控制电压(C5)未加入。若有声,则可顺次从IC5第⑥脚、IC5a第③脚、C22、M69032第15脚、A5—3、IC3a第③脚、J1的相关脚和CZ1注入信号。假若从C22两端注入信号有声,M69032第15脚注入信号无声,则应重点检查C13是否断路,或是M69032工作不正常。依此类推,就能很快找到故障点。 
    4)控制电路的检查: 
    由于AID-5100A和AD-3100A机普通采用电子开关和逻辑控制电路进行功能切换和信号通路控制,故当出现一些功能故障或模式转换故障时,就应检查相关的控制电路。例如,前述的左声道无声故障,若已查到IC6a第②脚输入信号有声,Q16发射极无声,则应先检查Q16是否损坏和Q16的基极控制电压是否正常。若Q16未损坏,但它的基极无控制电压(C5为低电平),故Q16无法导通。检查C5控制电压的问题应先检查图7“模式控制l”图中,IC7b是否正常,从K4—3和K5—1是否送来了控制电压(正常情况不应有控制电压送来)。还可检查图4中的工作模式选择电路,此电路在开机时应自动置两声道模式,LED11发光为正常。
    (2)故障检修实例 
    例1:故障表现为:收到其他维修同行的一台AD-5100A机,只有从CD/VCD输入端能输入信号,其余输入端均不能输入信号,按动其它输入选择按钮均不能转换。相应指示灯也不亮。 
    检修:从故障的现象来看,应是音源选择控制电路的故障,开机检查,发现音源选择控制电路始终锁定在CD/VCD状态,经仔细观察,看见CD/VCD选择按钮位置低于其它按钮。经检查是CD/VCD按钮被按下后不能弹出。遂拆下开关板,将CD/VCD按钮帽用502胶水粘合到位。待胶水干后,装好即恢复正常。 
    例2:故障表现为:收到其他维修同行的一台AD-5100A机。开机后始终处于CD/VCD输入状态,无论按遥控器或面板上的音源选择按钮均失效,不能进行音源切换。 
    检修:从故障表现为来看,此例也应是音源选择控制电路的问题。开机检测,试按动K2按钮时(参看图3),对应的IC2第②脚无高电平输出。由此判断故障在IC2及其外围电路上。测试IC2各脚电压,发现第①脚电压为0.1V(正常时应约为6V),进一步检测,R11及Q2均正常,但第①脚上连接的电容器C11漏电严重,故造成第①脚长期处于低电平(复位)状态。更换C11后恢复正常。 
    例3:故障表现为:收到其他维修同行的一台AD-5100A机,当调整操作时手接近面板就可听到有“嗡……”交流声,其余正常。 
    检修:经检查发现这是收到其他维修同行的一台早期小批量生产时的产品,有个别机在装配时未将电位器的外壳接地,将面板上的各个电位器外壳接地后即可修复。 
    例4:故障表现为:收到其他维修同行的一台AD-5100A机,LD输入时无右声道输出。其余状态正常。 
    检修:此机的故障原以为是音源选择电路故障。检修时也发现插拔LD右声道信号线插头时,出现声音时有时无的情况。开机检查,发现此输入端的莲花插头内部接触不良。更换莲花插头后即恢复正常。 
    例5:故障表现为:收到其他维修同行的一台AD-5100A机,在开大低音音调控制旋钮时,左声道的高音被提升,而低音提升不明显。右声道正常。 
    检修:此故障应是音调控制电路的问题。检查低音提升网络(参看图6a),发现R93、R94、C70均正常,C71已失效(用三用表R×10K挡检测无充放电指示),更换C71后恢复正常。 
    例6:故障表现为:收到其他维修同行的一台AD-5100A机,接通电源后,稍开大音量电位器即出现主功放保护。 
    检修:从故障表现为来看,应是保护电路的问题(参看图9)。检测保护电路uPC1237的第①④、⑤、⑦、⑧脚电压均正常,只是第②脚在有输入信号的一瞬间电压突然上升,进入保护状态。uPC1237电路的第②脚为直流电位检测端,此脚接有由R55、R56和C27组成的滤除音频信号的低通滤波电路,滤除音频信号后。应只检测到功放输出端的直流电位。经检测,C27已失效,更换后故障消除。 
    例7:故障表现为:收到其他维修同行的一台AD-5100A机,旋转低音提升电位器时出现主功放保护。 
    检修:根据故障表现为分析,问题可能出现在前级电路,特别是与音调控制电路相关的电路(参看图6)。为了分段检查判断。先断开后级功放,检测音调控制电路IC5的第⑦、⑧脚,测得第⑧脚约有2V直流电压,旋转低音提升电位器,此电压可上升到10V左右。检测音调控制电路的各元件,发现平衡控制电位器接右声道的一脚已断裂(经查系运输过程损坏)。将此脚焊好后故障机修到这里,终于修好值得探讨。。经分析此故障系因平衡电位器断路后,造成IC5b第12脚悬空,使IC5b输出端电位偏移。此电位经音调控制网络的电阻加到IC5d输入端。调整低音提升电位器时使IC5d的输出端电位上升到10V左右。此电压耦合到主功放电路,会造成主功放输出端短时间出现电位偏移而保护电路动作。 
    例8:故障表现为:收到其他维修同行的一台AD-5100A机,开机时有冲击声。 
    检修:此故障应是保护电路的问题,因为正常情况下主功放应在开机时延迟接通扬声器,以避免冲击噪声。保护电路(参看图9)在正常情况下,IC2的第⑧脚在接通电源后电压应为+3.5V,第⑦脚则在通电后5秒钟左右从0V增加到约2.2V,这时IC2第⑥脚转为低电平,使保护继电器吸合。检测此机时发现IC2第⑦脚在通电瞬间即升到2.2V,继电器很快吸合,无延时,检测C29,发现此电容已失效,更换电容后故障机修到这里,终于修好值得探讨。。 
    例9:故障表现为:收到其他维修同行的一台AD-5100A机,开机后需20多秒才听到继电器的吸合声而开始正常放音。 
    检修:正常情况下,开机约5秒钟保护继电器即吸合。此机故障可能在保护电路(参看图9)。IC2(uPC1237)的第⑦、⑧脚我接元件R57、R58和C29构成延时保护电路。检测这三个元件,发现R58阻值已大到500k以上。更换R58后恢复正常。 
    例10:故障表现为:收到其他维修同行的一台AD-5100A机,接通电源即处于保护状态,不能放音。 
    检修:从故障表现为来看似乎是保护电路或主声道功放电路故障,但在断开主声道功放输入线A2—1(参看图8)后,功放能正常工作;不再进入保护状态,判断故障在前级部分。从前级输出信号到另一放大器试听,发现前级开机时有冲击声,但不能正常放送输入的音乐信号。检测前级电路,发现前级电源电路中无-12V供电电压。测试三端稳压电路7912时,发现7912输入端脱焊。焊好7912后整机恢复正常。 
    例11:故障表现为:收到其他维修同行的一台AD-5100A机,主声道出现“嗡……”交流声。 
    检修:从故障表现为来看,此故障似乎是电源电路故障,经仔细检查,电源电路正常。断开主声道功放输入线A2—1(参看图8),试听时无任何交流声,说明问题在前级,重新接好A2—1,再断开A4-10和A4-11,交流声依旧,说明交流声从“前方左、右声道输出电路”(参看图6a)来的。进一步断开静音开关管Q12和Q13的控制端A,交流声消失,说明交流声可能来自防冲击电路(参看图6a左下部)。经仔细检查,发现C111(470uF)脱焊,重新焊好C111后即排除故障。据分析,此故障系防冲击电路的供电电源滤波电容C11l失效造成的。防冲击电路的电源直接取自电源变压器的~16.5V绕组,经D8半波整流和C111滤波后供给IC12C。这种供电方式的目的在于能在接通或断开电源的瞬间即输出一高电平,控制Q12和Q13导通,以消除冲击噪声。C111脱焊失效后,IC12的电源纹波极大,输出的控制电压也带有较大的纹波成分,使主声道混入电源纹波调制的交流声。 
    例12:故障表现为:收到其他维修同行的一台AD-5100A机,插入话筒演唱卡拉OK时,延时时间选择钮25ms、50ms和100ms按下均不起作用,只有20ms按钮按下有作用,相应的指示灯也能发光。 
    检修:从故障表现为来看,故障可能发生在延时时间选择电路中。请参看图4右下部,此电路是由两个双D触发器CD4013组成。检测CD4013的各脚电压,发现第⑩脚(清零脚)电压为6V左右,正常情况下应为低电平。检测与第⑩脚相关的元件,发现C18已短路。更换C18后功能恢复正常。 
    例13:故障表现为:收到其他维修同行的一台AD-3100A机,主声道的噪声较大。 
    检修:AD-3100A机内无主声道功放,故需外接功放。开机检查时,从机内直接焊接出信号线到外接功放,工作正常,无噪声。仔细检查主声道信号输出莲花插座,发现接地端已断开。焊好接地端后噪声消失。 
    例14:故障表现为:收到其他维修同行的一台AD-3100A机,关机直通状态时只有右声道的声音,左声道无声。 
    检修:AD-3100A机在关机直通状态时,信号只通过J2直接送到主声道线路输出端。故此故障大多是继电器J2接触不良造成的。更换J2即可恢复正常。早期的AD-3100A产品曾采用一种乳白色外壳的HG4123型继电器,此继电器有个别出现接触不良的情况,以后的产品已不用这种继电器。 
    例15:故障表现为:收到其他维修同行的一台AD-3100A机,开机时(两声道状态)从CD/VCD端输入信号,只有一个声道有声,从其余输入端输入信号则正常。 
    检修:从电路原理分析,CD/VCD信号输入通道,与其余输入端的信号输入通道的不同处在于CD/VCD信号输入后还经过J1继电器,所以这里应重点检查J1继电器的触点是否接通。经检测发现的确是儿继电器有一组触点接触不良,更换继电器后整机恢复正常。检修时应特别注意检查乳白色外壳的}tG4123型继电器,这种继电器出现故障的机率较高。 
    例16:故障表现为:收到其他维修同行的一台AD-3100A机,接通电源时出现冲击声,TEST指示灯常亮。 
    检修:根据检修经验,这种故障通常是由于-12V电源无输出造成的。而-12V电源无输出又是由于三端稳压电路7912脱焊造成的(多数是因为运输过程中较强振动或冲击造成的)。这种情况重新焊好7912稳压电路即可修复。 
    例17:故障表现为:收到其他维修同行的一台AD-3100A型机,开机一段时间后。环绕声道出现交流声;随后中置声道和主声道也相继出现交流声。 
    检修:从故障表现为来看,可能是电源部分的元器件性能不稳定造成的。故障机在开机30分钟后出现交流声,此时用示波器检测各电源电路的纹波成分情况,发现IC5(请参看图)第③脚的纹波成分较大,且电压在-6V—10V间波动。检查相关电路,发现滤波电容C116(2200uF/25V)的容量变得很小。更换此电容后整机恢复正常。 
    例18:故障表现为:收到其他维修同行的一台AD-3100A机,选择DSP2模式时插入MIC1演唱无声,其它功能均正常。 
    检修:从故障表现为来看,可能是卡拉OK功能转换相关电路出现问题。由于是插入MIC1无声,故应重点检查MIC1插座。正常情况是话筒插入MIC1插座后,插座内的转换开关应输出转换控制电压(高电平,请参看图7),但实际检测发现MIC1插座上输出的控制电压为低电平。这表明MIC1插座内转换开关失效,更换MIC1插座后即恢复正常。 
    例19:故障表现为:收到其他维修同行的一台AD-2000机,杜比定向逻辑状态时中置声道无声,其余声道均正常。 
    检修:检修时选择杜比定向逻辑模式,输入单声道信号或VCD信号,用示波器检测解码电路M69032第38脚时,有中置声道信号输出,说明解码电路工作正常(参看图12)。再用示波器逐级检测。直到中置声道功放LM3876第⑩脚均有信号。观察LM3876的外观并无烧焦痕迹,手触LM3876外壳时感觉温热,估计IC情况基本正常。从电路原理可知,LM3876第⑧脚为静音控制端(参看图13)。当整机为非杜比状态时,LM3876第⑧脚得到0V左右的控制电压为静音状态,中置声道功放不工作。杜比状态时第⑧脚电压为-12V,LM3876可放大中置声道信号。测量D9和R28的两端此时均为-12V。但LM3876第⑧脚电压却为0V。仔细观察发现电路板上R28焊点的一端有细裂纹,已断路,故未将-12C送到LM3876第⑧脚。将电路上的裂纹用锡焊好中置声道恢复正常放音。 
    例20:故障表现为:收到其他维修同行的一台AD-2000机,中置声道无声。经当地维修店检查系中置声道功放电路LM3876烧毁。更换LM3876后恢复正常放音,但过一段时间后又烧毁LM3876功放电路。 
    检修:LM3876系美国NS公司的优质功放电路,可靠性较高,一般不会出现连续烧毁的事故。开机检查发现换上的新功放电路未平整地固定在散热器上,且未新涂散热硅脂。这种情况在连续大音量放送时容易烧毁LM3876电路。维修人员按规范换上新的LM3876,该机恢复正常。又据了解该机用户所在地的电网电压波动很大。夜晚时电压可达~250V以上。维修人员推荐用户采用家用稳压器供电。其后功放电路一直正常工作。

路过

雷人

握手

鲜花

鸡蛋

最新评论

QQ|Archiver|手机版|家电维修论坛 ( 蜀ICP备19011473号-4 川公网安备51102502000164号 )

GMT+8, 2025-11-21 23:18 , Processed in 0.191174 second(s), 17 queries .

Powered by Discuz! X3.5

© 2001-2025 Discuz! Team.

返回顶部