找回密码
 请使用中文注册

湖山AVK100功率放大器电路原理及维修

2023-5-5 11:22| 发布者: 开心| 查看: 30| 评论: 0

阅读字号:

摘要: 一、电路原理分析 湖山AVK100型AV放大器采用了全分立元件的主声道功放电路(见图2)。 此电路继承了湖山公司的高保真放大器设计经验和对放音性能的重视,加之在用料上毫不含糊,故此机的放音质量极高,输出功 ...
    一、电路原理分析
  湖山AVK100型AV放大器采用了全分立元件的主声道功放电路(见图2)。
  
 
  此电路继承了湖山公司的高保真放大器设计经验和对放音性能的重视,加之在用料上毫不含糊,故此机的放音质量极高,输出功率足(100W×2),可满足音响爱好者欣赏音乐的需要。此机还设有信号直通模式,在此模式CD/LD信号从输入插口输入后,可绕过信号源选择电路、前置放大电路和信号处理电路,直通到后级功放电路。这就更能达到音响发烧友欣赏“原汁原味”音乐节目的要求。 
  此机采用多功能遥控电路和大型荧光显示屏,外形美观大方,使用操作也很方便。 
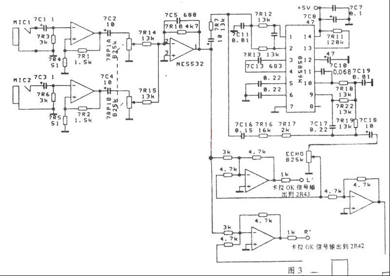
  AVK100机采用了M69032杜比定向逻辑解码电路和性能优良的M65830延时电路,中置和环绕功放均采用美国NS公司的优质功放IC LM3886,因此以优良的性能取得杜比公司的认证。AVK100机还带有性能优良的卡拉OK电路(电路图见图3),可满足家庭卡拉OK演唱的要求。

  

  二、AVK100放大器的检修实例 
    1.收到其他维修同行的一台返修机,环绕声道无输出。 
    经测试环绕声道功放的输入端无信号输入。进一步检测M69032的29脚也无环绕声信号,测39脚却有经解码的环绕声信号输出。由此可判断出可能是延时电路的故障。经检查发现M65830 17、18脚的接地电容坏,更换后可恢复正常。有一批AVK100机的延时电路采用PT2398,其中也发现有极少数PT2398损坏的情况。 
    2.收到其他维修同行的一台返修机在噪声测试状态时,左声道无声。 
    经测试左声道的功放电路的工作状态正常,输入信号检测,左声道功放输出端也有信号输出。进一步检查发现系保护继电器接触不良。更换继电器后即可修复。 
    3.收到其他维修同行的一台返修机,噪声测试各声道均正常发音,但在两声道状态时左声道无声,信号直通状况正常。 
    从整机原理分析,信号直通状态时是绕过了音源切换和信号处理电路的。故此故障可能是音源切换或信号处理电路不正常引起的。测试M69032 32脚无输出,再检测15脚也无信号输入。此时故障可能在音源切换电路(4051)或前置放大电路上。进一步检查发现系左声道信号通道上的电阻2R23断路。 
    4.收到其他维修同行的一台返修机,在杜比定向逻辑模式下工作正常,但在信号直通模式时左声道无声。 
    此故障大多是信号直通继电器接触不良造成的,更换继电器后可修复。 
    5.环绕声道声音时有时无。 
    若测试M69032 29脚的环绕声输出信号正常,可进一步检查环绕声功放的信号输入或信号输出接插件有无接触不良的问题。有时环绕音箱的阻抗过低(如4欧姆,两个环绕音箱并联工作,只有2欧姆),造成功放电路LM3886过热,电路内的保护电路动作,也会造成声音时有时无。 
    6.开机后所有声道均无声。 
    此故障应先检查电源电路是否正常,或观察显示屏是否显示正常。显示屏正常显示,说明电源变压器基本正常。再检测主声道功放和中置、环绕声道电源是否正常。由于此放大器的保护电路是由一片TA7317P完成的,一般来说只要任一声道的输出端出现直流电压,保护电路即可动作,断开所有音箱,造成所有声道均无声。常见的故障是某一个声道的电源出现故障(如某一个滤波电容失效、整流二极管断路)使正、负电源不对称,造成功放输出端电位偏移。 
    7.卡拉OK演唱时无混响。 
    此故障可能是延时电路M65830失效或混响电位器损坏引起的。最好先检测该部分电路的电源电压是否正常。
      8.其它常见故障: 
    输出信号中夹杂交流声故障,通常是电源滤波电容失效。 
    开机烧保险丝通常是主声道功放管烧坏或电源变压器内部短路。 
    杜比解码电路出现故障时,通常是外接的0.1uF电容失效。很少有M69032损坏的情况。延时电路不工作时,通常也是外接电容器失效。

路过

雷人

握手

鲜花

鸡蛋

最新评论

QQ|Archiver|手机版|家电维修论坛 ( 蜀ICP备19011473号-4 川公网安备51102502000164号 )

GMT+8, 2025-11-21 23:18 , Processed in 0.158586 second(s), 17 queries .

Powered by Discuz! X3.5

© 2001-2025 Discuz! Team.

返回顶部