找回密码
 请使用中文注册

STK全厚膜Hi-Fi前后级功放板

2023-5-5 11:21| 发布者: 开心| 查看: 48| 评论: 0

阅读字号:

摘要: START公司用STK3048A和STK6153推出一款全厚膜的前后级合并式功放,电路简洁,音调控制范围宽,动态效果好,胆昧浓郁,其解晰力也不错。 上图1(仅画出一边声道)功放只是对几个参数做了调整,使功放输出端的 ...
    START公司用STK3048A和STK6153推出一款全厚膜的前后级合并式功放,电路简洁,音调控制范围宽,动态效果好,胆昧浓郁,其解晰力也不错。 


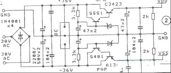
      上图1(仅画出一边声道)功放只是对几个参数做了调整,使功放输出端的中点零飘进一步降低到nV级以下,低频可下潜到5Hz,用双光耦MCT66构成的无干扰喇叭保护电路,实现了开关机防冲击以及功放输出端中点电位偏移保护。图2新设计的音调控制及前级电路用了两块STK3048A。高、中、低音三调节控制量达±15dB,效果相当出众。这主要归功将音调电路设计在交直流反馈网络里以及厚膜内部集成有良好的差分电路及恒流源,高工作电压使其工作接近于甲类,这对拓展动态范围极为重要。STK3048A本身带有铝散热器,在高电压双电源条件下工作时噪声低,失真小,高压供电的STK3048A的转换速率及动态内阻方面已媲美工作电压低于±15V时的AD827以及UL-02AN等。图2是专供前级的低内阻宽频响稳压电源部分。
  

     整个电路印板用CAD辅助设计,尺寸为170×200mm,边缘5只双联电位器每只间隔40mm排成一行。前后级可以连起来用(此时音调部分的电源整流部分可以共用,四个1N4001可以不装,电源由DC跨线联接),接入双26—36V的交流电压(用200W以上变压器)以及喇叭和输入信号就可工作了。也可以将音调和功放分开使用,印板从图1电路图虚线处划开。不论是用厚膜音调前级去推动其它功放,或是用其它音调推厚膜功放,胆味均存。

路过

雷人

握手

鲜花

鸡蛋

最新评论

QQ|Archiver|手机版|家电维修论坛 ( 蜀ICP备19011473号-4 川公网安备51102502000164号 )

GMT+8, 2025-11-21 23:18 , Processed in 0.198311 second(s), 17 queries .

Powered by Discuz! X3.5

© 2001-2025 Discuz! Team.

返回顶部