找回密码
 请使用中文注册

胆机推挽功放电路

2023-5-5 11:21| 发布者: 开心| 查看: 30| 评论: 0

阅读字号:

摘要: 这种胆机推挽功放原理见图1。输出级的两管直流电路是串连的,交流电路是反向并联的。各元器件构成一个电桥,其中两臂是管子的内阻,另外两臂是电源E1和E2的内阻。RL是有抽头接地的负载。 具体线路见图2,这里 ...
    这种胆机推挽功放原理见图1。输出级的两管直流电路是串连的,交流电路是反向并联的。各元器件构成一个电桥,其中两臂是管子的内阻,另外两臂是电源E1和E2的内阻。RL是有抽头接地的负载。
  

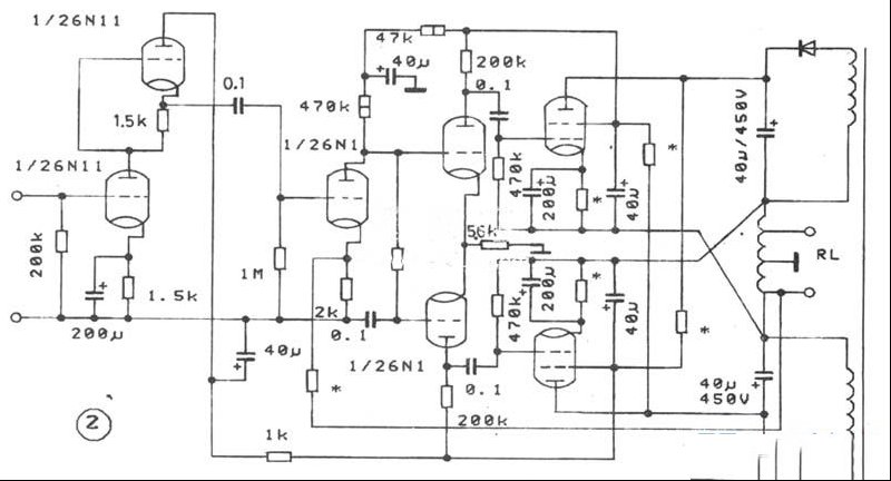
  具体线路见图2,这里只绘出一个声道。前置级由6N11构成SRPP电路,取其输出阻抗低、失真小。高频响应好的特点,倒相级则采用常用的长尾倒相电路,这里不作详细分析,读者可参考有关文章。末级则是由两只输出管构成反向并联推挽电路,输出管各电极的接线与通常的推挽放大器末级管的接线是不同的。另外,电源要有两套,且各自独立。不难看出,所谓的反向并联推挽电路,不过是在普通推挽放大电路的基础上增加了一套电源,然后把其中一只管子的极性掉换,再把电源和负荷的位置对换而已。 
  

   电路最大的特点就是输出变压器构造极为简单,为自耦变压器,而性能却很好。因为输出变压器只有一个线圈,所谓的初、次级不过是从其上抽头而已,因此耦合紧、漏感小,可不用夹层、分段、交叉绕制。又因负载上无直流通过,故以同样体积的铁芯,可以得到较大的电感。
    图2中带※号的元件,要根据所有管子的不同,适当加以调整。

路过

雷人

握手

鲜花

鸡蛋

最新评论

QQ|Archiver|手机版|家电维修论坛 ( 蜀ICP备19011473号-4 川公网安备51102502000164号 )

GMT+8, 2025-11-22 07:48 , Processed in 0.176681 second(s), 17 queries .

Powered by Discuz! X3.5

© 2001-2025 Discuz! Team.

返回顶部