找回密码
 请使用中文注册

如何调试TDA1514A功放块

2023-5-5 11:21| 发布者: 开心| 查看: 25| 评论: 0

阅读字号:

摘要: TDA1514A是飞利浦公司专为数字音频系统而设计的功放电路,该功放IC具有的功能和特点《电子报》已介绍多次,其频响宽、失真小、动态范围和输出功率大等优点,深受发烧友的青睐。 TDA1514A功放虽然有很多功能 ...
    TDA1514A是飞利浦公司专为数字音频系统而设计的功放电路,该功放IC具有的功能和特点《电子报》已介绍多次,其频响宽、失真小、动态范围和输出功率大等优点,深受发烧友的青睐。
    TDA1514A功放虽然有很多功能和优点,但使用不当,也很容易造成损坏。因此,这种功放块在安装、调试过程中,必须把握好以下几点: 
    1、功放块使用电压不能超过±27.5V,选取±23V~±25V为宜。笔者曾使用功放块的极限电压±30V,随着市电电网的波动,已经损坏了两块1514A,因此,使用电压绝对不能超过±27.5V。 

      2.调整功放输出点0V电压,须采用直流伺服电路(见图1)。
  

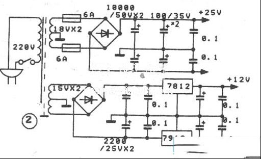
  伺服电路能较好地解决功放输出端直流电位的漂移。伺服电路供电可在±25V电压上取,也可以通过变压器另绕一组双15V经整流三端稳压后供伺服电路使用(见图2)。
  

  如果使用有源伺服电源供电效果更好。伺服电路用的运放块,不少发烧友喜欢用运放之皇NE5532,使用这种运放块,应用NE5532N型的,最好不要用NE5532P型的,因为P型易自激,给中点调零电位带来困难,搞不好还会损坏功放块。笔者认为,市面上NE5532N很难购买到美国正宗的产品,不如使用LF358、LM368、C4558等运放块,笔者用C4558(日产,价格比NE5532低一半)效果相当不错,经测试,功放块的中点失调电压,一声道为0.5mV,另一声道为2.5mV。     3、功放块输出电流达6~8A,输出功率达50W,如果安装两路输出,元件质量要有保证。一是电源变压器功率应大于200W,初级线径使用φ0.6mm漆包线绕制;次级线径选用φ1.3mm漆包线采用双线并绕,以满足功放低音力度的要求。二是功放整流电流应选用不小于10A的桥堆或二极管,以利于功放大电流工作。三是电源退耦滤波电容选用不小于10000uF/50V的大电容,容量不足时,可用多只并联使用。四是功放散热器面积要有保证,为减少功放块与散热器之间的热阻,应在接触面涂上硅脂,散热器以工作4小时不感到烫手为宜。 
    4、电源退耦滤波电容应尽量靠近功放块,如果引线较长时,应在功放线路板(正负电源与地端)上直接焊上两只470uF/35V~1000uF/35V的电容,以减少功放输出的交流声和线路自激。 
    5、功放整流输人两端和扬声器输出端应加装保险丝,有条件安装扬声器保护电路。总之,使用TDA1514A,只要掌握好上述要点,并注意元件质量和布线焊接工艺就可以调试好这套优质功放。接上CD唱机或其它高保真信号源进行煲机,推动一对自制的惠威S8、SS1音箱试听,音色通透纯正,感觉低音力度丰富厚实,高音的解晰力清晰明快,很有电子管功放的韵味。

路过

雷人

握手

鲜花

鸡蛋

最新评论

QQ|Archiver|手机版|家电维修论坛 ( 蜀ICP备19011473号-4 川公网安备51102502000164号 )

GMT+8, 2025-11-22 07:48 , Processed in 0.177084 second(s), 17 queries .

Powered by Discuz! X3.5

© 2001-2025 Discuz! Team.

返回顶部