找回密码
 请使用中文注册

大功率单声道多功能功放模块D-200W

2023-5-5 11:21| 发布者: 开心| 查看: 35| 评论: 0

阅读字号:

摘要: D-200W模块设计独特,将过热、过压、过载(负载短路)、电源极性接反、扬声器冲击等多种保护功能集于一模块内。模块采用独创的乙类同步动态偏置电路使静态功耗降到最低。具有快速的瞬态响应能力、较高的增益和等 ...
    D-200W模块设计独特,将过热、过压、过载(负载短路)、电源极性接反、扬声器冲击等多种保护功能集于一模块内。模块采用独创的乙类同步动态偏置电路使静态功耗降到最低。具有快速的瞬态响应能力、较高的增益和等响度效果。D-200W经国家某二级计量站鉴定达到设计指标。其基本原理方框图见图1。
  
 
  D-200W前级采用差分放大,恒流源供电,激励级电压放大亦用恒流负载。末级是乙类同步动态偏置功放。综合控制电路除保证过热、过压、负载短路等保护功能的实现外,并供给同步动态偏置电路和三级放大偏置电流。模块整体静态电流<15mA,功放末级静态仅3~5mA,基本达到了静噪效果。模块电路设计“简洁”,仅有三级放大,最大输出时瞬态电压可达电源电压幅度。在电源电压士50V时,瞬态转换速率在20Hz~20kHz频段内高达±50V/us。 
末级功放采用6只专用高频大功率管芯片并联输出,电路输出内阻极低。由于乙类同步动态偏置作用,电路自动调整能力很强。输出接感性、阻性负载,阻抗从高阻至下限2Ω,模块均能正常工作,模块用时不另加前置放大。
 
  
 
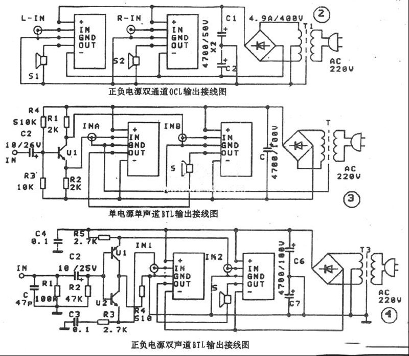
  D-200W模块在音响上的应用方法见图2、3、4、5、6。
  技术参数如下: 
工作电压:±5V~54V;
  不失真额定功率(PO)=115W;
  总谐波失真(THD)20Hz~20kHz<0.5%;
  转换速率(SR)±50V/us;
  频响20Hz~20kHz;
  总静态电流<15mA;
  信噪比(S/N)112dB;
  最大音乐功率(瞬态)300W;
  电压频响5Hz~600kHz;
  功率频响5Hz~350kHz;
  整机增益113dB;
  输出中点失调电压<30mV;
  额定正弦功率输人灵敏度≤350mV;
  标称输入阻抗47k;
  标称输出阻抗8Ω;
  保护电压60V;
  保护电流6A;
  温升保护90℃;
  推荐工作电压±45~±54V;
  不另加散热器自身功率≥10W;
  模块尺寸100×60×15mm。 
自身散热器厚4mm,表面绝缘安装型。另加散热器表面功率散热尺寸:10W/100cm2。

路过

雷人

握手

鲜花

鸡蛋

最新评论

QQ|Archiver|手机版|家电维修论坛 ( 蜀ICP备19011473号-4 川公网安备51102502000164号 )

GMT+8, 2025-11-22 07:39 , Processed in 0.174779 second(s), 17 queries .

Powered by Discuz! X3.5

© 2001-2025 Discuz! Team.

返回顶部