找回密码
 请使用中文注册

LM3886在家庭影皖中的应用

2023-5-5 11:21| 发布者: 开心| 查看: 41| 评论: 0

阅读字号:

摘要: LM3886是美国NS公司最新面市的大功率高性能集成功放,在5Hz~100kHz范围内线性良好,互调失真低达0.004%,谐波失真和噪声仅0.03%,且有过压、欠压、过流、超温等完善保护功能及开机防冲击静音功能。本文介绍 ...
    LM3886是美国NS公司最新面市的大功率高性能集成功放,在5Hz~100kHz范围内线性良好,互调失真低达0.004%,谐波失真和噪声仅0.03%,且有过压、欠压、过流、超温等完善保护功能及开机防冲击静音功能。本文介绍LM3886在家庭影院系统中的几种实际应用。

  

  一、优质双声道功放;LM3886在额定电压下输出连续功率近70W,峰值功率达150W。双声道功放采用简洁典型线路,可取代多种中低档发烧功放,适合用作家庭影院左右主声道功放。全电路装在同一印制板上,两只LM3886各配一只长140厚50高75(mm)专用铝型材散热器,固定在印制板两侧以利散热。电源变压器可选用双24~28V、3~5A环牛。 
  

  二、强力BTL功放:由运放皇NE5532和两只LM3886同相、反相放大器组成纯BTL桥式放大器,可轻松输出200W以上不失真功率。可用于歌舞厅、卡拉OK厅、剧场扩音等场合。此电路在小音量放音时音质仍能保持自然流畅。BTL功放电路见图1。每声道一个电路板,有独立的整流滤波及推动电路,两只散热器尺寸为长140厚50高100(mm)。 
  
 
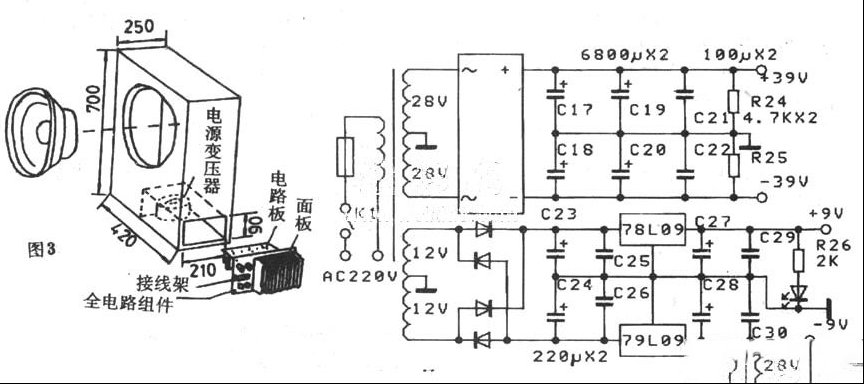
  三、超重低音有源音箱:图2是一款家用超重低音有源音箱电路。
  
 
  图中Linkwitz有源补偿器通过精确控制补偿峰的中心频率f1及其Q值,可使自然转折频率50Hz左右的封闭箱(见图3)频响曲线(见图4)平坦地向下延伸,低端-3dB点达到25Hz。
  
 
  
 
  图4中曲线a为自然频响,b为补偿曲线,c为系统频响。低通滤波器的转折频率为80Hz~200Hz连续可调,使有源超重低音音箱能与读者的不同频率下限的双声道音箱相配。扬声器选用银笛YD310—43,盆直径310mm,磁体直径158mm,共振频率25Hz,Q=0.35,连续功率50W,灵敏度高达95dB。与灵敏度为88dB的惠威S8单元相比,两者灵敏度相差7dB。如果同是闭箱,银笛YD310-43输入50W时的输出声压相当于惠威S8单元输入≥200W时的输出!也可用南鲸YD310-8XA代银笛。箱体不采用瞬态性能差、灵敏度低的倒相箱,而用最简单的封闭箱。箱体应结实、不漏气,内部填充玻纤棉或保暖用腈纶棉吸声,箱体下部小腔用来安装电路部分。
    为安装简洁起见,全部电路均装在印制板上,印制板、散热器、开关、输入输出接插件部固定在金属面板上,再用6只螺钉固定在音箱上,接通喇叭和变压器即可工作。用低频信号发生器配合DN60频谱仪测量,本有源音箱低频下限达25Hz。将本超重低音有源音箱与家庭立体声音箱相连,即组成3D放音系统,立即就能体会到“低音是音乐的基础”这句话的无比正确!播放《悲情世界》No.1及No.5等曲时,感觉不仅耳朵、皮肤处于浩瀚声场之中,甚至整个身心均受到超重低音的震撼性冲击。

路过

雷人

握手

鲜花

鸡蛋

最新评论

QQ|Archiver|手机版|家电维修论坛 ( 蜀ICP备19011473号-4 川公网安备51102502000164号 )

GMT+8, 2025-11-22 08:15 , Processed in 0.182247 second(s), 17 queries .

Powered by Discuz! X3.5

© 2001-2025 Discuz! Team.

返回顶部