找回密码
 请使用中文注册

高性能集成功放LM3886

2023-5-5 11:20| 发布者: 开心| 查看: 82| 评论: 0

阅读字号:

摘要: 随着音响爱好者对重放声音质量要求的提高,一些发烧友把探求的目光由集成功放及厚膜功放转向晶体管分立元件功放或电子管功放。但如果分立元件功放的输入差分级、推动级及末级的对管配对不好,则整机性能必打折 ...
    随着音响爱好者对重放声音质量要求的提高,一些发烧友把探求的目光由集成功放及厚膜功放转向晶体管分立元件功放或电子管功放。但如果分立元件功放的输入差分级、推动级及末级的对管配对不好,则整机性能必打折扣。 
    客观地说,早期集成功放在音质上的确存在这样那样的问题且功率偏小,但几年前也有音域平衡、音色宜人的精品见市,如美国国家半导体公司(NS)推出的30W功放LM1875,若元件选配适当、印板布线合理、电源供应充沛,小音量重放颇有ARCAM(雅骏)与CREEK(浪泉)一类功放的风范。曾有发烧前辈高度评价其音质。

      美国NS公司推出的50W(RMS)高性能功放LM3886,在5Hz~100kHz内,线性度良好,互调失真低达0.004%,谐波失真及噪声(THD+N)仅0.03%,兼有过压欠压过载、短路、超温保护及静噪功能,十分适合既追求音质优美,又追求音量强劲的发烧发装制大功率高保真音响、有源音箱或打摩改造旧型音期功放。 
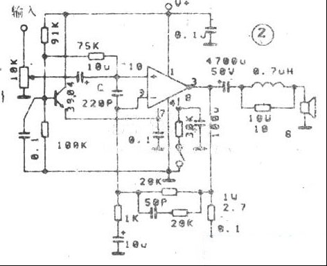
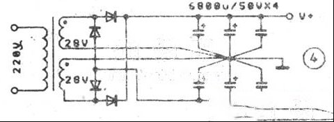
   LM3886外形及引脚见图1,主要性能见表,单、双电源典型应用电路见图2、图3,电源见图4。 
  

  

  

  

  

  制作与试听时注意:1、电源供应充沛才能获得高响应速度,为两声道供电的离品质环牛总功率宜300-400VA,次级电压为2组28V,整流桥≥15A,滤波电容质量不可忽视,可用Macon,Nippon等名牌或国产正品,高频去耦电容以聚丙烯为佳。2、由于输出功率大,配用的散热器应有足够的辐射表面积,并用导热硅脂降低热阻。3、自制印制板走线应注意输入回路与负载回路接地分开。4、信号输入线宜短,太长易自激,输入端电容C可消除高频振荡,容量为50~500pF。5、输出端0.7uH电感用φ1.2漆包线直接在10W10Ω金属膜电阻上平绕22匝后与电阻并联。

路过

雷人

握手

鲜花

鸡蛋

最新评论

QQ|Archiver|手机版|家电维修论坛 ( 蜀ICP备19011473号-4 川公网安备51102502000164号 )

GMT+8, 2025-11-22 06:36 , Processed in 0.177032 second(s), 16 queries .

Powered by Discuz! X3.5

© 2001-2025 Discuz! Team.

返回顶部