找回密码
 请使用中文注册

uPC1237H保护电路及制作

2023-5-5 11:20| 发布者: 开心| 查看: 32| 评论: 0

阅读字号:

摘要: uPC1237H是专门作保护用的集成块,它已经具有开机延时,输出端直流电位偏移,输出过载和关机冲击等保护功能,第⑦脚是开机保护输入端;②脚是扬声器中点电位保护输入端;①脚为过载检测输入端;④脚为关机保 ...
    uPC1237H是专门作保护用的集成块,它已经具有开机延时,输出端直流电位偏移,输出过载和关机冲击等保护功能,第⑦脚是开机保护输入端;②脚是扬声器中点电位保护输入端;①脚为过载检测输入端;④脚为关机保护检测端。
     +45V直流电压通过R1611和R1612向⑦脚供电。但刚开机时,C1601要充电,直到⑦脚升到足够高,⑥脚才能使继电器动作,喇叭接通,这段时间就是开机延时时间。调整此电容值即可令其有适中的延时。②脚分别通过R1609和R1610检测左右声道输出的直流电位,其动作电压值由这两个阻值和R1614而定,C1603作平滑及延时用。 
    ④脚检测是否关机主要是看其有否电压。为了如前文所述减小、时间常数,专门设置自己的整流装置,配置了小容量的滤波电容C1605,仅为4.7uF。所以关机时,主电路的大滤波电容还未放完电,④脚即先失电,断开喇叭,避免了关机时的冲击。 
    ①脚接在Q1603,当该管导通时,+12V供电送入①脚,继电器即动作。而Q1603则分别受左右声道的Q1601和Q1602控制,现以上面一路为例。功放输出音流流经R1601,在负半周时,若喇叭负载过重,此取样电阻两端压降增大,极性为左负右正。Q1601的发射极接在R1603与R1605加上D1601正向压降分压点上,只要基极对发射极达到导通电压,Q1601即导通。Q1603为PNP管,其基极通过D1603和R1607得到负电,该管导通集成电路,①脚就可以得到正电产生动作。 
  

  用uPC1237H做成的保护附加器可以方便地加到音响上,图1电路为STK4191输出50W机上用的,当改用于别处时,应适当调整R1601和R1602取样电阻,使在正常使用,稍过额定功率时继电器动作为宜。若供电电压改变较大,则应稍改变某些电阻。此保护器效果很好,对末级功放和扬声器是必不可少的,且还可免除开关机的不愉快冲击声。曾经在某组合音箱中,单独中音喇叭烧坏短路,尚未引起注意而本保护器动作。 
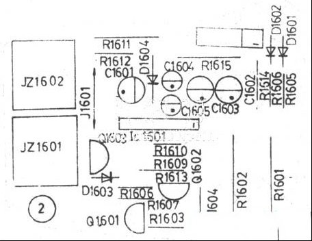
    图2、图3为印板图用两只继电器并联主要是因为小型的双刀大电流继电器较难找。这点可随手头材料变通。

  

路过

雷人

握手

鲜花

鸡蛋

最新评论

QQ|Archiver|手机版|家电维修论坛 ( 蜀ICP备19011473号-4 川公网安备51102502000164号 )

GMT+8, 2025-11-22 06:37 , Processed in 0.177189 second(s), 17 queries .

Powered by Discuz! X3.5

© 2001-2025 Discuz! Team.

返回顶部