找回密码
 请使用中文注册

数字电调谐收音机电路原理与常见检修思路

2023-5-5 11:20| 发布者: 开心| 查看: 33| 评论: 0

阅读字号:

摘要: 随着电子技术的日新月异的发展,采用数字电调谐的收音机、录音机、音响等越来越普及。数字电调谐与机械调谐的根本区别在于它包含有由CPU(中央处理单元)构成的操作电路,从而使整机的操作使用与某些电气性能明显 ...
    随着电子技术的日新月异的发展,采用数字电调谐的收音机、录音机、音响等越来越普及。数字电调谐与机械调谐的根本区别在于它包含有由CPU(中央处理单元)构成的操作电路,从而使整机的操作使用与某些电气性能明显优于机调接收机。数字电调谐接收机的控制电路,其核心为一块专用单元微处理器,本文以目前使用最为普及的TC9307系列微处理器为例,介绍控制电路的构成,着重剖析电路常见故障的检修思路与经验,既适合数字电调谐收音机,也适合数字电调谐的录音机、单放机、音响等。 
  

  一、采用数字电调谐接收机具有如下特点 
    1、采用按键而不是旋钮来选择电台; 
    2、具有手动搜索、自动搜索、存贮器调出、存贮器扫描、还有的高档数字调谐收音机可用数字键直接设置频率等多种灵活方便的选台功能; 
    3、接收频率用数字显示,频率几乎不随外界条件漂移; 
    4、可以方便地实现接收制式的变换; 
    5、具有时钟及时钟控制功能; 
    
二、电路简介 
    (一)、微处理器 
    TC9307为44脚扁平封装,是四位单片微处理器,其内部包含有CPU、ROM、RAM、通用寄存器,外加频率计数器、分频器、频率合成器及多个输出输入口,由此构成了锁相环电路(PLL)液晶显示器驱动电路及矩阵键电路。其计数脉冲,来源于外接75kHz或150kHz晶振。 
    在9307系列中,我们以9307-010为例,介绍各引脚的分布、名称及引脚功能。详见表1。
  
 
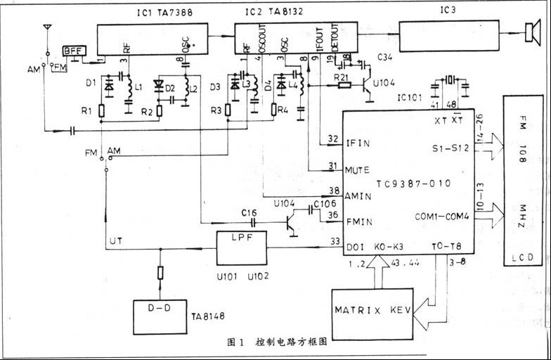
   (二)、控制电路方框图 
    图1给出了由TC9307-010组成的控制电路方框图,为方便后面的讨论,图中绘出了收音通道的方框。
  
 
      图1中由TA7358、TA8132所组成的收音通道与机械调谐式接收机大同小异,不同点主要在于FM与AM的调谐回路中,机调电路采用四连可变电容器作为调谐电容,而电调电路则采用变容二极管(图1中的D1-D4),其电容的变化是通过改变加在其两端的反向电压Vt来实现的。反压越高,变容二极管结电容越小,回路谐振频率越高。而调谐电压Vt,由控制电路决定,数字电调谐控制电路的核心,就是如何完成对Vt的控制。Vt是通过9307内部锁相环电路的输入输出端与外电路联接,组成一锁相环路来实现的。 
    图1中液晶显示器(LCD)与9307LCD驱动电路的公共输出端COM1~COM4及段输出端S1~S12相连,组成48段显示,用以显示频率、波段、时间及各种操作符等。矩阵键与9307矩阵键电路的键输出口T0~T5,键输入口K0~K3相连,组成键操作电路,以完成各种设置与操作。环路滤波器(LPF)的作用是将9307内部鉴相器输出的脉冲信号变为直流信号,以改变调谐电压Vt。
   (三)、实用控制电路介绍 
    图2为9307-010实用控制电路,凡采用9307-010,9307-008的广播接收系统,其控制电路形式与此大同小异。 
    下面分三部分介绍图2电路。
  
 
   1.锁相环电路(PLL) 
    锁相环电路,是实现数字电调谐的核心,9307-010 31~38引脚为内部PLL电路的输入输出口,有关这些引脚的功能说明见表1。 
    下面以FM波段为例,介绍锁相环路的构成及电路的工作过程,以便进一步搞清楚各个口及外围电路的作用,而对9307内部电路,不深入涉及。 
    9307内部有一鉴相器,FM高频头电路7358第⑧脚输出的本振信号经C16耦合至V104放大后,加至9307的36脚FM输入口(见图1)。9307对其分频作为鉴频器的取样信号。 
    9307外接75kHz晶振,产生的振荡信号一方面作为CPU的计数脉冲,另一方面分频后经内部频率合成器作为上述鉴频器的基准频率,该基准频率可以通过多种选台方式设定,而在LCD上显示的,则是设定的基准频率所对应的接收电台的频率; 
    鉴频器对取样频率与基准频率鉴相,产生一占空比与极性随相位的差异而不同的脉冲,由33脚鉴频输出口输出; 
    鉴频输出由V101、V102组成的环路滤波器滤波后产生一直流输出去改变场效应管V103漏源之间的直流电阻,进而改变调谐电压Vt,并由此改变本振频率,强迫与本振频率对应的取样频率与基准频率一致。相位一经锁定,只要晶振频率不变,则FM本振频率就不变。 
    在自动搜索过程中,基准频率在按一定步长自动改变,在锁相环的作用下,本振频率也按一定步长跟随其自动改变,而一旦接收到某一电台,就会自动停止搜索,搜索过程中,整机没有噪声。自动搜索停台与静噪功能,涉及到9307 31脚静噪口与32脚中频计数输入口,其工作过程是: 
    在自动搜索过程中,31脚被内部CPU置高电平,该高电平一方面经R2加至外接静噪三极管V2基极,使其c—e间导通,将从8132 19脚输出的检波后的音频信号对地短路,起到静噪作用,另一方面,该高电平直接加至8132第⑧脚,启动8132从第⑨脚输出中频计数脉冲,该脉冲加至9307的第32脚中频计数输入口,其频率等于外来电台信号的频率与本振频率之差。在自动搜索过程中,该频率也按一定步长在递变。一旦频率值恰为10.7MHz即FM中频时(AM为450kHz)被9307计数后识别,立即停止搜索扫描。此时,接收机收到一个电台信号。 
    在AM波段,除AM本振信号是经9307 38脚AM本振信号输入口输入外,其它部分均与FM波段相同。 
    由PLL电路引起的常见故障: 
    (1)整机无台; 
    (2)某个波段无台; 
    (3)自动搜索不能停台; 
    (4)自动搜索时静噪不起作用。 
   2.矩阵键电路 
    TC9307-010能设置成不同的广播制式,具有多种选台功能及其它控制功能,而这一切都是通过对其矩阵键进行正确的设置与操作来实现的。 
    上图表1中,与9307第③脚至第⑧脚对应的T0~T3口为键输出口,与43、44、①、②四脚对应的K0~K3为键输入口,这10个口按矩阵方式构成表2中6×4共24个键,其中打*的为固定跨接键,通过两口之间是否跨接二极管来确定某种制式或某种功能,一般情况下,不对这些键操作;未打*的键为轻触操作键,通常设置在面板上,通过触按这些键及控制接通的时间来完成某种操作。各键的功能见表3。 
  
 
  
 
      图2中,D113、D114、D106、D108均直接跨接在键输出口与输入口之间(就是上面所述的固定跨接键)表示这些键接通。而有些跨接键位置没有接二极管,表示这些键断开。图2中用圆圈表示,且中间有字符的键为上述的轻触键,如M1。    9307内部CPU通过依次对键的各个口扫描来识别闭合键,以获得相关指令,完成相应的控制与操作。 
      图2中,Up键右边的SW3为LOCK键(自锁键),它不属于上述的矩阵键,该键通过D109串接在9307第⑤脚键输出口T2上,可控制该口是否与Au、Dn、Up三个键接通,只有接通,才能对这三个键操作,因此,SW3可以将这三个键锁死,其作用是避免因误触按这些键而改变接收频率。 
    矩阵键电路可引起下列故障: 
    (1)操作键失灵,具体又可分为对一个键操作失灵,对某一列键或某一行键操作失灵,对全部键操作失灵。 
    (2)制式错误,具体表现为搜索步长不对,波段不对,频率范围不对等。 
    3.液晶显示器(LCD)驱动电路 
    9307内部有LCD驱动电路,其输出由与⑩~13脚对应的公共输出端及由⑩~13脚、18~26脚对应的S01~S12段输出端引出,分别加至液晶屏的①~④脚及⑤~16脚。9307的第⑨脚为液晶屏提供稳定在3V左右的直流电压。
    驱动电路在CPU控制下从上述16个输出端按一定时序以扫描方式依次输出占空比为25%、频率为125Hz,幅值稳定的驱动信号,使液晶屏显示相应的字符。 
 
  液晶屏的全显示图象如图3所示。 
    4个公共端与12个段符端按矩阵方式可显示48个符号,其对应的矩阵排列见表4。 
 
      表4中,4个公共端对应每一列的显示字符,12个段符端对应每一行中的显示段符,只有当某行与某列同时有输出时,这一行与这一列共同对应的段符才会显示出来。 
    表4中48个段符对应在屏上的显示位置如图4所示。 
    图4中五个用数字表示的数字符,每一笔为一段,共七段,以使每个数字符可显示0~9十个数字。比如表4中的3a,对应于图4中第3个数字符最上面的一横,3d则为该数字符的最下一横,依此类推。而其它的符号,如SLEEP、MHz等,表3中的一项对应整个字符串。 
 
   LCD驱动电路的常见故障有: 
    (1)无显示; 
    (2)显示亮度不够; 
    (3)全显示; 
    (4)显示错误。 
    以上对9307控制电路的三个主要部分作了介绍。为了维修方便,现给出正常工作情况下,图2中9307-010各引脚电压与波形,及各三极管的直流工作点,见表5与表6。
 
  
 
  

  二、常见故障检修实例剖析 
    (一)无显示 
    无显示是指LCD(即液晶显示屏)上不显示任何字符。 
    引起无显示故障的原因有:1、直流供电系统故障;2、控制电路中晶振电路故障;3、TC9307本身故障。下面举例说明。 
    【例1】故障表现为:LCD无显示,但可听到噪声。 
    故障分析与检修:有噪声,说明收音功放部分电源已接通,故障出在控制电路。首先查TC9307直流供电电路。测TC9307 39脚(即电源输入端)电压,其值为零伏,正常值为5.3V。该点电压为零有两种可能,一是这点对地短路;二是电路没接通。测39脚对地电阻,没短路,说明故障属后者。查电原理图知,控制电路的电源电压是通过D101、L101加至IC 39脚的,于是再测D101负极电压,其值为5.3V正常,因此判断L101开路,换之故障机修到这里,终于修好值得探讨。。 
    故障讨论:L101开路,控制电路因得不到电源而无法工作,致使LCD无显示。而收音电路工作电源是通过另一条线路进入的,所以仍可工作,使扬声器发出噪声。同理,若D101开路或IC 39脚虚焊也会出现类似故障。 
    【例2】故障表现为:LCD显示时有时无,收音也随之时有时无,故障时无明显噪声。 
    故障分析与检修:显示时有时无,说明有关电路元件虚焊或接触不良。在故障状态下,测39脚电压,其值为5.3V正常,说明电源已接通。再测⑨脚电压其值为2.6V也正常,说明9307内部稳压电路工作正常。因此,怀疑故障出在晶振电路,为进一步证实,测得TC9307有关各脚电压值如表7所列。 
 
     将表7与表6对照可见,⑨~26脚电压正常说明LCD的整个直流供电系统没问题,但40、41即外接晶振的引脚电压为零伏不正常,且①~⑧即距阵键信号输入与信号输出端等与振荡电路有关的引脚电压都不正常,故断定振荡电路有问题。由原理图知,振荡外围电路只有晶振(XTAL)与C111、C112三个元件,检查这些元件,发现晶振接触不良,换之,故障机修到这里,终于修好值得探讨。。 
    故障讨论:晶振不良,振荡电路停振,使TC9307内部CPU无计算脉冲而不能工作。因此,导致与之有关的各脚工作电压不正常,LCD无显示。又因9307内部CPU不工作,31脚电位不受控一直处高电平5.3V。该电压加到收音板静噪电路,使收音机处静噪状态,所以几乎听不到噪声。同理,若C111或C112开路也会出现类似故障。 
    【例3】故障表现为:无显示,无噪声。 
    故障分析与检修:先测TC9307 39脚电压其值为5.3V正常,再测⑨脚电压,其值为0.55V,低于正常值2.6V。该点电压偏低有两种可能,一是该点外部电路有短路现象;二是IC内部稳压电路故障。查⑨脚外围电路,没发现短路,故怀疑IC有问题。为进一步确定,测得TC9307各脚电压如表8所列。 
 
    结合电原理图,分析表8中数据知,IC各脚电压(除外电路提供的电源电压外)均不正常,晶振电路也没问题,故断定IC本身有故障。 
    故障讨论:晶振电路故障与IC本身故障所表现的现象很相似,即都是无显示无噪声,且IC大多数引脚电压都不正常,初学者往往不易区分。通过上述实例我们看到,两者的最大区别是看⑨脚电压是否正常。正常多为前者故障,反之为后者故障。抓住这关键的一步,可使修理少走弯路。 
    通过对上述实例的剖析,可得出检修无显示故障的一般方法与步骤(见图5)。
 
   (二)全显示或多显示 
    全显示是指LCD中所有内置的字符全部同时显示出来。多显示是指LCD上显示了多余的字符或笔划。 
    因为只要LCD的公共端与段端之间存在一定的电位差,就能够显示。所以,这类故障一般都出在LCD电路,可能的原因是:1、显示屏某一引脚对地短路(引起全显示);2、显示屏任意两脚之间存在短路(引起多显示)。下面举例说明。 
    【例4】故障表现为;轻压收音机外壳,会出现全显示现象。 
    故障分析与检修:收音机在受压后出现故障,说明LCD某引脚存在受压与地短路现象。因为LCD的引脚部分一般都要用金属片加以屏蔽,而屏蔽罩又接地,所以怀疑屏蔽覃与LCD引脚短路。拆除屏蔽罩,故障消失。检查屏蔽罩,发现其内部绝缘层破损使LCD引脚与其相碰短路。于是在其内部加贴一层胶带纸,再将机子复原,故障机修到这里,终于修好值得探讨。。 
    故障讨论:LCD引脚对地短路,使LCD各段电位下降,各公共端与段端的电位差使得所有的段符都显示出来,出现全显示故障。 
    修理这类故障,如果用直观法一下看不出短路的具体部位,可用万用表依次测LCD各脚的对地电阻,找到与地短路的那个引脚。 
    【例5】故障表现为:多显示。 
    故障分析与检修:因为LCD任意两引脚之间短路都会使其中的几个引脚电平下降,导致这几个脚的公共端与段端存在电位差而显示出字符。所以,修理这类故障最简单的方法是,首先目测LCD各引脚,看有无短路之处,若没发现,再用万用表依次测相邻两引脚之间的阻值。本例测得⑤⑥脚之间阻值为零,仔细查看这个位置,发现两脚之间有很细的铜箔挂丝,去之,故障机修到这里,终于修好值得探讨。。 
    故障讨论,因为LCD两引脚之间的距离很小,故在生产中经常出现引脚之间电路板挂丝或焊点短路的现象,而引起全显示、多显示等故障。
 
     (三)显示不全 
    显示不全是指应该显示的字符漏显示或缺少笔划。 
    产生故障的原因是:1、LCD引脚外电路故障,使引脚得不到正常工作电压。2、LCD本身故障,请看下面检修实例。 
    【例6】故障表现为:LCD上的字符有时缺少如图6中画o部分的笔划。 
    故障分析与检修:时而缺少笔划,说明LCD电路中存在元件接触不良或焊点虚焊现象。根据故障表现为对照图4知,所缺的笔划对应图中字符的c、d段等处,再对照表4知,该两段对应COMl,即LCD①脚(外接TC9307⑩脚)。因此,在故障状态下测该脚电压,其值为2.6V正常,说明外电路没故障。查看该点焊点,没发现虚焊,所以怀疑LCD本身接触不良。为确认,将另一块好的LCD并于电路中(不用焊接,用手拿着),在好的LCD上显示正常,所以断定原机子上的LCD不良,换之,故障机修到这里,终于修好值得探讨。。 
    故障讨论:通过多例类似故障的修理发现,LCD本身接触不良多发生在LCD内电路与其引脚的交口处焊接与封装不好。所以,修理时可用烙铁烫故障脚,在其恢复正常显示后再用少许黄胶固定,用此法,常常可修复LCD。 
  
 
    【例7】故障表现为:显示字符缺少图7中画。的笔划。 
    故障分析与检修思路:看故障表现为查图4并对照表4知,所缺笔划对应LCD 11脚(与9307 20脚连接)。因此,测LCD 11脚电压,其值为零,正常值是2.6V。说明该引脚外电路有故障。仔细检查发现,该脚焊盘与线路交口处有一条细裂缝,接好,故障机修到这里,终于修好值得探讨。。 
    故障讨论:修理此类故障,若手边有资料则可很快断定故障所在。若无资料,则可依次测量LCD各引脚电压,如所有引脚的电压值都正常,则是LCD本身故障(可并LCD确认)。如某引脚电压不正常,则查该引脚的外电路。 
    (四)显示内容不正确 
    显示内容不正确的故障表现是,LCD上显示的内容与所设置的不符。 
    产生这类故障的原因是控制电路出现了逻辑故障。所涉及的电路有:1、矩阵键电路;2、与功能设置有关的I/O口电路;3、TC9307内部电路。请看下面检修实例。 
    【例8】故障表现为:波段开关置FM(调频)位置,LCD显示MW(中波)字符和频率,并接收MW电台。 
    故障分析与检修:由前面电路介绍中表6知,数调机工作在哪个波段是由TC9307 29、30脚的电平决定的。所以检修时应先测这两脚的电压。将波段开关置FM位置,分别测得IC29、30脚的电压如表9所列。 
 
     从表9知,29脚电压为6V不正常。我们知道,29、30脚的电平是由这两脚外接的波段设置控制电路决定的。正常情况下,当波段开关SW1-D放置FM位置时,29脚通过D10与SW1-D接地,因此电位被D10钳制在0.6V。现在为6V,说明上述电路不通,电源电压通过R28直接加至29脚。检查该段电路,测得波段开关不通。该开关不良,换之,故障机修到这里,终于修好值得探讨。。 
    故障讨论:将表9与表6对照知,此时FM波段所处的状态恰与MW的状态一样,所以出现上述故障。 
    只要D10~D13或R1、R2当中任何一个元件损坏,或波段开关任何一个档位接触不良,都会出现相应的逻辑故障。 
    【例9】故障表现为:不论电源开关置“ON”还是置“OFF”位置都只显时间,不显频率。不能接收电台信号。 
    故障分析与检修:正常状态下,当电源开关置"ON”位置,电路工作在收音状态,LCD显示相应波段的频率。上述故障说明,电路只能工作在时钟状态,即电源开关置“OFF”的状态。这种故障有两种可能,一是电源开关开路,收音电路因得不到电而不工作;二是状态选择脚即9307 35脚一直处低电平,使电路只能工作在时钟状态。根据上述分析,首先将电源开关置"ON"位置,测之,已接通,说明故障是后者所致。因此,测35脚电压,其值为0V,正常值为6V。由电原理图知,35脚电压是由电源通过R107加过来的,这点电压为零有以下几种可能性:1、R107开路或连接线断;2,C110击穿或35脚与零电位短路;3、IC内部故障。对上述可能性顺序检查发现,当将C110断开时35脚电压恢复正常,这说明C103击穿,换之,故障机修到这里,终于修好值得探讨。。 
    故障讨论:C110击穿,等于将35脚接地,使35脚一直处于低电平,所以出现上述故障。同理,若35脚与34或36脚短路(该两脚都可视为0电平),也会出现类似故障。 
    通过对本例的分析并参看电路介绍知,若35脚总处于高电平,或电源开关短路则会出现只显频率,不显时间,即电路只能工作在收音状态的故障。 
    (五)功能键不起作用 
    正常情况下,每按面板上一个键,即为接通了一组信号的输出与输入端,通过电路作用(详见电路介绍),实现相应的功能,同时LCD上显示出相应的字符。因此功能键不起作用的故障所在是:1、连通键信号输出与输入端的电路开路或短路;2、实现该功能的IC外部控制电路有故障;3、IC本身故障。下面举例说明。 
    【例10】故障表现为:按面板上所有轻触键都不起作用,且LCD上常显TIMER字符。 
    故障分析与检修:这种故障一般是因某个轻触键短路,使其总处于接通状态,导致TC9307CPU一直接受这个键闭合所产生的指令,再无法接受其它操作指令所造成。因为每个功能键接通后,LCD上都会有相应的显示,所以检修时只要根据LCD上显示的字符与内容,就能很快找到对应的被短路的键。本例LCD上一直显示TIMER,所以检查TIMER键,发现键盘两极有锡渣使其短路。去之,故障机修到这里,终于修好值得探讨。。 
    故障讨论:焊盘短路现象,在生产中经常发生,初学者遇到这类故障,一时往往又无从下手,通过该例得知,只要了解其中的道理,就能很快查出故障所在。 
    【例11】故障表现为:操作SLEEP键,LCD上有时不显SLEEP字符,也无SLEEP功能,其它功能正常。 
    故障分析与检修:某一单独的键功能丧失,同时LCD上又无相应的显示,此类故障是因对应的键本身故障引起。该例现象是故障时有时无,这说明线路没断,只是接触不良。所以检查SLEEP键盘与按键上的导电橡胶,发现上面很脏,用软布蘸少许酒精将其擦净,故障机修到这里,终于修好值得探讨。。 
    故障讨论:轻触键键盘两极,多用导电橡胶来接通,当机子使用了较长时间后,键盘和导电橡胶上常常会有脏物,因而造成键盘接触不良。 
    【例12】故障表现为:操作M4、M5、SLEEP键都不起作用,且无相应的显示。 
    故障分析与检修:三个键同时不起作用,首先应检查这三个键的公共电路。查看电原理图知,上述三键共信号输出端,由TC9307⑦脚输出的信号通过R111、D111与这三个键接通。因此,先检查这条线路的故障。测IC⑦脚电压,其值为5.3V正常;然后测D111正极电压,其值为5.3V也正常;再测D111负极电压,其值为OV显然不正常(正常时D111两极电位应差0.7V左右)。测试结果说明,D111开路或虚焊,查看焊点,发现D111负极虚焊,焊好后故障机修到这里,终于修好值得探讨。。 
    故障讨论:通过对上述实例分析得出,检修矩阵键电路故障的关键是:1、仔细检查各功能键,并记下共有哪些键失效;2、读懂电原理图,并根据故障表现为找到故障的具体部位。为方便读者,现将距阵键电路故障索引列表如下(见表10)。 
 
  【例13】故障表现为:无定时自动开、关机与SLEEP功能,但操作上述键LCD上均有相应的显示。 
    故障分析与检修:操作键盘有相应的显示,这说明键盘矩阵电路工作正常,故障出在定时开、关机、SLEEP功能控制电路的公共部分。由图2知,该部分是由以V3、V4等元件组成的开关电路。因此,检查该电路,方法是:在LCD显SLEEP的状态下,将电源开关SW2置OFF位置,测得有关各点电压如表11所列。 
 
      由表11与表5对照知,V3、V4、电压都不正常,故障出在哪里呢?我们知道,正常情况下,V3的基极电压应被b—e结钳制在0.7V左右,现在该点电压等于IC 28脚输出电压5.3V,这说明该管有故障,用万用表测之,发现其b—e结已开路。换之,故障机修到这里,终于修好值得探讨。。 
    故障讨论:正常情况下,在SLEEP状态时,TC9307的28脚输出高电平,使V3、V4都导通,又因V4 c—e极并在开关SW2两端,所以代替SW2接通电源。现在V3开路导致V4截止,出现上述故障。同理,若V4损坏,也会出现类似故障。 
    【例14】故障表现为:LCD上有SLEEP显示,但无SLEEP功能;有定时开、关机功能。 
    故障分析与检修:有SLEEP显示,说明矩阵键盘电路没问题;又因已具有定时开、关机功能,说明上述功能的公共部分即开关电路没问题。因此,只需查SLEEP功能的独立电路。由电路介绍并查电原理图知,SLEEP功能的控制电平是由IC 28脚经R115加至开关电路的,在SLEEP状态下,28脚输出高电平。因此,在上述状态下测28脚电压,其值为5.4V正常,说明IC没问题;再测V3基极电压其值为零状,这说明R115开路或这条线断(因为具有定时开机功能,所以V3b=0不可能是该管基极短路引起的)。查之,发现R115已断,换之,故障机修到这里,终于修好值得探讨。。 
    故障讨论:细心的读者可能已经发现,本节从例2~例5都涉及到SLEEP功能故障,而故障的部位却不相同。为使读者在处理这类故障时有一个清晰的思路,现将检修SLEEP功能的一般步骤图示如下(见图8)。 

 
      因定时开、关机功能与SLEEP功能实现的原理一样,且大部分电路共用,所以其检修步骤亦可参考图8。 
    (六)不能正常接收电台信号 
    数调收音机是靠改变加在变容二极管二端的调谐电压VT来改变槽路中变容二极管的容量,从而达到调谐之目的的(详见电路介绍部分)。因此,不能正常接收电台信号的故障部位是:1、与锁相环有关的IC外围电路故障,使VT失控;2、TC9307内部故障;3、D—D变换电路故障,使锁相环得不到所需的调谐电压电源;4、收音电路故障。本文只讨论前两类故障。下面举例说明。 
    【例15】故障表现为:FM(调频波段)收不到电台,但能设置接收频率,(即频率会随操作UP或DU键或M1-M5键变化)。其它功能正常。 
    故障分析与检修:前面谈到,此类故障可能存在的部位有四个,究竟问题出在哪个部位呢?最好的办法是测VT的值(即V101集电极电位)。测量方法是:将波段开关置出故障的波段(本例是FM波段),再将接收频率从低端调至高端,正常情况下,VT的值约在1V~8V之间变化。按上述方法测该机的VT值,结果为15V不变,说明锁相环电路有问题。又因为能够接收AM电台信号,这说明在锁相环电路中,FM与AM的公共部分没问题。查电原理图知,在锁相环电路中FM波段的独立部分是由V104等元件组成的放大器,及IC内部电路。又因为能够设置频率,所以IC应该没问题(TC9307的特点是只要内部电路没故障,就可通过各种调谐方式,在LCD上显示所设置的频率,故可据此来判断IC的好坏。但有些控制块如:uPD1715却是只要锁相环电路中任何一个环节出了故障,均不能在LCD上设置要接收的频率)。根据上述分析,判断故障出在FM放大电路。测V101各脚工作点如下:V104c=6V;V104b=6V;V104e=0。与表5对照,V104p=6V显然不正常(正常为0.7V)。这说明该管b—e结开路或虚焊。用万用表检查,证实V104b—e已开路,换之,故障机修到这里,终于修好值得探讨。。 
    故障讨论:V104损坏,FM本振信号不能加到TC9307内部可编程分频器上,无法为相位比较器提供取样频率,相位比较器则认定取样频率为零,致使调谐电压VT升高且不受控,所以收不到电台信号。同理,如该电路中的其它元件损坏或变质也会出现类似故障。 
    【例16】故障表现为:AM(调幅)不能接收电台信号,也不能设置频率,FM波段正常。 
    故障分析与检修:理由同上例。首先将波段开关置AM位置,测VT电压,其值为0.3V不变(正常值为1V~8V左右)。这说明故障出在锁相环电路分管AM的部分。又因不能设置频率,因此与AM本振信号是否加至9307 38脚(即AM本振信号输入端)无关,故怀疑IC内部AM锁相环路有故障。为进一步确认,用示波器测38脚波形,可见到AM振荡波形说明输入信号没问题。再用示波器测33脚,直流电压为5.3V,且无输出波形(正常时33脚直流电压为1V左右输出脉宽可变化的脉冲信号)。由此确认故障出自IC内部电路,换TC9307,故障机修到这里,终于修好值得探讨。。 
    故障讨论:TC9307 38输入波形正常,但通过IC内部电路后到33脚输出波形却不正常,且FM波段正常,即为33脚的外围电路正常,所以判断IC内部有故障。因为此种IC价格较高,拆换又不易,所以判断要格外慎重。 
    【例17】故障表现为:整机即AM、FM波段都收不到电台信号,但能设置频率。 
    故障分析与检修:分别在AM与FM波段测VT的值都为15V不变,说明故障出在锁相环电路的公共部分。因为能设置频率,说明IC没问题,所以查IC外部锁相环电路中的公共电路。查阅电原理图知,该电路是由V101、V102、V103等元件组成的环路滤波电路。检查该电路,先测IC33脚电压,其值为1V正常,再测V102基极电压,其值为零,显然不正常。因为33脚与V102基极之间只串了一个电阻R101,所以,V102b电压为零只有两种可能性,一是R101开路或虚焊,二是V102b对地短路。经检查,发现R101已断,换之,故障机修到这里,终于修好值得探讨。。 
    R101开路,使从33脚输出的鉴频脉冲不能加至环路滤波器,因此无法改变调谐电压VT,本振频率无法调谐,故所有波段均收不到电台。 
    通过上述例子,得出检修接收不到电台信号(以下称无台)的一般程序。见图9。 

 
    (七)其它 
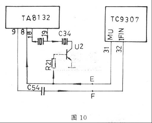
    【例18】故障表现为:自动搜索不能静噪其它功能正常。 
    故障分析与检修:正常情况下,自动搜索时应该没有噪声。其工作过程如电路介绍所述,原理图见图10。由电路介绍知,当自动搜索时TC9307 31脚应输出高电平。所以,将收音机处自动搜索状态,测31脚电压,其值为5.3V正常,说明TC9307没问题,因此检查IC外部电路故障。测V2b=5.3V显然不对。正常情况下,该点电压被V2b-e结钳制在0.7V左右,现测得为5.3V,说明V2b-e结开路或虚焊。查之,发现该管虚焊,焊好,故障机修到这里,终于修好值得探讨。。 
    故障讨论:正常情况下,自动搜索时TC9307 31脚输出的高电平加至V2基极,使V2c-e结内阻下降而将收音电路中TA8132 19脚,即检波鉴频输出端输出的音频信号对地短路,起到静噪作用,现在V2虚焊。 
    【例19】故障表现为:自动搜索时不能静噪,且整机(AM、FM波段)不能自动停台。 
    故障分析与检修:由电路介绍知,TC9307 31脚自动搜索时输出的高电平起两个作用,一是控制IC外部静噪电路;二是加到收音块TA8132⑧脚打开计数输出,使中频信号从TA8132⑨脚输出,通过C34再加至TC9307 32脚,被9307计数后识别出10.7MHz或450kHz中频而自动停台(见图10)。现在两个功能都不具备,说明故障出在与这两个作用有关的IC外部公共通路或IC本身。先检查IC通路,发现连接TC9307 31脚与收音板的引线断(图10中E点),接好,故障机修到这里,终于修好值得探讨。。 
    故障讨论:数调收音机内部一般都由两块板组成,即收音板与控制板,该两板之间用排线连接,排线断是此类机常见故障之一。本例就是排线断。 

 
    【例20】故障表现为:AM、FM、自动搜索时不能自动停台,但能静噪。 
    故障分析与检修:正常情况下,收音机在自动搜索时遇到强台信号就会自动停下来并锁住。不能自动停台的故障一般由二个原因引起,一是收音机灵敏度低,收到的信号太弱锁不住;二是自动停台电路系统出问题。该例故障是FM、AM都不能自动停台,而FM、AM的灵敏度是分别由两套互不影响的电路决定的,所以怀疑故障出在自动停台电路,由图10知,涉及自动停台的器件有:TA8132;C54;TC9307以及它们之间的连接电路。先检查C54。用示波器测TA8132⑨脚有正常的方波,再测TC9307 32脚,结果无任何波形。因该两脚间是靠C54来耦合的,所以故障应是:1、C54开路或连接线断;2、TC9307 32脚对地短路。测9307 32脚对地电阻,没发现短路现象;连接线也没断,故判断C54坏。换之,故障机修到这里,终于修好值得探讨。。 
    故障讨论:C54开路,无计数脉冲加至9307计数,因此它无法识别出中频频率,而不能自动停台。 
    由此分析得出检修不能自动停台、不能静噪故障的一般步骤图示如下(见图11)。

 
  通过对上述七个部分的检修实例剖析不难发现,因为数字电调收音机有LCD显示系统,众多的故障信息都能反应在显示屏上,所以,只要我们仔细观察故障表现为,就能帮助我们缩小故障范围,提高判断的准确性和修理的速度。

路过

雷人

握手

鲜花

鸡蛋

最新评论

QQ|Archiver|手机版|家电维修论坛 ( 蜀ICP备19011473号-4 川公网安备51102502000164号 )

GMT+8, 2025-11-22 05:20 , Processed in 0.188561 second(s), 17 queries .

Powered by Discuz! X3.5

© 2001-2025 Discuz! Team.

返回顶部