找回密码
 请使用中文注册

采用LF356和TDA1514的改进型优质功放

2023-5-5 11:20| 发布者: 开心| 查看: 30| 评论: 0

阅读字号:

摘要: 发烧友在投资不大的情况下,要想组装出优质功放,须使用新型优质IC和尽量采用音响新技术。笔者采用4只LF356和2只TDA1514组装成的改进型功放,听感极佳,值得一试。 音调部分;本着简洁至上的原则,采用2 ...
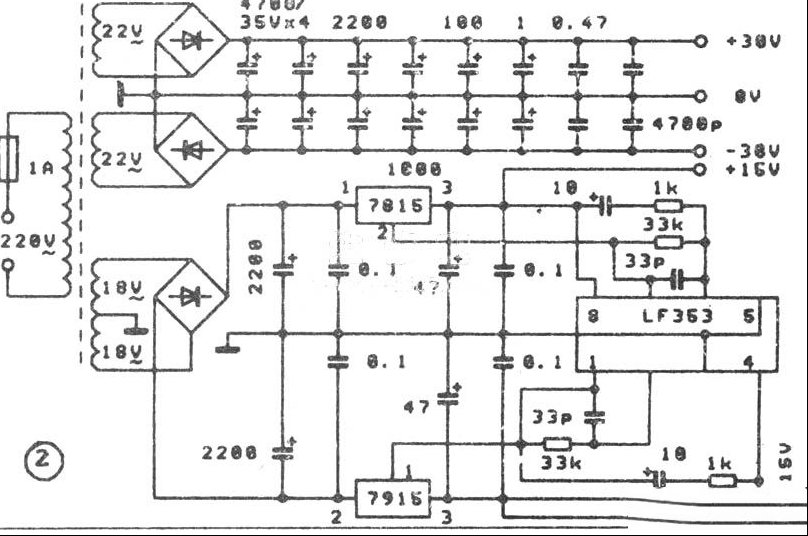
    发烧友在投资不大的情况下,要想组装出优质功放,须使用新型优质IC和尽量采用音响新技术。笔者采用4只LF356和2只TDA1514组装成的改进型功放,听感极佳,值得一试。
  
 
      音调部分;本着简洁至上的原则,采用2只LF356构成一个带直通开关的衰减式音调,它比通常的负反馈式音调的音质更好。直通开关的作用是当播放保真度很高(如CD唱片)的音乐时,按下直通开关,即可切除音调电路,听到不加修饰的声音。采用LF356的原因,一是LF356被誉为四大运放名品之一,二是内地发烧友不易购到正宗美国SIG公司的NE5532、5534等产品。 
  
 
      功放部分;采用2只LF356和2只TDA1514,对TDA1514电路作如下改进:
  1、取消自举电路。去掉原自举电路的2个电阻、一个电容,将⑥、⑦脚连结即可。研究表明,自举电路的瞬态响应很差。取消自举后,本功放不失真输出功率要减少约4w,但对降低瞬态响应十分有利,音质提高,利大于弊。
  2、功放直流化。将典型电路中反相输入端入地电容短接,加入LF356构成直流伺服电路。     电源部分;功放部分采用双桥式整流,滤波电容由大到小排列。音调及直流伺服电路采用独立的有源伺服电源供电。这样做音色更通透。 

      注意:1、宜采用钽电解、金属化纸介电容、聚丙烯电容、金属膜电阻等;2、电源变压器应大于150W,整流二极管最好用快恢复型的。也可再用8只相同二极管并联使用,降低电源内阻。IC的散热片应足够大。

路过

雷人

握手

鲜花

鸡蛋

最新评论

QQ|Archiver|手机版|家电维修论坛 ( 蜀ICP备19011473号-4 川公网安备51102502000164号 )

GMT+8, 2025-11-22 11:06 , Processed in 0.195788 second(s), 17 queries .

Powered by Discuz! X3.5

© 2001-2025 Discuz! Team.

返回顶部