找回密码
 请使用中文注册

通用高保真BTL功放电路

2023-5-5 11:19| 发布者: 开心| 查看: 34| 评论: 0

阅读字号:

摘要: 常见的BTL功放电路如下图1所示(如用TDA2030接成的BTL电路就属这种形式),所用的功放集成电路,其增益都是由外接电阻R1R2确定,接成BTL电路,只要元件准确无误,一般无需调试都能达到要求。但对于一些带前置放 ...
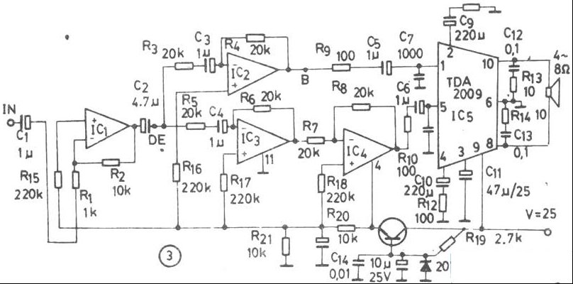
    常见的BTL功放电路如下图1所示(如用TDA2030接成的BTL电路就属这种形式),所用的功放集成电路,其增益都是由外接电阻R1R2确定,接成BTL电路,只要元件准确无误,一般无需调试都能达到要求。但对于一些带前置放大或内部反馈电阻不清的功放集成电路(如TDA2009、TA7240AP等),用图1所示的方式设计成的BTL电路,都要通过调试才能达到要求,而对于一般业余爱好者,由于缺乏相应的仪器,无法调试好这种电路。本文介绍一种无需调试,失真度小的BTL电路,并且读者可根据自己具体情况任意选取功放集成电路,通用性强,这无疑给读者把自己原有的机子装成立体声的BTL电路,带来很大的方便。电路的程式如图2所示,虚线方框内是由运算放大器构成的高性能差分放大器,与差分放大电路驳接的是双功放集成电路。
  

  

  

  一、电路简介 
    图3只画出L声道,R声道线路完全相同。音频信号从A端输人,经IC1放大后(放大倍数由R1R2确定),一路经IC2作反相放大,增益为1,另一路经IC3、IC4作两次反相放大,增益仍为1。实质IC3和IC4共同构成增益等于1的正相放大器,所以在IC2输出端B点和IC4输出端c点,得到两个大小相等相位相反的音频信号。这两个互为反相的音频信号分别通过R9R5和R10C6加到双功放集成电路TDA2009的两个正相输人端1脚和5脚,经TDA2009内部两个功率放大器放大后,在10脚和8脚输出,推动喇叭工作。
  


  二、元件的选取及电路变通 
    上面图3中IC1~IC4选用TL084,由于选用高质量运放,故差分放大器频响宽,噪声低,瞬态指标高。R3~R8尽可能选取精度高的电阻,目的在于使B、c两点信号大小相等。其它阻容元件无特殊要求。 
    读者可根据需要,在图3电路所示的DE间断开,接人RC衰减式音调电路,由于信号经IC1作一次放大,且这种运算放大器的输出阻抗低而输入很高,接人RC衰减式音调电路非常适宜,保真度高,效果明显,笔者通过接人RC衰减式音调电路,收到了良好的音响效果。 
    本电路最大的通用性是:任何OCL输出或OTL输出双功放集成电路,都可直接与差分放大器的两个输出端驳接,构成BTL功率放大电路。 
    本电路虽用两块TL084,两块TDA2009,但其余元件均是阻容元件,线路结构简明。按本文推荐的印刷电路板图组装的扩音板,噪声低,在离喇叭一米远的地方,听不到任何噪声。 
  

路过

雷人

握手

鲜花

鸡蛋

最新评论

QQ|Archiver|手机版|家电维修论坛 ( 蜀ICP备19011473号-4 川公网安备51102502000164号 )

GMT+8, 2025-11-22 11:05 , Processed in 0.185614 second(s), 17 queries .

Powered by Discuz! X3.5

© 2001-2025 Discuz! Team.

返回顶部