找回密码
 请使用中文注册

2×100W高音质放大模块TM2001A

2023-5-5 11:19| 发布者: 开心| 查看: 39| 评论: 0

阅读字号:

摘要: Hi-Fi系统日益追求大功率化,充足的功率储备对Hi—Fi效果至关重要。以往,由于缺少大功率功放块,大都用分立件组装大功率扩音机,其音质虽令人折服,但其高昂的成本,烦锁的调试令人却步不前,其可靠性特别令 ...
    Hi-Fi系统日益追求大功率化,充足的功率储备对Hi—Fi效果至关重要。以往,由于缺少大功率功放块,大都用分立件组装大功率扩音机,其音质虽令人折服,但其高昂的成本,烦锁的调试令人却步不前,其可靠性特别令人头痛。本文介绍的扩音机采用日立公司提供的厚膜集成功放块TM2001A,不失真功率2×100W,此时谐波失真不大于0.1%,功率带宽20Hz-20kHz,在常规音量下其失真只有0.03%,带宽20Hz-50kHz。这只厚膜集成功放电路,堪称音响集成功放之皇。
  
 
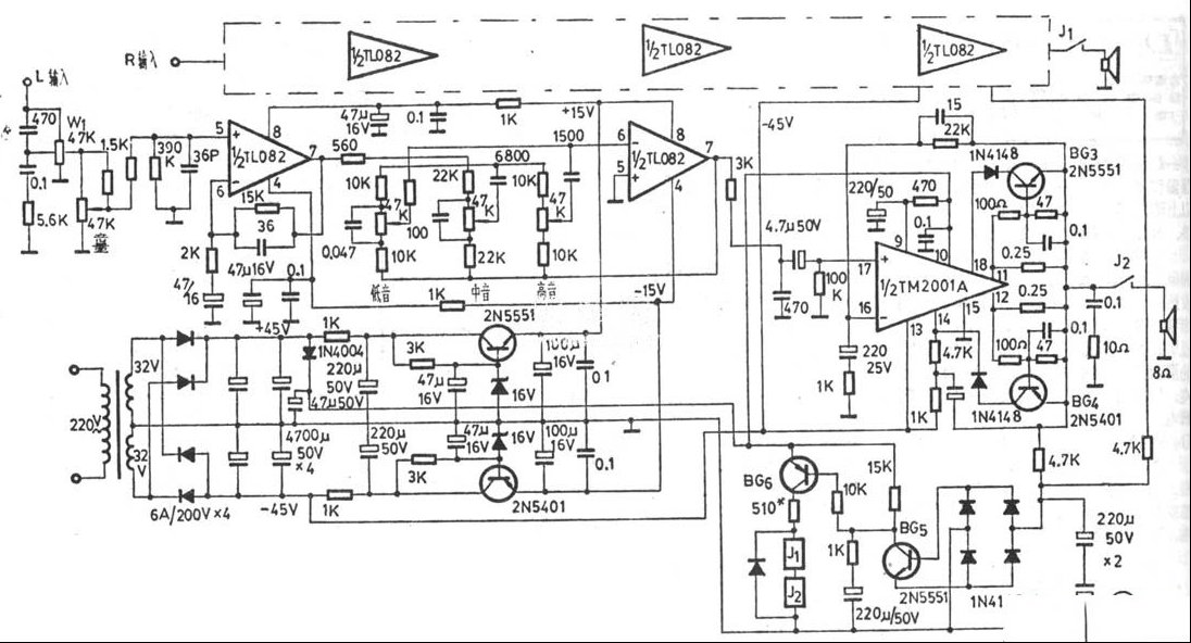
  图1是TM2001A扩音机电原理图,从图l可看出,前置部分由等响度补偿、音量控制、平衡控制、高中低负反馈式音调电路、电子滤波稳压供电电路构成,为了保证系统的高频响应,减小高频失真,选用高转换速率、高输入阻抗的结型场效应(JFET)双运放TL082作为前置集成电路。
  
 
  
 
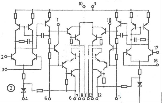
  TM2001A,其内部电路见图2,与STK4191不同,TM2001A内电流输出级射极不在内部直接相通,而是分别由7、8、11、12脚引出。可外接0.25Ω左右的射极负反馈电阻(兼限流),加强了电流输出级本级负反馈,改善了本级失真,提高了可靠性,我们发现,有些STK4191会莫明其妙地烧坏,是因为当输入端有一过于陡削的信号时,一臂尚未截止而另一臂巳导通,造成上下两臂共态导通,大电流把输出级烧坏。TM2001A输出级的射极电阻起负反馈作用,当电流增大时起限流作用,可靠性大大提高,撬开TM2001A外壳,可以看到其输出级管芯比STK4191大得多,可负载很大的电流。  TM2001A的引脚1和18,可以很方便地加入电子保护。 
本机设置了完善的电子保护系统。当出现过流时,0.25Ω电阻压降增大,BG1导通(正半周)或BG2导通(负半周),并对输出级的输入电流分流,从而保护输出管。在BG1、BG2基射极间并联的0.1电容,使保护系统对瞬间大信号不作反应。 
喇叭保护在大功率扩音机中不可缺少,主要是防中点直流偏移和开机电冲击,本机喇叭保护由BG5、BG6构成,左右声道直流电压由4.7k(电阻引入,并经桥式整流。当输出端有±2 V直流电压时,BG5导通,BG6跟着导通,继电器J1和J2得电吸合,常闭触点断开,保护了喇叭,开机防冲击由接在BG6基极回路的1K和220u/50V完成,开机时BG6导通数秒,喇叭此时被断开实现防冲击,大功率扩音机电源系统的功率容量是很重要的,滤波电容要大,本机用4只4700u/50V,总容量近二万uF,保证低音有强劲的输出。变压器的容量也要足够大。 
实验发现,扩音机的印板设计对音质颇有影响,集成块供电路径和输出路径的铜皮要短而宽,连线方式也颇费考虑,本机印板经多次改进,已比较成熟。 
总之,本机是一款性价比较优的高功率、高可靠音频功率放大器,适宜舞厅,小型演出,单位及高级Hi-Fi迷使用。

路过

雷人

握手

鲜花

鸡蛋

最新评论

QQ|Archiver|手机版|家电维修论坛 ( 蜀ICP备19011473号-4 川公网安备51102502000164号 )

GMT+8, 2025-11-22 11:22 , Processed in 0.175595 second(s), 17 queries .

Powered by Discuz! X3.5

© 2001-2025 Discuz! Team.

返回顶部