找回密码
 请使用中文注册

可供自制的两款厚膜功放电路

2023-5-5 11:18| 发布者: 开心| 查看: 45| 评论: 0

阅读字号:

摘要: STK6303及STK6153均为日本三洋厚膜电路,常用于100W纯后级放大。该电路工作电压宽、允许温升高,大功率下具有低噪音、低失真、宽频带、高保真等优点。通常多采用电压负反馈或准直流功放形式。为进一步发挥其潜 ...
    STK6303及STK6153均为日本三洋厚膜电路,常用于100W纯后级放大。该电路工作电压宽、允许温升高,大功率下具有低噪音、低失真、宽频带、高保真等优点。通常多采用电压负反馈或准直流功放形式。为进一步发挥其潜在性能,本文介绍一种有源直流伺服直流负反馈新接法。 
 

    上图1为STK6303的恒流功放接法。ICl为NE5532N,IC2为STK6303F的B面,其中IC1a用于电压放大,IC1b构成中点零电位伺服电络,Ic2用于电流放大。其负反馈网络由R。、Rf、Rt等构成,电路十分简洁。内部集成了电源反接保护,输入端静态偏流电路等。 

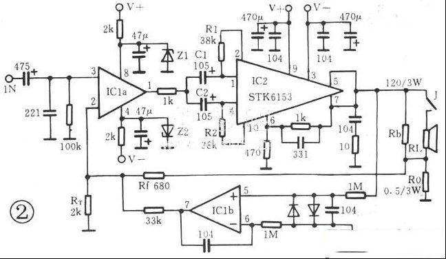
    上图2为STK6153的恒流功放接法。IC1为NE5532N,IC2为STK6153,IC1a为电压放大级,ICIb与周围元件构成直流伺服网络,IC2为电流放大级。R1、R2、c1、C2与内部电路构成输入端的偏流电路,以使功率管工作于甲乙类状态,减少交越失真。注意R1、R2取值不可太小,以免功放块过热。保留功放级局部负反馈,以使工作更稳定,降低非线性失真。自带散热片与内电路已电气绝缘,使用更安全方便。 
    以上两款功放IC内部均为全对称结构,因此装毕无需调试即能稳定工作,实测中点电位均在1mV以内,且发热量较其它接法更低。Z1、Z2为1/2w、12V稳压二极管,R。为0.512/3W金属膜电阻,Rb为120Ω/3W金属膜电阻,其余电阻采用1/4w五环金属膜电阻,电容采用钽电容或cBB电容,电源退耦电容应取大一些。所有元件耐压均>50V。所配电源板可采用10A、10000uF×2或×4板。电源变压器采用300W以上优质环形变压器,次级有单9V、双15V、双28V三组输出。两声道共用一块230×65×50mm散热器,中功率连续工作时基本无温升,可直接接地或机壳。输出为四线制,不允许有公共端。 
    当接好扬声器保护板后即可试音。本机信噪比低、音场定位准确,音色自然优美,动态范围大,解析力高,特别是中高音的“胆味”,低音的力度和速度感均有较好的表现。如将NE5532N换成OP275,听感更佳。可以与本机配合的负反馈式音调控制电路是成品中高档机常采用的电路,其独立成板可方便地与功放配接,图3为一款较成熟的电路。图4为其控制曲线。 

  

  
    该电路板高、低音调节采用同轴双联电位器实现双声道独立调节,音量调节采用双联带等响抽头的步进式电位器控制。等响度开关采用2×3直键开关控制。板上设有7815、7915稳压,电源可直接引自功放电源(须大于±18V)。音量电位器设置于最后,可显著提高信噪比。 
    另一种直流电平控制音量、音调、平衡等响电路,只用单连电位器就可实现双通道同步控制,具有优良的配对特性,控制线无需屏蔽。 

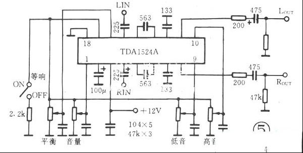
      图5为TDA1524应用原理图。音量控制级设置于音调级之前,即使输入高达2.5V的强信号,也不会使音调级过载,输出电压最大可达3V,易与前后级实现匹配。内部具有电压放大增益,可直驳末级功放。 
  

路过

雷人

握手

鲜花

鸡蛋

最新评论

QQ|Archiver|手机版|家电维修论坛 ( 蜀ICP备19011473号-4 川公网安备51102502000164号 )

GMT+8, 2025-11-22 11:07 , Processed in 0.519031 second(s), 17 queries .

Powered by Discuz! X3.5

© 2001-2025 Discuz! Team.

返回顶部