找回密码
 请使用中文注册

用TDA1521制作高保真功放

2023-5-5 11:18| 发布者: 开心| 查看: 61| 评论: 0

阅读字号:

摘要: 飞利浦公司的TDA1521功放集成块,具有短路,过热,静噪等保护功能,双声道输出额定功率12w×2,BTL输出可达30w以上,且外围电路简单,制作容易。由于芯片价格较低,对于初烧友选择TDA1521集成块制作功率放大器 ...
    飞利浦公司的TDA1521功放集成块,具有短路,过热,静噪等保护功能,双声道输出额定功率12w×2,BTL输出可达30w以上,且外围电路简单,制作容易。由于芯片价格较低,对于初烧友选择TDA1521集成块制作功率放大器,仍不失为一种较好的选择。 
    本人制作的这台功放,是为了推书架箱作纯音乐欣赏。采用二片TDA2521功放块作BTL输出。遵循简洁至上的原则对电路进行了精选,采用前后级独立供电。前级电源为有源伺服电源,大动态输出下性能优良。功放电路见图1。 

     该电路前级为10倍线路放大器,倍受发烧友推崇,受音源限制,这里只采用菲利浦公司的NE5532N运放做前级放大,免除音调电路,信号直通后级,保持了音乐原汁原昧,也符合Hi—Fi纯功放发烧潮流。 

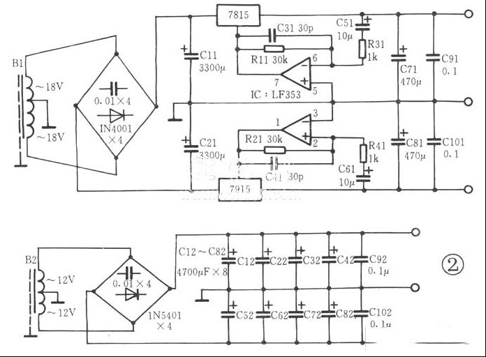
      图2为前后级电源电路。 
  

    图3是印板图(原尺寸为160×107mm),爱好者也可根据需要另行设计。 

    元件的选用是关键。TDA1521市面上假冒品较多,输出功率小,耐压值低,容易“爆机”,选购时要小心。耦合电容和无极性电容不追求高级进口“补品”,只用国产优质超小型金属化CBB电容,前级输入耦合电容因容量较大,最好采用钽电容。电阻用1/4w金属膜电阻。左右声道的电阻,电容用数字万用表进行筛选配对,以保证较小误差。电源滤波电解电容选购8只4 
700uF、35V优质国产铝电解,总计容量达37000多uF.价钱却实惠很多。前级电源采用二块.3300uF、35V电容,容量相当充裕。前级和后级电源变压器分别用一只25w旧仪表变压器和一只80W电子管电源变压器改绕而成,可算是废物利用。 
    焊机时,先从电源部分开始,焊好后通电测量前级电源应为±15V,后级应为±17V左右.然后,焊上NE5532N(也可用IC插座,方便更换不同的运放)和TDAl521功放集成块。本机左、右声道为用一块体积为50×50×60mm重达400克的铝质翼形散热器,功放块与散热器之间加垫云母片,用万用表10k档测量阻值为无穷大,散热器方能接地。机内连线使用优质屏蔽线,前后级做到一点接地。 
    功放机外壳是用仪表壳改制,电源变压器为全屏蔽式,不必担心电磁干扰。装配时,要注意功放的输入端子与输出端子左右声道要对应。由于BTL输出,声道的输出极性更要注意。一切做好后,就可以联机试听了。     
    注意,图中阻容标号为便于区分位置,标号并未按顺序排列,安装时只要按图注标号对号入座即可。

路过

雷人

握手

鲜花

鸡蛋

最新评论

QQ|Archiver|手机版|家电维修论坛 ( 蜀ICP备19011473号-4 川公网安备51102502000164号 )

GMT+8, 2025-11-22 10:54 , Processed in 0.180800 second(s), 17 queries .

Powered by Discuz! X3.5

© 2001-2025 Discuz! Team.

返回顶部