找回密码
 请使用中文注册

几款音响保护电路

2023-5-5 11:18| 发布者: 开心| 查看: 30| 评论: 0

阅读字号:

摘要: 一、扬声器保护电路1 上图1是采用集成运放制作的扬声器保护电路,具有开机防浪涌电流冲击保护、功放输出中点电压偏移(正或负)保护功能。双运放LM358构成两个电压比较器,电源电压(+12V)经R4、R5分压后,为两 ...
    一、扬声器保护电路1
   
上图1是采用集成运放制作的扬声器保护电路,具有开机防浪涌电流冲击保护、功放输出中点电压偏移(正或负)保护功能。双运放LM358构成两个电压比较器,电源电压(+12V)经R4、R5分压后,为两个比较器提供+1V的基准电压。所不同的是,ICI-1的基准电压接人其正输入端③,检测大于+1V的电压;IC1-2的基准电压接入其负输入端⑥,检测小于+1V的电压。功放L、R声道输出分别经R1、R2隔离,C1、C2滤除交流成份后,加至VDl-VD4组成的检测桥。如功放输出(L或R)偏离中点、出现正的直流电压时,则检测桥输出正电压加至电压比较器IC1-1的负输入端②,因检测桥硅二极管产生0.7V的管压降,因此当功放中点直流电压大于+1.7V时,ICl-1的②脚电压大于+1V,①脚变为“0”,使VT1失去基流而截止,继电器K1释放,切断扬声器。+12V经 

  R3加至检测桥负端,与R2分压产生+2.4V电压加至电压比较器ICl—2的正输入端⑤,如功放中点电位负向偏离,则ICl~2的⑤脚电压随之下降,当功放中点电压小于-1.7v时。IC1-2的⑤脚电压小于+1V,⑦脚变为“0”,VT1截止,K1释放,切断扬声器。R6、R7、C3组成开机延时电路,刚接通电源时,因C3两端电压不能突变,VT1截止;随着C3的充电,1-2s后,vTl导通,继电器K1才吸合接通扬声器,从而避开了浪涌电流的冲击。IC1也可选用TL082等其它型号的双运放。继电器K1选用12V小型电磁继电器,其工作电流小于80mA。 
  

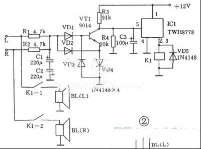
  二、扬声器保护电路2
  

  图2是采用开关集成电路的扬声器保护电路,具有电路结构简单、反应灵敏迅速的特点。TWH8778是高速开关集成电路,内部设有过压、过流、过热保护电路,工作稳定可靠;控制极触发电流极小,为50~100uA,触发电压约1.6v;输出驱动电流可达lA。图2电路中,开机防浪涌电流冲击保护由延时电路R3、C3完成。刚开机时,IC1因控制极⑤脚无触发电压而截止,2~3s后,C3上电压充至1.6V时,才触发ICl导通,继电器Kl吸合接通扬声器,避开了开机冲击。功放的L、R输出端分别经电阻Rl、R2隔离后混合,Cl、C2滤除其交流成分。当功放中点直流电位偏离中点:(1)出现正直流电压时,该正电压~VD1~VT1be结~VD4~地,形成电流,VT1导通,使ICl失去触发电压而截止,继电器K1释放,切断扬声器;(2)出现负直流电压时,地~VD3~VT1be结~VD2~负电压,形成电流,也使VT1导通,ICl截止,K1释放,切断扬声器;从而实现功放输出中点直流电位偏移保护功能。VD1~VD4、vTlbe结压降决定了该电路的保护阀值,当功放中点直流电位偏移电压的绝对值大于1.4V时,保护电路动作。该保护电路可适用+(6~24)v电源电压,只需注意根据电源电压选取相应的继电器即可。 
  

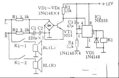
  三、扬声器保护电路3
  

  上图3是采用555时基电路的扬声器保护电路。555时基电路是一种模数结合的多用途集成电路,双极型时基电路驱动电流可达200mA(CMOS时基电路不适合本电路应用),可直接驱动直流电磁继电器,很适合制作扬声器保护电路。图3左半边功放中点电位偏移检测电路部分,与上例基本相同。当检测到大于±1.4v的绝对值的偏移直流电压时,VTl导通,使ICl主复位端④脚为“0”,强制IC1复位,③脚输出变为“0”,继电器K1失电释放,切断扬声器免受损坏。C3、R4为开机保护延时电路,开机瞬间,+12V电源经C3加至Icl的②⑥脚,使③脚输出为“0”;随着C3的充电,约2s后,②⑥脚电压降至告1/3 Vcc以下,ICl触发,③脚输出为“1”,K1吸合接通扬声器。该电路电源电压适用范围+(5~18)V。 
  

  四、扬声器保护电路4
  

  上图4是采用专用集成电路uPC1237设计的扬声器保护电路,具有开机防浪涌电流冲击、功放输出端中点直流电位偏移保护、关机防冲击保护等功能。uPC1237是扬声器保护专用集成电路,内部包括开机延时、中点电位检测、过负荷检测、交流电源检测、双稳态触发器、继电器驱动等电路,仅需增加少量阻容等元件,即可构成保护功能完备、外围电路简洁的扬声器保护电路。(一)功放输出中点电位偏移保护:IC1的②脚分别通过Rl、R2检测功放左、右声道输出端的直流电位,当输出端偏移中点出现正或负的直流电压时,都会使内部双稳态触发器翻转,驱动级截止,继电器K1释放而切断扬声器。
  (二)开机保护:R3、R4、C3组成开机延时电路,刚开机瞬间,因C3上电压不能突变,ICl⑦脚电位为0,内部电路截止,继电器Kl不吸合;随着C3的充电,2~3s后,⑦脚电压升至足够高,内部电路导通,K1吸合接通扬声器。(三)关机保护:电源变压器次级绕组交流电压经VDl半波整流、R5限流降压、c4滤波后,在ICl 4脚产生+(6~8)v直流电压,由于C4(仅4.7uF)远小于主电路的滤波电容(2000~20000uF),关机时,主电路的滤波电容尚未放完电,④脚即先失电而使内部电路截止,实现关机防冲击保护功能。该保护电路采用单电源,电源电压范围+(25-60)v,最大继电器驱动电流80mA,允许功耗32mW。 
  

  五、扬声器保护电路5
  

  上图5是采用专用集成电路TA7317组成的扬声器保护电路,具有开、关机防冲击保护、功放输出中点电位偏移保护、电源电压异常保护等功能,其工作原理与上例大同小异,主要区别在于:(一)IC1的②、③脚分别检测左、右声道的输出中点电位;(二)交流电源检测端①脚正常时为负值;(三)使用双电源供电,电源电压范围±(25~50)v;(四)继电器驱动电流可达130mA,允许功耗500mW。 
  

  六、电子音源切换电路
  

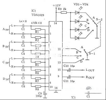
  上图6为采用TDA1029构成的电子开关式音源切换电路,可用于立体声音响设备中,作为音源切换开关。传统的方法采用波段开关来进行音源的切换,走线较长,虽采用屏蔽线,也难免受到干扰。采用电子音源切换电路,集成块可直接安装在印制电路板上,消除了波段开关切换的弊端,控制线可以很长,且不必用屏蔽线,利于面板设计。TDA1029内部包含有两组相同的电子开关,每组均为4选l,两组同步动作,由单刀开关S-1控制,具有开关隔离度好、插入损耗小、切换音源便利的特点,非常适合制作立体声音响系统的音源切换电路。该音源切换电路电源电压范围:+(6-25)v;最大允许输入信号:6V;失真:小于0.01%;通道隔离度:大于70dB;信噪比:大于120dB。发光二极管VD1-VD4分别为4个音源输入的工作指示。R9为VD限流电阻,其阻值应根据电路的电源电压来确定,R9=(Vcc—Vvd)/Ivd,式中:Vcc为电源电压;Vvd为发光二极管压降,为1.8~2V;Ivd为发光二极管电流,一般取6~10mA。 
  

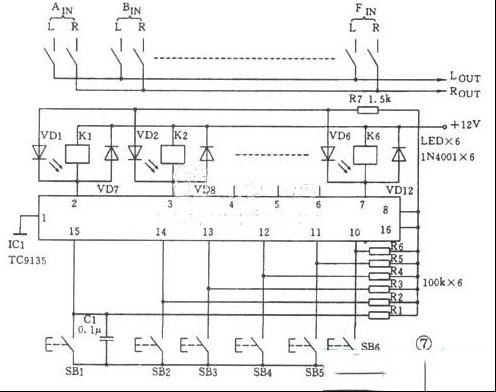
  七、继电器音源切换电路
  

  图7是专用集成电路控制、继电器执行的音源切换电路。从信号传输的角度看,继电器触点是理想的直通转换形式,避免了电子开关转换信号所带来的附加失真、附加噪声和音染。继电器靠近信号传输线安装,而控制继电器的直流控制线可以任意延长,绝无干扰之虑,便于印板和面板的设计安装。继电器由专用集成电路TC9135控制。TC9135具有6路触发功能:当控制按键SBl~SB6中任一键按下时,与之相对应的输出端导通、继电器吸合,而其它各输出端均关闭(不论原来是否导通),从而实现”六选一“音源切换。如果同时有两个或两个以上按键被按下,则所有6路输出端全部关闭,防止了误操作造成混乱。电容C1的作用,是实现开机自动接通第一路音源信号,可将最常用的音源安排在第一路。该电路电源电压范围+(3~16)V,应根据所用电源电压选取继电器和发光二极管限流电阻R7(参阅上例)。 

  八、音频电平显示器
  

  图8是一种音频电平显示器电路,采用两块LM324四运放集成电路,由8只发光二极管排列成条状光柱来显示音频电平的大小,电平越高,点亮的光柱越长。对于双声道的主体声音响系统来说,可按图制作两个电平显示器,分别显示左、右声道的音频电平。也可将左、右声道信号经隔离电阻混合后.用1个显示器来显示音频电平。图8电路中,两块LM324中的8个运放作为8个比较器使用。电阻R2~Rl0串联后接于正电源与地之间,形成阶梯基准电压,并与各比较器的正输入端相连。音频信号经C1、R1送至各比较器的负输入端,由于各比较器的正输入端接有从低到高递增的基准电压,因此发光二极管点亮的个数与音频信号电平成正比。R1、R11是输入分压电阻,改变R1、R11的比值,可改变输入灵敏度。R2-R10是基准电压形成电阻,改变R2,可改变各阶梯基准电压的大小。R3~R10取相同阻值时(见图8),各阶梯基准电压呈线性递增;如欲制作非线性(如对数)电平显示器,则可按非线性(如对数)规律计算R3~R10的阻值,这时:R3~R10各电阻阻值不相同。R12~R19为发光二极管限流电阻,发光二极管电流一般取6~15mA。电源电压可取+(5~18)v,不同的电源电压对阶梯基准电压和发光二极管电流有影响,应根据确定的电源电压计算R2-R10和R12~R19的阻值。按图8所示数据,其显示音频电平范围为:0.24V(VD8点亮)~1.9V(VD1-VD8全部点亮)。
  

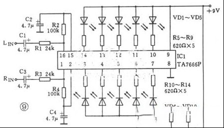
  九、双声道电平显示器
  

  图9为采用专用集成电路TA7666P设计的双声道电平显示器电路,它以两排、每排各5只发光二极管作条状显示,来指示左、右声道的电平。TA7666P是双声道五灯发光二极管驱动集成电路,内部包含两套完全相同的五灯发光二极管驱动电路(相当于两块TA7366P),每套驱动电路中包括放大器、比较器、基准电压源、驱动器等单元电路。利用TA7666P设计制作的双声道电平显示器,具有电路简洁、调试方便、工作稳定、两声道一致性好的特点。图9电路中,TA7666P上、下部分分别为左、右声道电平指示电路。以左声道为例,音频信号自Lin端经c1、Rl输入Icl的第16脚,由内部运算放大器进行放大后,送五级比较器与基准电压相比较,比较结果通过驱动器使相应的发光二极管发光。电平越高,点亮的发光二极管越多。调节R1与R2的比值,可改变内部运放的电压增益。调试时,左、右声道音频信号分别接入Lin、Rin端,同步调节R1、R3的阻值大小,使在自己需要的最大电平时,两排发光二极管全部点亮即可。由于TA7666P中每一通道的五个比较器的基准电压是按对数规律排列的,因此该电平显示器的指示是对数刻度指示。如欲制作线性刻度指示的电平显示器,只需将ICl换成TA7667P,其余元件均相同。该电路电源电压范围+(6~12)V。 
  

  十、音频功率显示器
  

  图10为音频功率显示器电路,它以10只发光二极管作步进台阶式条状显示,功率越大,点亮的发光二极管越多。该音频功率显示器可以安放在功放上,也可以安放在音箱上,能够直观地指示出音频功率的大小,并具有美观的视觉效果。该音频功率显示器的核心是LM3915对数型发光二极管驱动集成电路,具有10级-3dB的步进台阶,指示范围0~27dB。

路过

雷人

握手

鲜花

鸡蛋

最新评论

QQ|Archiver|手机版|家电维修论坛 ( 蜀ICP备19011473号-4 川公网安备51102502000164号 )

GMT+8, 2025-11-22 12:01 , Processed in 0.180538 second(s), 16 queries .

Powered by Discuz! X3.5

© 2001-2025 Discuz! Team.

返回顶部