找回密码
 请使用中文注册

音响中的均衡及重低音电路M62415P M62412P M51134P资料

2023-5-5 11:17| 发布者: 开心| 查看: 38| 评论: 0

阅读字号:

摘要: AV音响家庭影院中均衡的方式主要有三种:高(中)低方式调节,多段式频率均衡器调节,预置式均衡调节。三者各有优缺点:高(中)低方式调节较单调,仅限于二或三个固定的频点,多段式则增加了调节的频点,但使用较 ...
    AV音响家庭影院中均衡的方式主要有三种:高(中)低方式调节,多段式频率均衡器调节,预置式均衡调节。三者各有优缺点:高(中)低方式调节较单调,仅限于二或三个固定的频点,多段式则增加了调节的频点,但使用较复杂,需较多专业知识,而预置式则克服了以上两者的缺点,使用起来非常方便,无需专业的调音知识即可根据音源的大致种类选择均衡方式而达到最佳均衡效果。M62415P/M62412P便是一种四模式预置均衡电路。随着杜比AC-3及其他先进的家庭影院系统的发展,超重低音技术已日益受到重视,成为家庭影院重放中不可缺少的部分,M51134P便是这样一片专用的数字方式工作的超重低音提取及加重电路。 
  

  一、四模式预置均衡电路:M62415P/M62412P 
      M62415P采用双列直插24脚封装,是一片符合高保真要求的4模式预置式均衡电路,分别是:平直响应模式、摇滚乐均衡模式、流行歌曲均衡模式、古典音乐均衡模式,有四个直选轻触按键用于控制均衡模式的转换,操作直观明了。典型应用电路如图1所示。
  

  M62412P的功能和M62415P完全相同,只是失真度稍大一些,适用于要求不高的汽车音响及中低档音响设备中。主要参数见表1。
  

  

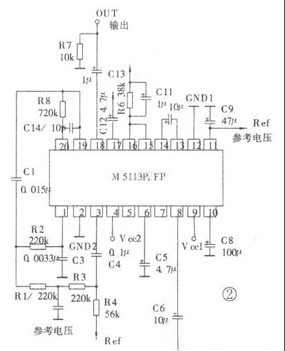
  二、数字式重低音处理电路M51134P 
    M51134P采用双列直插20脚封装,是一片专门为AV影音系统开发的专用重低音检测加强电路,该电路同时亦能够通过设定外部的滤波器常数将预定频率降低一半,并且其内置的VCA(电压控制放大器)的电平设定可由外部信号源来控制。该IC的内部电路包括:频率检测、调整器、电平检测、低通滤波运放、VCA压控放大器等。工作原理是采用数字滤波方法检测输入信号中的低频成分的电平高低,加强相应低频成分并进行低频动态扩展(由压控放大器完成),可以看出,其工作原理不同于一般的低通滤波器形式的重低音加强电路,这种电路提供的重低音信号听感上软绵无力,而M51134P提供的重低音效果有强烈的震撼感,在表现雷声、炮声等方面尤显优点。如果输入信号中无低于120Hz的成分,则该电路无任何输出,这一点在使用中要注意,不属故障,典型应用电路如图2所示,主要参数见表2。

  

路过

雷人

握手

鲜花

鸡蛋

最新评论

QQ|Archiver|手机版|家电维修论坛 ( 蜀ICP备19011473号-4 川公网安备51102502000164号 )

GMT+8, 2025-11-22 10:04 , Processed in 0.166187 second(s), 16 queries .

Powered by Discuz! X3.5

© 2001-2025 Discuz! Team.

返回顶部