找回密码
 请使用中文注册

用LAG665D组成的随身听放音机原理与检修

2023-5-5 11:17| 发布者: 开心| 查看: 36| 评论: 0

阅读字号:

摘要: LAG665D除具有一般立体声放音机集成电路所具有的双前置放大器、双功率放大器和电子直流音量控制功能外,还具有直流电机稳速功能。ST-2000型随身听放音机由一块单片集成电路LAG665D为主构成,相关电路如图1所示( ...
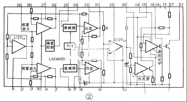
    LAG665D除具有一般立体声放音机集成电路所具有的双前置放大器、双功率放大器和电子直流音量控制功能外,还具有直流电机稳速功能。ST-2000型随身听放音机由一块单片集成电路LAG665D为主构成,相关电路如图1所示(该图根据实际电路测绘而得)。LAG665D除具有一般立体声放音机集成电路所具有的双前置放大器、双功率放大器和电子直流音量控制功能外,还具有直流电机稳速功能。也就是说,它包含了立体声放音机的全部功能。其内电路方框图如图2所示。
 
 

  一、电路工作原理
  

      从图1及图2中可看出,放音磁头输出的电信号由②脚和29脚输入至LAG665D内的前置放大器,经放大后从⑤脚和26脚输出。③脚和28脚外接补偿电容,④脚和27脚外接负反馈电容。由⑤脚和26脚输出的信号直接加至⑥脚和25脚,分别通过衰减器输入到功率放大器。衰减器的衰减量由V/I(电压/电流)变换电路控制,以实现电子音量的控制。⑧脚提供音量控制的参考电压,通过⑦脚可以改变音量控制电压。音量控制后的信号经过功率放大后由⑨脚和21脚输出,驱动立体声耳机发声。 
  
    LAG665D的24脚为“前置切断”控制端,若该脚外接一只开关与电源接通时,内部前置放大器被切断,以便同来自收音机的检波输出连接。这一功能在该机中未使用。17脚为直流电机速度调节端。13脚为电机提供控制电压,该电压的变化受集成电路内部电机控制电路的控制。14脚和20脚在接通电源时可分别对电机进行强制性的启动和停止。18脚为转矩控制端。23脚为前置放音电路电源外接退耦电容端,电源电压由22脚输入。 
二、常见故障检修思路 
    1.无声或音小这两种故障的检修思路有些类似,故这里仅以无声故障为例。检修此类故障时,首先观察电机转速是否正常。若电机转速基本正常,说明整机的供电电源无问题,应进一步测量集成块LAG665D①~⑧脚以及23~30脚上的Dc电压。若这些引脚上的电压均消失,则说明放音前置放大电路的供电电压有问题,应重点检查集成电路23脚外接的c5电解电容器,看其是否击穿短路。因为23脚上的电压是由22脚电压经Ic内的一只限流电阻R后得到的,由该脚内的稳压电路将此电压稳压成2.7V提供给放音前置电路。因此,23脚上的电压直接反映了前置放音电路的供电情况。如检查c5无问题,则故障多为集成电路22与23脚内的这只限流电阻R开路引起的,可用一只180Ω左右的电阻并接在22与23脚间试试,如放音恢复正常,则说明判断正确,此时只要将该电阻直接焊在22与23脚的连接铜箔上即可。若检查23脚上的2.7V直流电压无问题,则问题大多为LAG665D本身有损坏引起的。对此,只有更换新的集成电路。另外,如LAG665D 22与23脚内的这只限流电阻值变大,或23脚外接的c5电容漏电,使前置放音电路的供电电压下降则此时的故障表现为视损坏的程度不同而不一样,一般主要表现为:声小;声小有噪声,且噪声会随音量的增大而变大。 
    2.某一声道无声  只有一个声道无声,说明整机的供电及Ic的各部分的供电都是正常的,问题仅出在无声通道的电路上。在排除了耳机及插头以及放音磁头出现问题的可能性以后,应进一步重点检查无声通道的电路部分。不过,由于LAG665D的集成度较高,两路放音前置放大及功放电路均集成在Ic内,外围除了连接铜箔外,其它没几个外接元件,故此类故障在排除了Ic连接铜箔断裂的可能性之后,问题多为IC内电路不良引起的,一般只有更换同型号的集成电路。 
    若故障属放音时某一声道声音发尖或异常,则应重点检查补偿电容C1或C2以及负反馈电容C3或C4。 
    3.一个声道放音正常,另一个声道噪声大(指用外接稳压电源供电的情况下)  遇此故障时,可先用干电池试听。如果放音正常,用外接稳压电源时出现上述现象,说明这多为稳压电源滤波不良引起的,可通过加大C5、C6容量值的方法来解决。如用干电池试听时故障仍存在,则故障可能是磁头上有污物或严重磨损引起的。可先对磁头进行清洗,并对磁头的方位角进行适当的调整(应使用无感螺丝刀,以防剩磁影响放音效果)。如清洗和调整均无效,则只有更换新的磁头。 
    4.电机“吱吱”声窜人放音电路遇此故障时,先取下电机传动带,让电机空载运转。听“吱吱”声是否仍存在。如果仍有“吱吱”声,则多为磁头磁化或磁头外壳接地不良引起的。如上述检查均无问题,还可通过适当增大滤波电容器c6容量值的方法来解决。如果空载“吱吱”消失,一加载“吱吱”声就出现,这种现象多为电机本身不良,内部打火引起的,可将电机外壳接一地线,看“吱吱”声能否消除。如仍不能消除,则只有拆开电机进行修理或更换新电机。
    5·电机不转  电机不转,首先应检查其本身是否卡死,可将其引线的一端焊下,用二节干电池给其通电看能否转动,以确定是否卡死。如检查电机无问题,再检查机心上控制电动机电源的开关接触是否良好。若上述检查均无问题,再测LAG665D 13脚上的电压是否为1.6V左右。如无此电压,多为Ic本身损坏。 
    6。放音变调  放音时带速过快,可先检查微调电阻RP2是否接触不良;仔细缓慢地微调RP2电阻看转速能否恢复正常。若恢复正常,则说明故障属调节不当或Ic内调速电路中某(些)元件参数发生了变化。若调节无效,或将IC  13脚与外电路断开,测得13脚电压始终保持在2.5V以上的不变值,则可判断为Ic内的调速控制电路损坏。 

  

  三、LAG665D的修补与代换     1·电机调速电路的修补  从多例实测结果来看,LAG665D集成块内的电机调速电路损坏以后,其12、13脚的在路或开路电阻均会变小,一般将降为十几欧左右。因此,可以依据这一规律来判断Ic内电机调速电路是否损坏。LAG665D的正常工作电压,在路和开路电阻如表1中所列,供检修判断时参考。 
    如LAG665D仅是电机调速电路损坏,其它功能无问题,则不必更换新的集成块,只要在Ic的外部另加接一个电机调速电路,即可使问题得到解决。外接的电机调速电路可以由分立元件组成,也可由集成电路组成。 
    用分立元件组成的电机调速电路,如图3所示。这是一种简单的串联稳压电路。其中VT1为调整管,vT2为取样放大推动管,R2、RPl为取样分压电阻,R1为偏置电阻。该电路元件较少,故可直接焊在原印板调速电路位置的空    处。各元件焊接无误后。只要适当调整一下RPl的值,使转速正常即可。 


      用集成电路组成的电机调速电路有多种,图4、图5是两种结构较为简单的常用调速电路。代换时,可将调速电路安装在一块小印板上并安装在机内空档处,再将图中的A、B两端接入图1中对应的各点上,适当调整一下代换电路中RP的值,使转速正常即可。 
  

  

      2.LAG665D集成块的代换  集成电路LAG665D损坏以后,如果一时无原型号集成电路可换,也可用LAG665F或KA22136D、KA22136F来进行代换。但这三种代换Ic的引脚数与LAG665D不同。其中,LAG665F为双列28脚封装,与LAG665D同属一类。后两者为韩国三星(SAMSUNG)公司的产品,KA22136D为28脚双列扁平封装,KA22136F为28脚双列直插式封装,它们的内部功能与LAG665D也基本相同,可以直接互换。互换时,这几种集成电路的各引脚对应关系见表2。
  

  

路过

雷人

握手

鲜花

鸡蛋

最新评论

QQ|Archiver|手机版|家电维修论坛 ( 蜀ICP备19011473号-4 川公网安备51102502000164号 )

GMT+8, 2025-11-22 13:00 , Processed in 0.118683 second(s), 17 queries .

Powered by Discuz! X3.5

© 2001-2025 Discuz! Team.

返回顶部