找回密码
 请使用中文注册

6种音频电子开关电路分析

2023-5-5 11:17| 发布者: 开心| 查看: 31| 评论: 0

阅读字号:

摘要: 不少高档音响的音频切换、控制功能都是用轻触式电子开关IC完成的。电子开关不存在机械开关和电位器的接触不良问题及长信号屏蔽线引入的干扰噪声,因而性能可靠、寿命长。本文介绍六种音频电子开关电路,以满足 ...
    不少高档音响的音频切换、控制功能都是用轻触式电子开关IC完成的。电子开关不存在机械开关和电位器的接触不良问题及长信号屏蔽线引入的干扰噪声,因而性能可靠、寿命长。本文介绍六种音频电子开关电路,以满足音响爱好者及有关技术人员开发、改进产品的需要。 
一、LM0037/1038四路立体声切换开关电路 
  LM1037/1038系18脚DIP封装的电子音频开关集成电路,其内部电路框图及基本应用电路见图1。 
 

    LM1037/1038内含逻辑控制、电子开关、缓冲、静音控制等电路,其外围电路亦很简单。LM1037/1038的②和④脚、⑥和⑧脚、11和13脚、17和15脚分别为四路立体声的输入端,①、③、16、18脚为开关控制端。LMl037高电平有效,LM1038为BcD码控制。控制端为高电平或BcD码时,把1R1L~4R4L 
中任意一组输入信号切换到F4F5缓冲器,缓冲后分别从⑨⑩脚输出。例如K1接“3”端时,2R2L端输入信号切换至⑨⑩脚,其余端输入信号与⑨、⑩脚处于断开状态。 
    ⑦脚为静音控制端,高电平有效。⑦脚为高电平时,F4F5输入端分别被F3F2短路到地,⑨10脚无信号输出。Kl置空档“O”时,F1输出为高电平,F2F3短路F4F5的输入端,Ic也处于静音状态。 
    LM1037与LM1038的引脚功能、电参数均相同,区别仅在于控制端、前者为电平控制,后者为BCD码控制。 它们的主要电参数见表1。 

   

  
二、TDA1029四路立体声切换开关电路 
    TDA1029的外围电路比LM1037/1038更简捷,仅三个控制端就能切换四路立体声。它虽然无静音功能,但失真度、信噪比等指标比LM1037/1038稍优越。典型应用电路如图2所示。 
 

    TDA1029主要电参数为:Vrr=6~25V,在20Hz~20kHz内典型失真度为0.01~0.03%,声道隔离度大于70dB(主要取决于外围元件),信噪比为12dB以上;输入电压最大为5.0V(RMS);可在低至400Ω的负载上获得电压增益为1,电流增益为10的五次方的信号输出;转换率为2V/us(1.3MHz)。 

      K分别接到1、2、3、4位时,INl和IN5、IN2和IN6、IN3和IN7、IN4和IN8端的输入信号分别切换到输出端。 
  

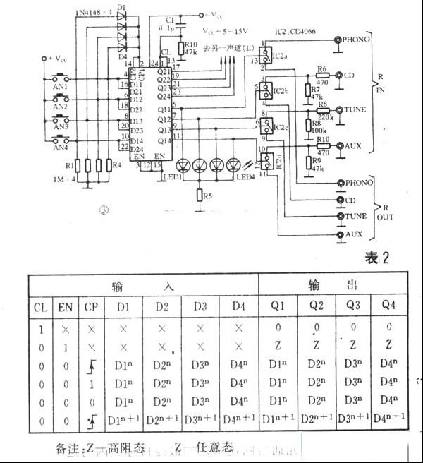
  三、轻触式四路立体声切换电路 图3为一例轻触式音频电子切换电路。 

该电路由一块双四D锁存器4508和两块四双向模拟电子开关集成电路4066构成。4508的真值表见表2。4508的CP端在脉冲的上升沿作用下接收二极管D1~D4端数据,在高低电平期间接收的数据被锁存。cL端为“1”电平时无条件清零;EN=“l”电平时,输出Q1~Q4端为高阻态。这里cL和EN端不使用而接地。c1R1在开机时产生的脉冲用以对4508清零。 
    ANl~AN4为常开轻触式开关,任意按一下其中一个开关,例如AN3,+Vcc经AN3加至Icl的⑧、20脚,另一路径D2、加至Icl的②、14脚(cPl及cP2端)。在+Vcc上升沿作用下,Icl接收⑧、29脚数据(+Vcc),AN3松开后此数据被锁存,即Q13=Q23=“1”。Q23=“1”接通L声道电子开关;Q13=“l”使电子开关Ic2c导通,TuNE输入信号经R8、Ic2c送到TuNE输出端口。 

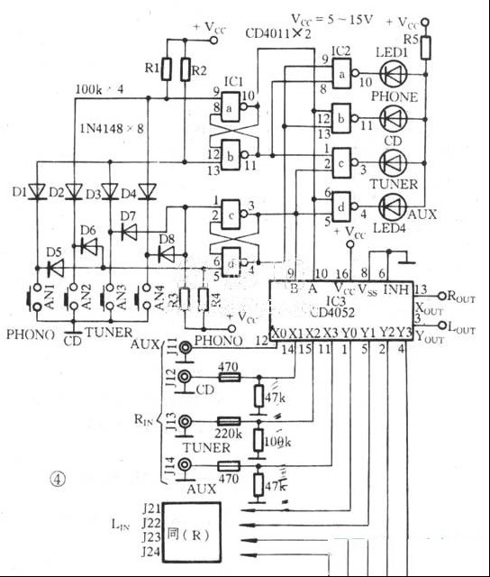
    图4为又一例轻触式四路立体切换电路。它是由4011及4052型CMos集成 
电路构成的音频电子切换电路。4052的真值表见表3。 


      IC1构成二个RS触发器,若按一下AN1,则Icl⑤、13脚获瞬间低电平,输出端④、11脚翻转为高电平,Ic2a门⑧、⑨脚也为高电平,⑩脚变为低电平,LEDl被点亮,表明输入信号为PHONO;与此同时,Icl的③、⑩脚为“O”电平,即IC3的⑨、⑩脚为“00”电平,根据真值表Xout=X0,Yout=Y0,信号被切换到J11、J21输入端口。同理,按一下AN3,则信号被切换到J13、J23输入口。 
  
四、遥控式音频电子切换开关电路 
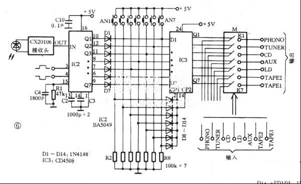
    BA5048/5049为一对多通道遥控发射接收处理电路。5048为发射电路,5049为接收电路。 
 

    BA5048内含振荡器、分频计数器、时序脉冲发生器、驱动电路等。其应用电路见图5。②、③脚外接455kHz陶瓷振子,与内电路作用产生455kHz时基振荡信号,当任意按下一键时,键扫描信号经内部编码处理被调制在38kHz载频上,已调制信号从15脚输出,经V1放大后驱动红外发射管L1把信号发射出去。 
    接收与解调电路为大家熟知的CX20106A,此处简化成框图。cX20106A输出的数字信号送BA5049处理。原理如图6所示。 

    按下发射器上相应键后,Ic2的Q1~Q7相应的输出端输出正脉冲。例如,按一下cD键,Ic2 11脚输出一正脉冲,此正脉冲经二极管到IC3的D3端,同时也作用到cPl、cP2端。Ic3在其上升沿作用下接收D3端数据“1”,并在脉冲过去后锁存此数据,则有Q3=D3=“1”,M组件中K3接通,信号切换为cD信号。ANl~AN7为本机操作键,用于手动切换。这里M组件中K1~K7由用户自己选取,可以使用晶体管、继电器,模拟电子开关cD4066等,使用微小型继电器时,可以不失真地传送信号。 
    IC2还输出两个彼此反相的高低电平。按P+键,Ic2③脚为高电平,④脚为低电平;按P一键,③脚为低电平,④脚为高电平。③、④脚可用来控制电机的正转或反转等。 

  

  五、可与微处理器接口的音频切换与控制集成电路TDA8420     飞利浦公司的系列音频切换与控制Ic有TDA8420、TDA8425、TDA7300等,适合于与微机接口。图7为TDA8420的内部电路框图及基本应用电路。 
 


      TDA8420具有两路立体声输入选择、伪立体声、空间音色、高低音、音量控制等功能。上述功能的控制通过CLOCK、DATA、ADDRESS端与微机接口来实现。经过切换与控制处理的信号从L、R端输出。 
  
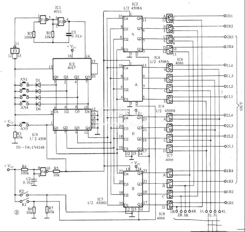
六、多路输人/输出音频切换电路 
    上述介绍的几种电路均把多路输入切换到一路输出端,这在某些场合还不够用。图8为把多路音频输入切换到8路输出端口的一例实用电路。 

    ICl中的F1、F2两个“与非”门构成8kHz左右的振荡信号送入IC2 14脚(cP端)。IC2为时序脉冲分配计数器/十进制计数器,这里⑩脚Q4接15脚复位,以便构成4进制计数器,QO~Q3输出约2kHz的时序脉冲序列。Ic3、IC4、Ic9为双四D锁存器,其真值表前面已作介绍。K1、K2相当于片选开关,K1闭合,Ic3B、IC4A起作用,K2闭合,IC3A、IC4B起作用。下面分析K2 
闭合的情况。 
    按下AN1~AN4中任意一键,例如按下AN2时,Ic2的Q1端高电平脉冲经D2到AN2加在R3上,此高电平同时经F3后使F1F2停振、加在IC2的13脚EN端,使之停止计数以保证在AN2按下期间Q0、Q1Q3端停止输出<恒为低电平)。与此同时,Ic9的cP端②脚为高电平时,Ic9接收D端数据并直接送到输出端Q即D1=D3=D4=Q1=Q3=Q4=“O”,Dz=Q2=“1”。IC9的Q2=1,则有IC3A、Ic4B的Q2=D2=“1”,电子开关Ic5c、Ic7c均闭合。2L、3R端的输入信号被切换到2L2、2R3的输出端。若K1闭合,AN2闭合时,则信号的切换关系为:3R=1R3,2L=1L2、K1、K2均闭合,则2L、3R端信号被分别切换到1L2、2L2,1R3、2R3端。 
    IC1的F4为自动清零电路。每次开机时,因R4c2的作用,F4输出短暂高电平,加至IC3、Ic4、Ic9的13、13、①、①脚,使它们清零。高电平之后为低电平,它们进入工作状态。AN5为手动清零开关。

路过

雷人

握手

鲜花

鸡蛋

最新评论

QQ|Archiver|手机版|家电维修论坛 ( 蜀ICP备19011473号-4 川公网安备51102502000164号 )

GMT+8, 2025-11-22 15:09 , Processed in 0.180006 second(s), 17 queries .

Powered by Discuz! X3.5

© 2001-2025 Discuz! Team.

返回顶部