找回密码
 请使用中文注册

迪桑R-707收音机原理分析

2023-5-5 11:17| 发布者: 开心| 查看: 30| 评论: 0

阅读字号:

摘要: 迪桑牌R-707AM/FM是广州迪生电子有限公司生产的一款立体声收音机,款式新颖,流线型机身配以皮带夹,携带方便。收音机的立体声耳机插座兼FM外接天线接口。不插耳机时为机内扬声器放音,此时为提高FM广播的收听 ...
    迪桑牌R-707AM/FM是广州迪生电子有限公司生产的一款立体声收音机,款式新颖,流线型机身配以皮带夹,携带方便。收音机的立体声耳机插座兼FM外接天线接口。不插耳机时为机内扬声器放音,此时为提高FM广播的收听效果,可插上随机附带的FM天线;插入耳机后,机内扬声器自动断开,耳机线代替了FM天线。 

      市售R-707不带电路图。笔者根据实物检测和参阅有关资料,绘出整机电路原理图(见图1)。
  
 
  该机主要由日本东芝公司生产的AM/FM单片立体声收音机集成电路TA8127和飞利浦公司生产的小功率双功放集成电路TDA7050组成。TA8127F是收音机专用集成电路,其内 
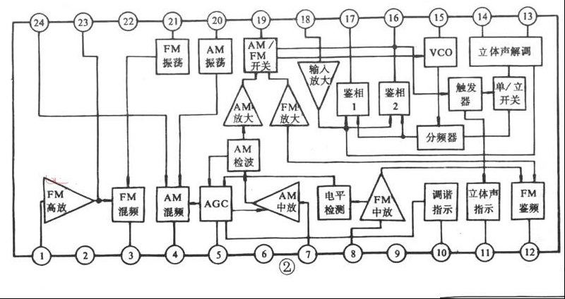
  电路框图见图2。
  
 
  它内含调幅混频、本振、中放、检波、AGC;调频高放、混频、本振、中放、鉴频、立体声解调电路等。附属电路有调谐显示驱动、立体声指示驱动、AM/FM切换开关等。其各引脚功能及静态直流工作电压见表1。该集成电路工作电源电压范围宽,VCC=1.8~8V,功耗小。在3V工作电压下,FM状态时小于60mw,AM状态下小于。40mw。由于TA8127F内部不具有音频功放电路,因此需外接一只双功放集成电路。这里采用的是TDA7050集成块,它体积小,为8脚双列扁平塑料封装,各引脚功能及静态时的直流工作电压见表2。TDA7050所需外围元件甚少,在电源电压3V、耳机阻抗32Ω、失真度10%时,输出功率为35mW;用机内扬声器放音时,为BTL工作状态,输出功率为140mW。 
  

路过

雷人

握手

鲜花

鸡蛋

最新评论

QQ|Archiver|手机版|家电维修论坛 ( 蜀ICP备19011473号-4 川公网安备51102502000164号 )

GMT+8, 2025-11-22 11:08 , Processed in 0.183152 second(s), 17 queries .

Powered by Discuz! X3.5

© 2001-2025 Discuz! Team.

返回顶部