找回密码
 请使用中文注册

胆机产生失真的原因及消除的方法

2023-5-5 11:17| 发布者: 开心| 查看: 33| 评论: 0

阅读字号:

摘要: 胆机工作时常会产生谐波失真。通过频谱分析发现,多数胆机的低次谐波较强,且以二次谐波为主,各次谐波降幂减弱。高次谐波很小,听感丰满而明亮,充满生气,透明感好,声底纯静,这是有益的一面。但是,如果我 ...
    胆机工作时常会产生谐波失真。通过频谱分析发现,多数胆机的低次谐波较强,且以二次谐波为主,各次谐波降幂减弱。高次谐波很小,听感丰满而明亮,充满生气,透明感好,声底纯静,这是有益的一面。但是,如果我们在制作胆机时,因调整不当或使用的元件质量不好时,也会产生其他一些与Hi-Fi理念格格不人的失真现象。那么应如何“扬长避短,打造精品”呢?

一、非线性失真
    非线性失真主要是由于电子管工作在特性曲线的弯曲部分而引起的。这又有两种情形.一是工作点选择得不当(偏高或偏低),二是信号电压过大。
    如图1所示:非线性失真(a)栅负压过大,工作点(Q)过低,使电子管工作到动特性曲线的下端弯曲部分,结果阳极电流的负半周变得扁平,产生显著的失真。图1(b)栅负压又太小,使电子管工作到动特性曲线上端弯曲部分,结果阳极电流的正半周变得扁平,产生失真。图1(c)栅负压虽然选得正确,但信号电压过强,因此阳极电流正半周、负半周都变得扁平,也出现失真。图1(d)栅负压和信号振幅选择适当,所以失真很小。

    由上可知:当放大器有了非线性失真时,如果输入的是正弦波,那么放大了的信号就成了非正弦波,而非正弦波又可以分解成直流、基波及高次谐波成分。所以非线性失真的特点是放大器的输出端出现了新的频率成分。
    实验证明,只要低频放大器非线性失真系数不超过一定范围,人耳是不易觉察的,在一般情况下.放大器的非线性失真系数不应超过10%,最大不超过15%。
    根据以上分析,我们可以肯定非线性失真对音质是有害的,通过实践证明:这种失真使放大器在放大语言时,音质变坏,出现嘶哑声,语言模糊。为了减小非线性失真,就必须正确地选择工怍点(Q)及信号电压,使放大器工作在电子管动特性曲线的直线部分,也就是在甲类工怍状态(这一点尤其对初学者来说非常重要),而乙类和甲乙类都会产生较大的非线性失真,必须采用推挽电路加以减小,才能应用。

二、频率失真
    放大器所要放大的信号在很多情况下并不是单纯的正弦波,比如语言,就是由许多频率不同的正弦波按一定比例关系叠加而成的,要使放大后的波形和输入的波形一样,就要求放大器对所有频率成分都有相同的放大倍数,如果对不同频率成分放大倍数不同,那么各频率分量之间原来的比例关系就发生变化,从而使输出波形与输入波形不一致。如图2所示:频率失真(a)表示栅极输入信号包含基波和二次谐波,图2(b)表示经过放大后的输出信号,它也有基波和二次谐波.但因放大器对二次谐波的放大倍数超过了对基波的放大倍数,因而经放大后的合成波形变形了,产生了频率失真。

    我们常用频率特性曲线来表示放大器的频率失真,所谓频率特性曲线就是放大器的放大倍数K与频率f的关系曲线。一个理想的没有频率失真的放大器,频率特性曲线是一条平行横轴的直线,如图3中的虚线。而Hi-Fi放大器的实际频率特性曲线,如图3中的实线。这条曲线表明,在(fn-fm)音频范围以内,放大倍数是均匀的,放大器所产生的频率失真很小。但是,变压器耦合的电压放大器频率特性就不是一条平坦的直线,如图4实线部分所示。随着频率的降低,变压器初级线圈的感抗要下降。变压器初级线圈两端的电压和次级线圈电压随着减小,放大器的放大倍数下降。随着频率的升高,在某一频率,可使Co(等效电容,它不但包括下级电子管的输入电容和接线的分布电容,还包括次级线圈的分布电容)与漏电感产生串联谐振,因此输出电压增高,放大倍数升高,出现峰值。频率再升高,由于Co所呈现的阻抗很小,放大量很快下降。

    由于放大器的实际负载并不是纯电阻,而是含有电感成分的。所以实际负载阻抗ZL将随信号频率的增减而增减,因而使得阳极负载阻抗Za也随着信号频率的增减而作相应的增减。这样会引起两种不良现象:
(1)频率失真增大;
(2)非线性失真增大(因阳极负载阻抗不等于电子管所需要的最佳负载阻抗了)。
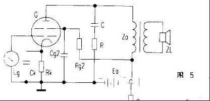
    当放大器有了比较严重的频率失真时,放大后的语言将会模糊不清,如果语言中低频部分不能得到很好的放大,那么声音就变得尖锐刺耳,很不耐听。为了克服上述缺点,通常用一个RC电路并联在输出变压器初级端,如图5所示,使放大器总的负载阻抗尽可能不随频率变化而变化。

RC的常用数值是:
C=0.001 uF~0.01uF 
R=(1.5~2)Za最佳
    有时候在输出变压器初级端,只并上一个(0.001uF~0.005uF)电容器,同样能起到补偿负载阻抗在高频时的升高作用。
    在阻容耦合放大电路中;一般采用高品质大容量(3.3uF~10uF)的铜膜或者银膜极品电容(如丹麦的JENSEN电容)作为耦合电容,以增强对低频信号的驱动能力,使其频率特性曲线趋于一条直线,确保Hi-Fi放大。

三、相位失真
  由于放大器中有电抗元件存在,非正弦波信号中各频率成分间的相位关系发生变化,从而使得输出波形与输入波形不一致,这就是相位失真,如图6所示。

    图6相位失真(a)是输入信号波形,图6(b)是输出信号波形。输入时,信号中的基波和二次谐波相位都从零开始,但输出时相位关系发生了变化,二次谐波产生了相移,所以合成波形与原来的不一样了,这就产生了相位失真。解决的办法:与频率失真的解决办法基本一样。
    以上分析了非线性失真、频率失真和相位失真,它们的一个共同点,就是输出波形产生失真,它们之间本质的区别是:
    (1)产生失真的原因不同。频率失真和相位失真是由于电路中存在电抗元件(电感、电容)引起,而非线性失真则是由电路中非线性元件(电子管、铁心变压器等)引起的。
    (2)放大器输出信号中频率成分不同。频率失真和相位失真只能改变信号中各频率成分的幅度和相位关系,而输出信号的频率成分和输入信号一样,没有改变。非线性失真则要在输出信号中产生新的频率成分。
    在认识了它们的区别以后,我们就可以根据各种失真的特点和产生的原因,去减小或消除失真。
    实际上,三种失真可能在同一放大器中出现,哪一种失真对放大器工作影响最大,必须作具体的分析,例如对语言信号进行放大,人耳对相位失真就没有明显的感觉,就是非线性失真和频率失真,人耳的感觉也不同,人耳对非线性失真更为灵敏。因此在音频放大器中,应特别注意减小非线性失真,其次再考虑减小频率失真,而对相位失真一般都不必注意它。

路过

雷人

握手

鲜花

鸡蛋

最新评论

QQ|Archiver|手机版|家电维修论坛 ( 蜀ICP备19011473号-4 川公网安备51102502000164号 )

GMT+8, 2025-11-22 15:12 , Processed in 0.182157 second(s), 17 queries .

Powered by Discuz! X3.5

© 2001-2025 Discuz! Team.

返回顶部