找回密码
 请使用中文注册

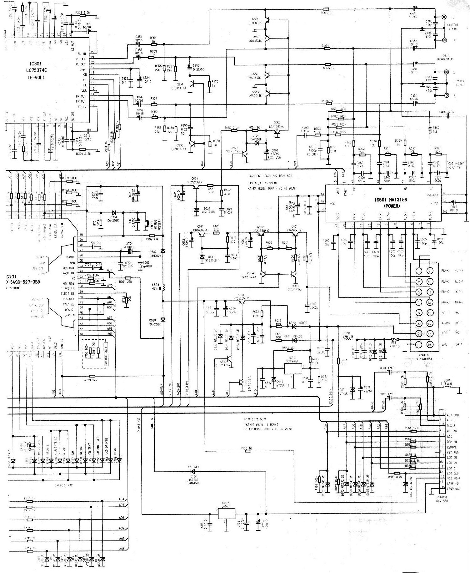
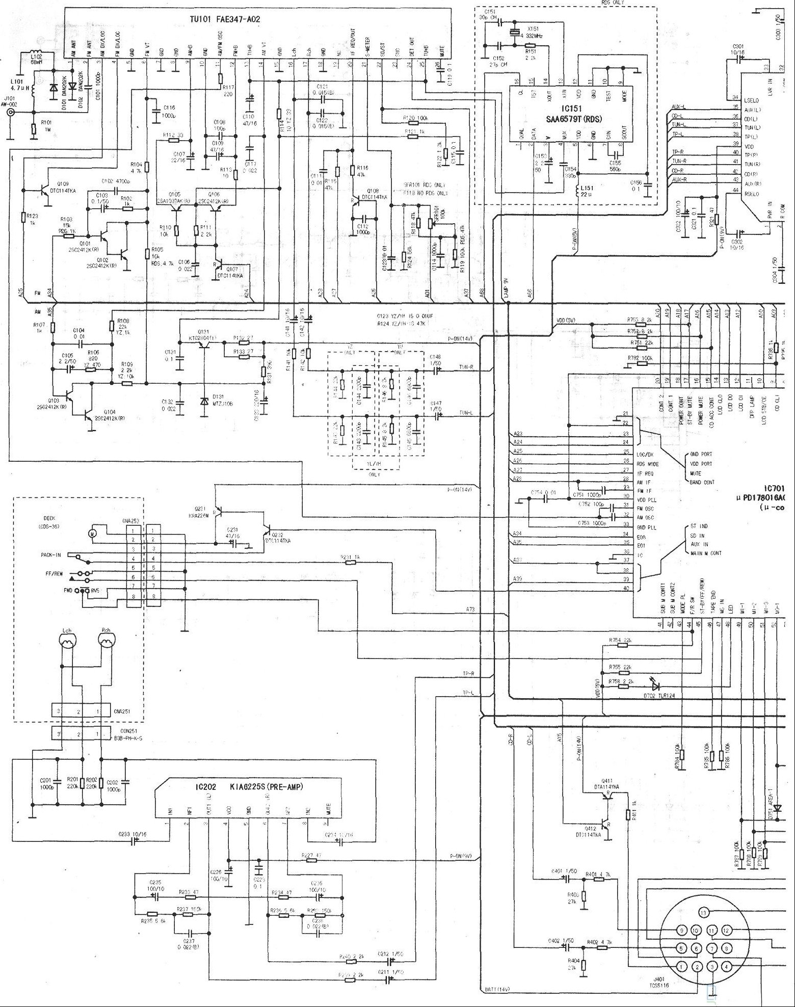
爱华CT-R409汽车音响电路原理图

2023-5-5 11:17| 发布者: 开心| 查看: 29| 评论: 0

阅读字号:

摘要:
    
 
  
 
  

路过

雷人

握手

鲜花

鸡蛋

最新评论

QQ|Archiver|手机版|家电维修论坛 ( 蜀ICP备19011473号-4 川公网安备51102502000164号 )

GMT+8, 2025-11-22 11:08 , Processed in 0.179735 second(s), 17 queries .

Powered by Discuz! X3.5

© 2001-2025 Discuz! Team.

返回顶部