找回密码
 请使用中文注册

使用胆石复合管的甲类功放(图)

2023-5-5 11:15| 发布者: 开心| 查看: 57| 评论: 0

阅读字号:

摘要: 以甲类方式工作的胆功放输出功率一般都较小。究其原因,除了甲类功放本身的效率较低以外,阴极电流大多数在100mA以内。为了解决这个矛盾,人们尝试着将电子管与VMOS管复合起来使用,有点类似晶体管的达林顿 ...
    以甲类方式工作的胆功放输出功率一般都较小。究其原因,除了甲类功放本身的效率较低以外,阴极电流大多数在100mA以内。为了解决这个矛盾,人们尝试着将电子管与VMOS管复合起来使用,有点类似晶体管的达林顿连接,只不过将其中的第一只管子换成了电子管,我们不妨将其称为胆石复合管。由于VMOS管的源极电流不受热电子发射的限制,胆石复合管的输出电流可以做得很大,这样在通过增大电流的方式提高输出功率的同时,还可以使输出变压器的制作得以简化。  
    目前的胆石复合管功放的最大问题是工作不够稳定。当电源电压或温度等因素变化使得电子管的阴极电流增加时,虽然电子管的工作状态仍属正常,但是流过VMOS管的电流会急剧增加,从而破坏了整个放大器的稳定性。造成这种情况的主要原因是大功率VMOS管的跨导太大,其栅极电压的微小变化就会引起漏极电流的巨大变化。怎样才能稳定胆石复合管的工作状态呢?通过大量的试验,笔者发现用恒流源代替电子管的阴极电阻、并以稳定电压为其帘栅极供电是一个不错的办法。采取这两项措施之后,电源电压等因素的变化对电子管阴极电流的影响大大减弱,因此VMOS管栅极的静态电压基本上得到稳定,从而使胆石复合管的稳定性大为提高。改进后的胆石复合管应用电路可以参考图1,这是一个可以稳定工作的电路。因为VMOS管的跨导太大引起的第二个问题是:使用漏极输出方式的功放音质比较粗糙,这在一定程度上使其失去了胆功放音质细腻、层次丰满的特点。  
    该如何维修这个问题呢?最简单的方法是将胆石复合管由屏、漏输出放大器改为源极跟随器,通过电压负反馈来改善音质。使用源极输出器的另一个好处是电了管与VMOS管可以分别使用不同的电压来供电,电子管使用较高的电压,  VMOS管使用较低的电压。 
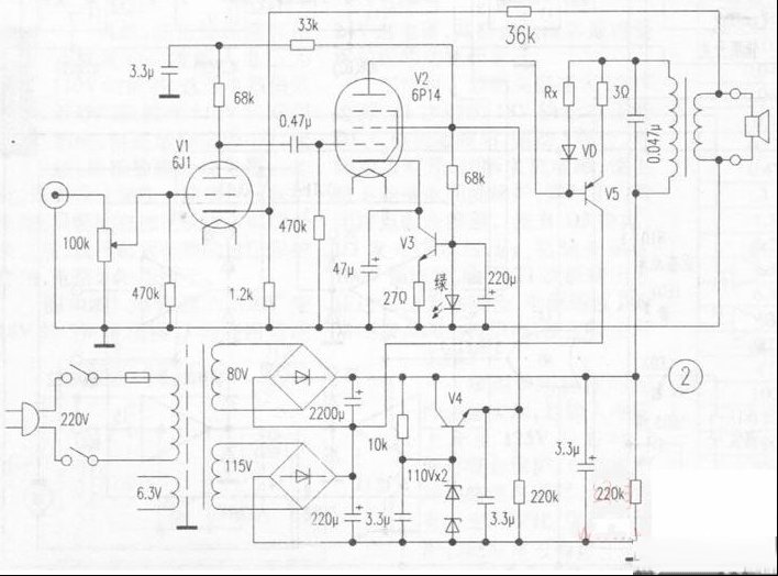
    使用不同的电压供电除了可以大幅度地提高功放的效率之外,还可以选择专门用于音响的晶体管(包含VMOS管),因为这些管子的耐压都较,另外使用P型沟道的VMOS管或PNP型的晶体管与电子管构成复合管更容易发挥它们各自的优势,电路也更加简洁。根据以上的考虑,笔者用P型沟道的VMOS管、PNP型的晶体管分别与电子管复合进行了试验,最后确定了如图2所示的电路。这个电路使用了两只电子管和一只晶体管,其中电子管6J1接成三极管后作电压放大,五极管6P14与晶体管V5复合后作功率放大。V5既可采用VMOS管,也可采用晶体管,但试听中感觉晶体管的音质显得更为浑厚有力,电子管与PNP型晶体管构成的这种复合管在原理上很像IGBT管。在6P14的阴极电路中使用了恒流源,其中V4选用中功率管MJE13003,发光二极管是绿色的,正向电压约为2V。电子管6J1与6P14的帘栅极电压由一个简单的稳压电源提供。二极管VD用来稳定V5的直流工作点。实际上使用了一只中功率晶体管的发射结,并固定在V5的散热器上,以实现温度补偿.通过调整Rx的阻值可将V5的电流控制在1A左右。晶体管V5应选用耐压大于200V的大功率管,如A1943、MJ15025等。本电路中,主电源的电压为100V,主要是作为V5的电源,而辅助电源的电压为150V,与100V的电压串联岳为250V,供电子管作为B电使用。输出变压器使用横截而积13.5平方cm的铁心来绕制,初级使用φ1mm的漆包线分两组共绕328圈,次级用φ1.2mm的漆包线绕100圈,绕制时将次级线圈夹在两组初级线圈中间。  
    因为本机的电压放人是由电子管完成的,晶体管只是作射极跟随器使用,所以它最大限度地保持了胆机的风味,且输出功率可达25W以上。 


路过

雷人

握手

鲜花

鸡蛋

最新评论

QQ|Archiver|手机版|家电维修论坛 ( 蜀ICP备19011473号-4 川公网安备51102502000164号 )

GMT+8, 2025-11-22 15:10 , Processed in 0.199342 second(s), 17 queries .

Powered by Discuz! X3.5

© 2001-2025 Discuz! Team.

返回顶部