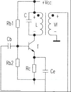
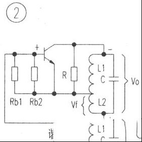
| 振荡器是一种不需外加信号,由电路本身自激而产生输出信号的能量转换装置。而正弦波振荡器的输出波形是正弦波,可用作各种信号发生器、本机振荡器等,应用非常广泛。在《电子技术基础》中,学习了三种不同形式的LC正弦波振荡器:变压器反馈式、电感三点式、电容三点式。由于其电路结构较复杂.对于其能否起振的判断是学生学习的一个难点。结合多年的教学实践,笔者总结出一种通过观察电路,可判断振荡器能否起振的方法,这种方法简单易学,便于掌握。笔者现将该方法总结如下。 一、观察电路是否具有正弦波振荡器的三个组成部分 1、三极管放大电路:其核心元件是三极管。 2、选频电路:三种LC正弦波振荡器的选频电路均为LC并联回路。 3、反馈网络:因为振荡电路是将反馈信号作为输入信号的,所以,从电路结构看,交流情况下,反馈元件应连接在输入端和公共端之间。这样,如振荡电路为共射形式,则反馈元件应接在三极管基极(输入端)和发射极(公共端)之间;如振荡电路为共基形式,则反馈元件应接在三极管发射极(输入端)和基极(公共端)之间。准确找到反馈元件是正确分析反馈极性的关键。 二、观察三极管放大电路能否起正常放大作用 1、观察放大嚣偏置电路是否正常。观察放大电路的偏置电路,如出现以下几种情况,则放大器不能正常工作(以共发射极电路为例): (1)三极管基极或集电极无直流供电回路(或供电回路被电容隔直流)。 (2)三极管基极对地短路、三极管集电极与发射极直流短路。 (3)电源直流对地短路。 2、观察放大器交流通路是否正常。主要观察反馈元件是否并联旁路电容,如有,则反馈信号被交流旁路,振荡器不能起振。 三、观察振荡器是否满足相位平衡条件和振幅平衡条件 1、相位平衡条件,即是否为正反馈。 反馈极性的判断采用瞬时极性法。对于共发射极电路:基极电位与集电极电位瞬时极性相反,与发射极电位(有发射极电阻而无旁路电容时)瞬时极性相同。当反馈信号的瞬时极性与输入信号的瞬时极性相比较时;若反馈信号引入到输人端的基极,则两者极性相同为正反馈,极性相反为负反馈;若反馈信号引入到输入端的发射极,则两者极性相同为负反馈,极性相反为正反馈。 2、振幅平衡条件。 通过合理选择三极管电流放大系数和选频元件参数即可满足,一般不予分析。 下面通过例题具体说明。 例1:图1为变压器反馈式LC振荡器.试分析能否产生正弦振荡? 解: (a)电路为共射形式的变压器反馈式LC振荡器,在谐振频率下,Cb和Ce都可视作短路。它具有正弦波振荡器的三个组成部分,变压器的线圈将vf反馈到三极管基极作为输入信号,放大器的偏置电路和交流通路均正常,用瞬时极性法,可得反馈到基极的信号极性与原假设的极性相同,即满足相位平衡条件,是一个正弦波振荡器。在此电路中,如果没有Cb,则三极管基极直流对地短路,三极管不能工作在放大状态,振荡器不能起振。 (b)电路是共射形式的变压器反馈式LC振荡器。同样在谐振时,Cb和Ce都可视作短路,由瞬时极性分析,同样满足相位条件,所以,也能产生正弦振荡。 (c)电路是共基形式的变压器反馈式LC振荡器,反馈信号从发射极注入,由瞬时极性法判断同样满足相位平衡条件,能起振。在此电路中,如果没有Ce,则三极管发射极直流接地,不能正常工作,振荡器不能起振。 例2:图2为三点式Lc振荡器,试分析能否产生正弦振荡? 三点式振荡器的特点:LC并联谐振电路的三个引出端分别与三极管的三个电极相连接组成振荡器,其性质相同的两个电抗元件的连接点必须接放大器的同相端仨极管的发射极);另一端接反相端(三极管的基极),即从电路结构看具有“射同基反”的特点。 解:这种电路的LC并联谐振自路中的电感有首端、中间抽头和尾端三个端点,其交流通路分别与放大电路的集电极、发射极(地)和基极相连(满足“射同基反”)。它具有正弦波振荡器的三个组成部分。L2将vf反馈到三极管基极作为输入信号,放大器的偏置电路和交流通路均正常,用瞬时极性法,假定基极的瞬时极性为正,则谐振回路极性是上负下正,反馈到基极的信号与原假设的极性相同,所以为正反馈,满足相位条件。这是一个电感三点式LC正弦振荡器。 解:图3是并联谐振电路,其电路中有两个电容,有1、2、3三个端点,其交流通路分别与放大电路的集电极、发射极和基极(地)相连(满足“射同基反”)。它具有正弦波振荡器的三个组成部分,C2将Vf反馈到三极管射极作为输入信号,放大器的偏置电路和交流通路均正常,用瞬时极性法,在射极注入正极性的电压后,并联谐振回路产生上正下负的瞬时极性,所以反馈回到射极的极性仍为正,是正反馈,电路能产生正弦振荡。为电容三点式正弦振荡器。 综上所述,掌握了这三种LC正弦波振荡器的电路特点,就可以很方便地通过观察电路判断其能否起振。 | 
 |Archiver|手机版|家电维修论坛
( 蜀ICP备19011473号-4  川公网安备51102502000164号 )
|Archiver|手机版|家电维修论坛
( 蜀ICP备19011473号-4  川公网安备51102502000164号 )
GMT+8, 2025-10-31 09:56 , Processed in 0.179297 second(s), 17 queries .
Powered by Discuz! X3.5
© 2001-2025 Discuz! Team.